| CATEGORII DOCUMENTE |
| Demografie | Ecologie mediu | Geologie | Hidrologie | Meteorologie |
UNIVERSITATEA "BABES-BOLYAI" CLUJ-NAPOCA
FACULTATEA DE STIINTA MEDIULUI
SPECIALIZAREA: GEOGRAFIA MEDIULUI
Aplicatii GIS in studiul mediului inconjurator: modele digitale de elevatie si studiul inundatiilor
1.Introducere
In studierea mediului inconjurator sunt folosite modele digitale de elevatie de catre specialisti; cu ajutorul acestor modele se pot face masuratori, se pot intocmi harti digitale, care sunt folosite atat de specialisti, cat si de alte persoane.
Sunt intalnite diferite modele digitale, cu care se lucreaza in GIS. Dintre acestea pot fi amintite: modelul digital de elevatie, reprezentand distributia spatiala a unor valori de altitudine masurata la un anumit nivel stabilit, modelul punct, ce reprezinta distributia spatiala a unui parametru care are legatura cu terenul studiat, modelul digital al terenului, modelul liniar, modelul GRID si modelul TIN.
Caile de obtinere a metodelor digitale sunt urmatoarele: digitizarea manuala, unde datele pot fi transformate din forma analogica in forma digitala, scanarea sau vectorizarea si metodele fotogrametrice, ce implica existenta unor imagini satelitare si sifturi satelitare.
Cu ajutorul acestor metode,datele sunt calculate si expuse in tabele. Pentru a folosi sistemul GIS, mai intai trebuie sa fie inteles. Acest sistem cuprinde mai multe programe, fiecare avand un scop anume. Cu ajutorul GIS-ului o mare parte din munca specialistilor este redusa, deoarece datele sunt introduse in calculator si se calculeaza automat.
Programul MapInfo poate fi considerat o unealta principala pentru GIS, deoarece cu ajutorul lui se poate da locatia unui site doar prin selectarea unei harti sau a codului postal.
Analizele complexe GIS si modelele sunt folosite de sutele de Agentii de Mediu, chiar de pe retelele lor proprii. Agentiile de Mediu constituie o dezvoltare si un folos pentru Sistemele Informationale Geografice ( GIS). Un trend notabil este acela de a folosi internetul pentru a distribui datele GIS catre Agentiile de Mediu si publicul general.
Partea I. Metodologii existente
MODELE DIGITALE DE ELEVATIE IN GEOMORFOLOGIA ENVIRONMENTALA. REPREZENTAREA SUPRAFETELOR INTR-UN SISTEM GIS
(DEFINITII SI TIPURI DE MODELE)
Modelul Digital de Elevatie (DEM) este un tablou ordonat de numere care reprezinta distributia spatiala a unor valori de altitudine masurate deasupra unui nivel altimetric stabilit. Valorile altimetrice pot fi valori ale unor puncte din teren sau pot fi valori altimetrice medii ale unor portiuni din terenul analizat.
Spre deosebire de DEM, Modelul Digital al Terenului (DTM) reprezinta distributia spatiala a unei caracteristici sau parametru care are legatura cu terenul studiat (ex. distributia spatiala a temperaturii medii sau a gradului de inclinare a pantei) (Moore et al., 1991).
Intr-o baza de date spatiala, suprafetele pot fi reprezentate sub forma de:
Modelul Punct este cel mai simplu model de reprezentare a suprafetelor si consta
intr-o multime de puncte cu o distributie spatiala bidimensionala neregulata. Valorile punctelor repreyinta altitudinea. Desi aceste modele sunt eficiente din punct de vedere al spatiului ocupat pentru stocare, datele necesita procesare inainte de orice analiza spatiala. Laticea reprezinta o structura bazata pe modelul punct si se compune dintr-o multime de puncte dispuse regulat, fiecare reprezentand o locatie (x,y,z) pe suprafata.
Modelul Liniar consta prin reprezentarea suprafetelor prin curbe de nivel, variabila z fiind convertita intr-o caracteristica liniara de aceeasi valoare. Dezavantajul consta in faptul ca datele obtinute prin alte cai decat digitizarea curbelor de nivel necesita operatii de rearanjare.

Figura 1.1. Reprezentarea suprafetelor intr-un sistem GIS. Modelul Punct, Modelul Liniar (curbe de nivel), Modelul GRID si Modelul TIN. a.- Celula, unitatea de baza a modelului GRID b.- Triunghiul, unitatea de baza a modelului TIN
Modelul GRID consta in atribuirea fiecarei celule a cate unui atribut care reprezinta altitudinea sau valoarea unui anumit parametru in punctul respectiv. Cu cat rezolutia GRID-ului este mai mare cu atat acuratetea este mai buna. Ca orice alt model, modelul GRID prezinta o serie de avantaje si dezavantaje. Dintre avantaje putem enumera: procesarea eficienta a datelor (datorita marimii identice a celulelor care formeaza GRID-ul si datorita distributiei spatiale regulate, analizele pe mai multe straturi se pot realiza foarte usor), surse de date numeroase (datele spatiale reprezentate in acest model se obtin aproape pe cale automata din imaginile satelitare si din aerofotograme stereo; de asemenea majoritatea modelelor digitale de teren sunt disponibile sub forma de GRID). Ca dezavantaje ale acestui model amintim: volumul mare ocupat pentru stocare, dificultati in cazul unei rezolutii necorespunzatoare si dificultati in atribuirea valorilor pentru fiecare celula (diferite modele de atribuire sau rezultate diferite).
Modelul TIN (Triangulated Irregular Networks) consta dintr-o retea de triunghiuri dispuse neregulat bazata pe punctele de elevatie cunoscute. Marimea triunghiurilor variaza in functie de caracteristicile terenului si de densitatea punctelor utilizate la construirea acestora. Exista mai multe metode de obtinere a unui TIN, cea mai simpla fiind cea prin unirea fiecarui punct dintr-un set de puncte cu vecinii acesteia, fara ca liniile sa se intersecteze. Datorita faptului ca fiecare punct din varful unui triunghi dintr-un TIN are o anumita valoare pentru variabila z triunghiurile pot fi caracterizate prin inclinarea si orientarea pantei (fig. 2.2)
Figura 1.2. Triunghiul - element de baza al structurii TIN. Punctele A, B si C reprezinta nodurile
Pentru aplicatiite hidrologice, cum ar fi simularile unor procese sau calcularea unor indici modelele GRID si TIN sunt cele mai des utilizate.
1.1. Tehnici de introducere a datelor spatiale
Modelele digitale de elevatie pot fi obtinute folosind date provenite din numeroase surse. Tehnicile de introducere a datelor si metodelor de prelucrare depind de marimea suprafetei studiate, de acuratetea si precizia dorita sau, pur si simplu, de resursele proiectului.
In continuare vor fi prezentate pe scurt principalele tehnici de introducere a datelor spatiale utilizate in crearea modelelor digitale de elevatie.
Ridicari Topografice. Prin aceasta metoda se pot obtine date cu o acuratete mare datorita extinderii reduse a suprafetei analizate si a faptului ca personalul care culege datele din teren poate acorda o atentie mai mare caracteristicilor terenului putand inregistra pozitia tuturor elementelor relevante. Aceasta metoda prezinta o serie de dezavantaje cum ar fi costul ridicat si durata de timp necesara efectuarii unei ridicari, ceea ce duc la aplicabilitatea ei numai in cazul unor proiecte care au in studiu suprafete de teren mici. Datele obtinute pot fi cu usurinta integrate intr-un sistem GIS.
Figura 1.3. Cai de obtinere a Metodelor Digitale de Elevatie
Digitizarea manuala. Datele referitoare la altimetrie, de pe hartile topografice existente, pot fi transformate din forma analogica in forma digitala prin procesul de digitizare. Acest proces implica existenta unei tablete grafice conectata la un calculator si a unui soft specializat. Prin digitizare se inregistreaza pozitia elementelor de pe harta intr-un sistem de coordonate propriu digitizorului, procesul in sine constand in "redesenarea" tuturor elementelor care sunt considerate relevante. Avantajele metodei canstau in costul redus si acuratetea buna. Dezavantajul principla il constituie volumul de munca. Un alt dezavantaj este echipamentul care trebuie adaptat la marimea foilor de harta topografica.
Scanarea/Vectorizarea. Procesul de scanare reprezinta o alta metoda de conversie a datelor din forma analogica in forma digitala. Rezultatul unui proces de scanare este o imagine (fisier raster). Scanarea consta in impartirea imaginii in celule (pixeli), fiecare celula primind o valoare in functie de culoarea de pe harta. Procesul de vectorizare manuala este similar celui de digitizare. Imaginea este georeferentiata prin selectarea unor puncte de control, care in cazul de fata sunt pixelii ale caror coordonate reale sunt cunoscute. Dezavantajele acestui proces sunt: erorile introduse de procesul de scanare precum si de alegerea incorecta a rezolutiei imaginii rezultate. Avantajul principal al metodei il constituie echipamentul (nu necesita digitizor).
Metodele mentionate mai sus au ca rezultat obtinerea unor structuri de date care sunt continute in bazele de date spatiale.
Metode Fotogrametrice. Aceste metode implica existenta aerofotogramelor sau a imaginilor satelitare stereo, precum si sifturi specializate (ERDAS Imagine, PCI Geomatica). Spre deosebire de metodele prezentate anterior, acestea nu au ca rezultat obtinerea directa a unui model digital de elevatie. Acuratetea acestor modele depinde de rezolutia perechii de fotograme si a metodei de esantionare. Cele mai cunoscute imagini stereo provin de la SPOT si ASTER.
1.2. Procesele de interpolare, ajustare si triangulatie.
Majoritatea metodelor digitale de elevatie se obtin in urma unor procese de interpolare si/sau ajustare, procese care se aplica asupra datelor spatiale stocate sub diferite forme. Interpolarea reprezinta procesul prin care valoarea unor caracteristici in anumite puncte necunoscute, se calculeaza pe baza valorilor in punctele cunoscute. In cazul ajustarii curba nu trebuie sa treaca prin punctele date, iar profilul acesteia se obtine din evaluarea distantelor de la fiecare punct la curba respectiva, alegandu-se aceea care respecta conditia ca suma patratelor distantelor la curba sa fie cea mai mica (fig. 2.4.)
Figura 1.4. Diferenta dintre procesul de ajustare si procesul de interpolare. In cazul procesului de ajustare (a1) curba nu trece prin toate punctele ca si in cazul procesului de interpolare (a2). Suprafetele obtinute prin ajustare (b1) sunt de obicei mai netede decat cele obtinute prin interpolare (b2).
Exista numeroase metode de interpolare si ajustare folosite pentru obtinerea suprafetelor si DEM-urilor folosind puncte distribuite in spatiul bidimensional. Rezultatele interpolarii pot prezenta uneori diferente foarte mari comparativ cu realitatea (fig. 2.5.), diferente care apar, fie atunci cand metoda de interpolare este necorespunzatoare pentru datele folosite, fie datele nu sunt corespunzatoare pentru metoda aleasa.
De multe ori suprafata obtinuta prin interpolare prezinta variatii bruste, introduse datorita alegerii incorecte a functiei de interpolare sau datarii naturii valorilor. O alta problema care apare in urma interpolarii este cea a cuvetelor. Tarboton et al. (1991) defineste cuveta ca fiind "un punct sau un set de puncte care sunt inconjurate de vecini cu valori altitudinale mai ridicate". Cuvetele pot fi formatiuni naturale care apar in peisaj (dolinele in cazul reliefului calcaros) dar si formatiuni artificiale introduse de procesul de interpolare sau de rezolutia GRID-ului.
Figura 1.5. Histograma unui model digitel de elevatie obtinut prin interpolarea curbelor de nivel folosind metoda IDW (sus) si histograma unui model digital de elevatie "corect" (jos). In prima imagine putem observa faptul ca avem anumite valori cu o frecventa foarte mare (vezi sageata) si alte valori cu frecvanta foarte mica. Valorile cu frecventa mare corespund valorilor curbelor de nivel. O alta caracteristica a primei histograme este alternanta dintre valorile cu frecventa ridicata si cele cu frecventa redusa. In a doua imagine alternanta dispare.
Capitolul 2
ZONA DE STUDIU SI PROVENIENTA DATELOR
Rezltatele analizelor si calculelor prezentate in aceasta lucrare sunt independente de zona de studiu, cat timp aceasta reprezinta o portiune din tritoriul tarii. Importante sunt de fapt tipul de date folosite si provenienta lor. Spre deosebire de majoritatea tarilor europene si Statele Unite, in Romania nu exista o anumita baza de date digitala "comerciala" constant intretinuta si imbunatatita de catre specialisti. Cele existente sunt ori "secrete" datorita caracterului lor si datorita legislatiei in vigoare, ori neverificate de catre organe sau institutii abilitare. Datorita acestora, persoanele interesate sunt nevoite sa-si creeze propriile baze de date, pentru a le putea folosi in diverse proiecte GIS. Acest lucru are mai mult efecte negative decat pozitive prin faptul ca, in primul rand este pierdut timp pretios, irecuperabil, in defavoarea altor capitole mai importante ale studiului, iar in al doilea rand prin crearea unui numar mare de baze de date, fiecare independente unul fata de altul, care sunt abandonate si nereactualizate dupa terminarea proiectului. Acest lucru face ca dupa o vreme, baza de date neactualizata sa nu poata fi folosita de altii, si mai garv, alt timp pretios sa fie irosit din nou pentru a crea o noua baza de date pentru acelasi teritoriu.
Cum a fost mentionat si mai inainte, scopul acestui studiu este de a compara si evalua posibilitatile crearii unor modele digitale de elevatie utilizabile in studii hidrologice la scari medii, folosind date care sunt accesibile la ora actuala pentru teritoriul Romaniei. Astfel studiul foloseste doua surse de date, foarte diferite si anume: harti topografice (la 25.000 si 50.000) si imagini satelitare ASTER.
2.1.Hartile topogafice
Un numar de 11 foi de harta la scarile de 1:25.000 si 1:50.000 au fost digitizate complet sau partial. In majoritatea suprafetei s-au utilizat hartile topografice la 25.000, provenite in urma ridicarilor din anii '60. aceste date sunt, inca, cele mai corecte din punct de vedere al acuratetii si relativ accesibile datorita colectiilor din bibliotecile Universitare sau a unor institute de specializare.
Hartile au fost scanate la o rezolutie de 300 dpi, dupa care s-a procedat la digitizarea curbelor de nivel principale dar si a celor normale si intermediare in zonele de lunca cu o panta foarte sacazuta. Digitizarea s-a realizat in ArcView GIS(R)3.x dupa care foile au fost deoreferentiate si unite folosind ARC/INFO(R), datorita limitarii softului utilizat pentru digitizare.
Nu s-a tinut cont de erorile introduse prin scanare datorita influntei reduse pe care i-l au asupra rezultatelor studiului. Hartile in sine au fost foarte vechi, unele dintre ele fiind stocate in conditii nefavorabile. Cu toate acestea procesul de digitizare si cel de georeferentiere au fost realizate riguros pentru ca orice alta sursa de erori sa fie inlaturata.
2.2. Imagini satelitare ASTER
Imaginile ASTER sunt rezultatul unui amplu proiect international cunoscut sub
numele Earth Observation System (EOS), proiect al carui obiectiv principal este realizarea de observatii complexe asupra Pamantului in scopul studierii schimbarilor globale, mai ales in cele climatice. Proiectul se compune dintr-un Sistem de Observare prin Sateliti, Sisteme de Stocare si Procesare a Datelor si mai multe sub-proiecte de cercetare utilizand imaginile si datele obtinute de la acesti sateliti.
Figura 2.3. Imaginea ASTER (benzile 3N,2,1). In studiu s-au folosit benzile VNIR-3N si VNIR-3B ambele avand rezolutia de 15 metri.
Imaginea folosita in figura 3.3.face parte, din punct de vedere al gradului de preprocesare, din categoria L1A (detalii in capitolul 4b). Rezolutia benzilor folosite este de 15 metri, fapt care permite obtinerea unui model digital de elevatie (DEM) la o rezolutie de 30 metri, ideal pentru studii la scari medii si cel mai usor de obtinut cu datele comerciale existente la ora actuala.
Capitolul 3a
OBTINEREA MODELELOR DIGITALE DE ELEVATIE UTILIZAND PRODUSE CARTOGRAFICE CLASICE (HARTI TOPOGRAFICE)
In capitolul doi al acestei lucrari am dat definitia proceselor de interpolare, ajustare si triangulatie. Aceste metode sunt utilizate pentru generarea modelelor digitale de elevatie, fie de tip GRID, fie de tip TIN, in cazul in care se folosesc date culese de pe diferite produse cartografice clasice. In acest capitol intentionam sa descriem metodele de interpolare si triangulatie care au fost utilizate pentru obtinerea celor sapte DEM-uri folosite in studiu.
Produsul GIS care a fost ales pentru a realiza modelele digitale de elavatie este Arc/INFO. Acesta este un produs complex care contine un numar mare de algoritmi bine documentati in manualele de utilizare ale produsului. Toate produsele din "familia" ESRI, cat si majoritatea produselor comerciale au implementati acesti algoritmi, preluati din literatura de specialitate, astfel studiul nu este influentat sau conditionat de calitatile acestui produs. Spre deosebire de alte produse insa, arhitectura softului permite lucrul cu volume mari, fapt care a reprezentat un avantaj pentru studiul de fata.
In continuare vom prezenta metodele de interpolare, ajustare si triangulatie folosite.
3a.1.Metoda IDW (Indirect Distance Weighting) se bazeaza pe ipoteza ca influenta valorii unui anumit punct asupra valorii unui alt punct scade invers proportional cu distanta dintre ele.
Datorita limitarilor algoritmului, curbele de nivel digitizate au fost transformate in date de tip punct. Aceasta metoda da rezultate bune in cazurile in care datele prezinta o distributie foarte apropiata de cea gaussiana, su alte cuvinte sunt imprastiate aleator urmand legea normala. Acest lucru nu este cazul pentru curbele de nivel unde avem adevarate benzi de puncte separate intre ele de goluri.
Figura 3a.1. Metoda IDW. Marimea cercului se alege in functie de gradul de imprastiere a datelor si de natura acestora. Un cerc mai mare implica si un timp mai indelungat necesar pentru terminarea operatiilor cat si necesitatea de resurse mai multe.
Pentru a realiza o anumita distributie aleatoare a punctelor, din masa de puncte au fost selectate aleator 50% din acestea iar procesul a fost repetat. Metoda bazandu-se numai pe distanta dintre puncte si valorile acestora, nu este cea mai potrivita pentru interpolarea valorilor altitudinale, netinand cont de prezenta culmilor interfluviale sau a fundurilor de vale.
3a.2. Metoda Spline
Spline este o metoda de interpolare determinista, local stohastica, metoda care poate fi considerata ca echivalentul matematic al fitarii unei suprfete bidimensionale flexibile pe mai multe puncte cu o distributie neregulata. Functia polinominala folosita in procesul de interpolare poate fi de grad m sau mai mic. Un termen r induica restrictiile asupra functiei de interpolare. Astfel, cand r = 0, nu avem restrictii. Cand r =1, singura constrangere este ca functia sa fie continua. Cand r = m+1, constrangerile depind de gradul functiei.
Functia Spline de gradul 3, poarta numele de spline cubic si are urmatoarea forma generala:
z = ai (x-xi)3 + bi (x-xi)2 + ci (x-xi) + di
unde i = 1,,n. Functia spline cubica este cea mai des utilizata forma a acestei metode.
Functia thin plate spline (TPS) reprezinta varianta bidimensionala a functiei spline cubice si este functia care sta la baza majoritatii algoritmilor de interpolare care folosesc metoda spline. Functia de interpolare TPS, minizeaza curbura sau asa numita "energie de indoire".
3a.3. Metoda Topogrid
Topogridul este o metoda de interpolare special dezvoltata pentru a crea modele digitale de elevatie corecte din punct de vedere hidrologic folosind date referitoare la elevatie si retea hidrologica. Algoritmul se bazeaza pe un program denumit ANUDEM (Australian National Universitz Digital Elevaiton Model).
Metoda de interpolare a fost conceputa in asa fel incat sa fie utilizabila cu tipurile de date cele mai frecvente si sa tina cont de caracteristicile suprafetelot topografice. Apa fiind principalul factor de modelare a terenului, relieful se caracterizeaza prin existenta unui numar redus de cuvete ele fiind inlocuite de retele continue de parauri sau rauri. Cuvetele care sunt identificate in timpul procesului de interpolare sunt inventariate si in functie de optiunile utilizatorului sunt inlaturate sau nu. Procesul de inlaturare consta in determinarea potentialelor linii de scurgere ale apei in zonele din proximitatea cuvetelor si umplerea progresiva a acestora.
La inceputul procesului de interpolare algoritmul TOPOGRID foloseste curbele de nivel in scopul construirii unei retele hidrografice generalizate. Dupa ce morfologia suprafetei de teren a fost stabilita, curbele de nivel sunt utilizate pentru a interpola valorile pixelilor care compun DEM-ul. Algoritmul foloseste o metoda de interpolare care pleaca de la un model digital de elevatie cu o rezolutie joasa care este apoi progresiv marita pana se ajunge la cea aleasa de utilizator.
3a.4. Reteaua de Triunghiuri Neregulata (TIN)
TIN-urile sunt obtinute printr-un proces denumit triangulatie, existand mai multi algoritmi, cel mai cunoscut si mai des utilizat fiind triangulatia Delaunay. Numarul punctelor utilizate in constructia unui TIN poate fi egal sau mai mic cu numarul punctelor existente in datele de intrare. Numarul punctelor este mai mic in cazul in care punctele nesemnificative sunt inlaturate, existand un numar mare de algoritmi dezvoltati in acest scop. Algoritmul implementat in produsul Arc/INFO foloseste triangulatia Delaunay pentru crearea TIN-urilor.
Figura 3a.2. Triangulatia Delaunay. Triunghiurile sunt formate in asa fel incat cercurile in care se inscriu sa nu contina alte puncte decat cele trei muchii
Algoritmul foloseste un cerc de cautare pentru selectarea punctelor care vor forma triunghiul. Inainte de a crea un triunghi algoritmul verifica daca cercul tn care s-ar tnscrie triunghiul contine sau nu alte puncte decat cele trei care formeaza muchiile triunghiului. In cazul in care raspunsul la aceasta intrebare este pozitiv, triunghiul este abandonat si sunt selectate alte puncte. Avantejele indeplinirii acestei conditii sunt urmatoarele: obtinerea unor triunghiuri foarte apropiate de cele echilaterale, toate punctele de pe suprafata rezultata sunt cel mai aproape de una din muchiile triungiurilor si cel mai indepartate de celelalte, triangulatia nu depinde de numarul de puncte care sunt folosite in proces.
Datorita naturii lor, curbele de nivel pot introduce erori in TIN, erori care se materializeaza prin triunghiuri orizontale.
Figura 3a.3. Triangulatia fara si cu utilizarea breakline-urilor
In fig. 3a.3. (sus) sageata indica asemenea triunghiuri. Aceste triunghiuri pot fi inlaturate folosind date suplimentare introduse sub forma breakline-urilor sau linii de schimbare a pantei. In aceeasi figura (jos) sagetile indica efectul unei asemenea linii asupra procesului de triangulatie care se formeaza. Pentru a putea fi folosite ca si breakline-uri, liniile retelelor hidrografice sau culmile interfluviale trebuie sa contina si informatii referitoare la elevatia fiecarui punct sau segment component. Asemenea informatii sunt de multe ori absente datorita dificultatii de a le capturafolosind produse cartografice clasice, astfel absenta triunghiurilor cu panta nula este o raritate.
Capitolul 3b
SENZRUL SI IMAGINILE ASTER
Asa cum am mentionat si in capitolul anterior intreg proiectul ASTER reprezinta o parte a EOS, un proiect international al carui obiectiv principal este realizarea unor observatii complexe asupra fenomenelor de pe Terra si generarea unui sir de date continue in diverse aplicaiii viitoare.
Proiectul ASTER este coordonat de institutii si oameni de stiinta din Japonia si SUA. Principalele obiective ale proiectului ASTER sunt:
In acest capitol vom prezenta principalele caracteristici ale proiectului ASTER cu accentul pe imaginile utilizabile in crearea de modele digitale de elevatie, structura si modul de captare a acestora.
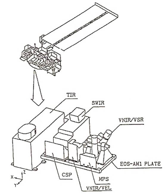
3b.1. Satelitul TERRA si senzorul ASTER
Figura 3b.1. Satelitul Terra si configuratia senzorului ASTER.
In acest subcapitol vom prezenta pe scurt principalele caracteristici, atat ale satelitului Terra cat si ale senzorului ASTER. Senzorul ASTER este unul din cei cinci senzori aflati la bordul satelitului Terra, satelit cu o orbita heliosincrona la o altitudine medie de 705 kilometri. Perioada de revizitare a aceluiasi areal este de 16 zile, parametri orbitei sunt similari cu cei ai satelitului Landsat. Mai multe detalii sunt prezentate in tabelul de mai jos:
|
Orbita |
Heliosincrona |
|
Axa semi-majora |
|
|
Excentricitate | |
|
Ora survolarii |
10:30 AM +/- 15 minute |
|
Altitudine |
700 - |
|
Unghiul de inclinatie |
98.2o +/- 0.15o |
|
Perioana de revenire |
16 zile (233 rezolutii in 16 zile) |
|
Distanta dintre orbite adiacente |
|
|
Durata unei revolutii |
98.9 minute |
Tabelul 3b.1. Parametrii orbitei satelitului TERRA
Pentru a indeplini obiectivele proiectului, senzorul ASTER este format din trei radiometre separate cu proprietati spectrale si rezolutii diferite. Sistemul VNIR (Visible and Near-InfraRed) realizeaza observatii in spectrul vizibil si infrarosu apropiat la o rezolutie de 15 metri. Sistemul SWIR (Short Wavelenght InfraRed) realizeaza observatii in spectru infrarosu termal la o rezolutie de 90 metri. Suprafata de teren acoperita de o iagine este de 60x60 kilometri. Pentru a ilustra mai bine calitatile si proprietatile acestui senzor vom realiza o comparatie dintre acesta si senzorul Landsat 7 ETM+ prin cateva tabele:
Tabelul 3b.2. Caracteristicile senzorului ASTER (adaptat in parte dupa /7/)
Tabelul 3b.3. Caracteristicile senzorului ETM+ (adaptat in parte dupa /8/)
Tabelul 3b.4. Landsat 7 ETM+ vs. ASTER (rezolutie spectrala)
Figura 3b.2. Un exemplu de raspuns spectral in cele 14 benzi. Cele trei grafice reprezinta cele trei sisteme: VNIR, SWIR si TIR.
3b.2. Principalele categorii de date rezultate in urma proiectului ASTER.
Exista deja un volum ridicat de date rezultate din acest proiect, date utilizate intr-o gama variata de aplicatii. In tabelul urmator vom prezenta principalele categorii de date rezltate din proiectul ASTER:
Tabelul 3b.5. Principalele categorii de date rezulate di proiectul ASTER
Pachetul L1A este format din imagini, coeficienti de corectie radiometrici si geometrici si o serie de date auxiliare. Important este faputul ca acesti coeficienti nu sunt aplicati imaginilor si in felul acesta valorile pixelilor nu sunt modificati in detrimentul analizlor care necesita valorile cele mai apropiate de cele reale. Coeficoentii radiometrici sunt determinati prin masuratori efectuate inainte de lansare si dupa lansare, iar cei geometrici contin informatii despre pozitia satelitului in momentul realizarii imaginii si date necesare alinierii celor 14 benzi.
Pachetul L1B este format din imagini, coeficienti de corectie radiometrici si geometrici si date auxiliare, diferenta fiind aplicarea corectiilor si o calitate mai ridicata a imaginilor. Imaginile din acest pachet sunt folosite in studii care necesita analize pe imagini dar nu pentru generearea unor nivele de date superioare.
Figura 3b.3. Structura pachetului AST_L1A
Figura 3b.4. Structura pachetului AST_ L1B
Structura compplexa a celor doua pachete necesita si un format special al fisierelor care poate stoca atat imagini cat si toate datele suplimentare si auxiliare. Formatul HDF (Hierarchical Data Format) a fost dezvoltat de catre NCSA (National Center for Supercomputing Applications) si a devenit format standard al tuturor produselor rezultate di proiectul EOS.
Figura 3b.5. Orientarea
celor doua telescoape ale sistemului VNIR si modul de captare a
imaginilor. Unghiul
dintre cele doua telescoape este de 27.60o, fapt pentru care
preluarea imaginii 3B incepe sa fie facuta la
Formatul a lost dezvoltat cu scopul de a facilita utilizatorii in transferul de date intre diferite platforme sau sisteme de operare. Structura formatului face ca toate informatiile referitoare la date si fisierul in sine sa fie stocate de el insusi. Imaginile satelitare cat si restul datelor spatiale trebuie sa fie si georeferentiate, lucru care nu este suportat de formatul HDF, astfel NASA fiind nevoita sa dezvolte formatul HDF-EOS. Toate programele care au fost dezvoltate pentru formatul HDF pot accesa si manipula, dar numai cu anumite limitari, formatul HDF-EOS.
Figura 3b.6. Modul de determinare a altitudinii. Marimea Δx corespunde cu diferenta de paralaxa (Δp) si x1 cu valorile lui B. Δh este egal cu raportul (x1-x2)/tg(α), de unde Δh=Δp/ tg(α),. Astfel Δh≈H+ Δp/B
Asa cum am amintit si mai sus, sistemul VNIR este compus di doua telescoape. Aceasta arhitectura a fost aleasa de catre proiectanti datorita posibilitatii de a obtine o valoare ridicata a raportului B/H, ceea ce duce la marirea performantei si obtinerea unor imagini din care se pot genera modele digitale de elevatie cu o acuratete ridicata.
Pentru a calcula diferentele de paralaxa si pentru a obtine modele digitale de elevatie folosind perechea de imagini stereo a sistemului VNIR, cercetatorii din cadru proiectului ASTER folosesc metoda cercetarii spatiale a imaginilor stereo. Se intentioneza utilizarea soft-urilor comerciale, astfel algoritmul de generare a modelelor digitale de elevatie difera de la un program la altul si nu este intotdeauna facut public de producatorii acestora.
Produsele din categoria AST 14DEM sunt de doua tipuri: relative si absolute. Prin relativ se intelege, un model digital de elevatie, la producerea caruia nu s-au utilizat puncte de control, ci doar date auxiliare stocate in pachetul L1A. Modelele digitale de elevatie absolute sunt cele la obtinerea carora s-au utilizat puncte de control. Acuratetea acestora depinde numai de acuratetea punctelor de control utilizate, iar asemenea DEM-uri sunt realizabile cu orice soft specializat.
Figura 3b.7. Un exemplu de proces de generare a unui model digital de elevatie relativ. Procesul nu implica utilizarea punctelor de control, folosindu-se numai datele auxiliare stocate in pachetul AST_L1A.
Capitolul 4
METODELE DE EVALUARE SI COMPARATIE A MODELELOR DIGITALE DE ELEVATIE
Valoarea unui model digital de elevatie depinde in foarte mare masura de natura aplicatiilor la care se intentioneaza folosirea acestuia. Erorile care apar in DEM-uri pot sa aiba o influenta nesemnificatiza asupra rezultatelor unei aplicatii si in acelasi timp pot sa modifice complet rezultatele eltora. Acest lucru se datoreaza modului in care erorile pot fi sau nu accentuate de anumite opratii la care este supus un model digital de elevatie.
Un DEM de tip GRID poate fi considerat cat o suprafata continua din punct de vedere matematic, astfel fiind posibila calcularea derivatelor partiale ale suprafetei in oricare din punctele acestuia. In practica, aceste derivate sunt aflate, fie prin calcularea diferentelor din interiorul unui filtru rectangular care parcurge DEM-ul, fie prin fitarea unui polinom la valorile din interiorul aceluiasi filtru.
Derivatele de ordinul intai reprezinta de fapt inclinarea si orientarea pantei, iar cele de ordinul doi curbura orizontala si curbura profilului. Aceste derivate sunt cunoscute in literatura de specialitate sub denumirea de indici topografici simpli sau de ordinul intai. Exista o serie de indici care se calculeaza cu ajutorul celor de ordinul intai, si poarta denumirea de indici topogrfici complecsi.
4.1.Inclinarea si orientarea pantei
Principala diferenta intre algoritmii dezvoltati in scopul calcularii inclinarii si orientarii pantei consta in numarul de celule folosite si ponderile etribuite fiecarei dintre acestea. Cei mai des utilizati algoritmi folosesc intre patru si noua celule dintr-o fereastra mobila de 3x3 celule, centrata asupra celulei a carei panta este determinata.
Exista un numar considerabil de algoritmi prezentati in literatura de specialitate, o descriere buna a acestora fiind prezentata de Jones (1998). In acest subcapitol vom prezenta cei mai folositi algoritmi.
Algoritmul Horn (Horn,1981) reprezinta o varianta modificata a metodei propuse de Sharpnack si Akin (1969) si calculeaza inclinarea si orientarea pantei unei celule folosind valorile celor 8 celule vecine.
Figura 4.1. Celula a carei valoare este calculata (z) si cele 8 celule vecine
Acest algoritm nu ia in considerare elevatia celulei aflate in centrul filtrului, fapt care conduce la rezultate cu o acuratete mai scazuta in cazul in care relieful se caracterizeaza prin mici cuve sau domuri sau daca celula in cauza este parte a unei vai sau culmi interfluviale (Dunn & Hicket, 1998).
Algoritmul Zevenbergen & Thorne (Zevenbergen & Thorne, 1987), initial propus de Fleming & Hofer (1979) si imbunatatit de primii, utilizeaza un polinom de gradul patru care este fitat celor noua puncte din interiorul filtrului de marime 3x3 pentru a estima panta. Aceasta metoda foloseste numai valorile celor patru celule vecine situate in cele patru directii cardinale (celulele z2, z4, z6 si z8) astfel fiind mai putin sensibila la variatiile valorilor acestora. Limitarile algoritmului Horne sunt valabile si pentru acesta, metoda Zevenbergen & Thorne fiind ideala in cazul suprafetelor netede cu variatii minore, line ale pantei.
Figura 4.1. Inclinarea si orientarea pantei calculate folosind algoritmul Zevenbergen & Thorne. Suprafata reprezinta un sub-bazin a zonei Viseu-Iza.
Algoritmul gradientului maxim (maximum downward gradient) a fost propus de Shanboltz et al (1990) si calculeaza panta ca fiind egala cu diferenta maxima dintre valorile altitudinale ale celulei centrale si a celor opt celule vecine din interiorul ferestrei de marime 3x3. ecuatia folosita in acest scop poate fi scrisa astfel:
tgβ1 = │z-z1│/d',
unde d' reprezinta distanta dintre centrul a doua celule vecine si este egala cu 21/2d in cazul celulelor vecine pe directia diagonala si d in cazul restului celulelor.
Orientarea pantei poate avea, datorita algoritmului, una din cele opt valori distincte, si anume: 0o, 45o, 90o, 135o, 180o, 225o, 270o si 315o corespunzanad orientarii fata de direntia Nord a celor opt celule vecine din cadrul ferestrei de marimea 3x3. dezavantajul acestui algoritm este supraestimarea pantei (Dunn & Hicket, 1998).
O metoda similara celei amintite mai sus a fost propusa de Hickey et al. (1994) si calculeaza panta folosind ecuatia:
tgβ1 = max(z-z1)/ d'
Metoda elimina problema celui anterior, astfel nu mai apar supraestimari ale pantei iar variatiile locale sunt mentinute.
Metoda polinomului de gradul patru (constrained quadratic surface method) propusa de Wood (1996) creaza o origine x-y-z in centrul celulei din mijlocul ferestrei,valorile eltitudinale ale celulelor vecine fiind exprimate relativ de aceasta origine. In cazul TIN-urilor, inclinarea si orientarea fiecarui triunghi ale retelei reprezinta si inclinarea si orientare pantei planului care trece prin nodurile triunghiurilor.
Figura 4.2. Curbura in profil si curbura orizontala calculate folosind algoritmul Zevenbergen & Thorne.
4.2.Curbura reliefului
Curbura reliefului reprezinta rata de schimbare a inclinarii pantei. Curburile cele mai des calculate sunt curbura orizontala (Ch) si curbura in profil (Cp). Curbura orizontala reprezinta o masura a convergentei sau divergentei reliefului, iar cea in profil este o masura a gradientului pantei, influentand acceleratia sau deceleratia scurgerii si astfel procesele de eroziune si sedimentare.
Algoritmul Zevenbergen & Thorne calculeaza curbura unei suprafete pe baza diferentei de valori ale celulelor vecine. Pentru fiecare celula, un polinom de ordinul patru este fitat la suprafata formata de fereastra de marime 3x3. Coeficientii A, B, C, D, E, F, G, H, I, sunt calculati folosind aceasta suprafata. Relatia dintre acesti coeficienti si valorile celor noua celule sunt prezentate mai jos:
A=[(z1+z3+z7+z9)/4-(z2+z4+z6+z8)/2+z5]/d
B= [(z1+z3-z7-z9)/4-(z2-z8)/2]/d3
C= [(-z1+z3-z7+z9)/4+(z4-z6)]/2]/d3
D= [(z4+z6)/2-z5]/d2
E= [(z2+z8)/2-z5]/d2
F= (-z1+z3+z7-z9)/4d2
G= (-z4+z6)/2d
H= (z2-z8)/2d
I= z5
Curbura orizontala si cea in profil sunt calculate folosind formulele:
Ch=2(DH2+EG2-FGH)/(G2+H2)
Cp=2(DG2+EH2-FGH)/(G2+H2)
Curbura totala (tangentiala) reprezinta curbura suprafetti in sine si este deseori utilizata in locul celor doua amintite mai sus. Valorile curburii sunt pozitive cand suprafata este convexa si negative cand aceasta este concava. Valorile zero indica o suprefata plata.
Curbura totala a suprafetei este calculata folising expresia:
C=2(D+E).100
4.3.Directia scurgerii superficiale
Retelele de scurgere, raurile, interfluviile si bazinele hidrografice, toate, reprezinta componente importante ale peisajului si sunt materia prima a modelelor matematice distribuite. Toate aceste elemente pot fi introduse intr-o baza de date sau pot fi calculate prin intermediul algoritmilor existenti, direct de pe modelel digitale de elevatie. In acest subcapitol vom prezenta numai cele mai importante dintre modelel utilizate in scopul calcularii directiei scurgerii superficiale.
Algoritmul D8 (Deterministic Eight) a fost propus de O'Callaghan & Mark (1984) si a fost utilizat intr-un numar considerabil de studii datorita usurintei de implementare. Acesta este cel mai simplu algoritm si foloseste un filtru de marime 3x3 pentru calcularea directiei scurgerii superficiale. Algoritmul D8 calculeaza directia scurgerii superficiale prin aproximarea acesteia cu cu directia inclinarii maxime a pantei, acest lucru ducand la o discretizare a valorilor in unitati de 45 grade (vezi figura 5.3.).
Figura 4.3. Ddirectia scurgerii calculata folosind metoda D8. In partea de sus avem valorile care sunt atribuite fiecarei celule in functie de directia scurgerii superficiale. In partea de jos avem de la stanga la dreapta: valori altitudinale ale celulelor, valori atribuite fiecarei celule in functie de directia scurgerii superficiale si sagetile indicand directia scurgerii.
Acest logaritm este foarte similar cu cel al gradientului maxim folosit pentru determinarea gradului de inclinare si orientare a pantei. In cazul algoritmului D8 o celula poate deversa numai intr-o singura directie, astfel directia scurgerii si reteaua de scurgere superficiala avand o configuratie cu posibile restrictii, scurgerea realizandu-se ori intr-o directie cardinala ori pe diagonala.
Algoritmul Rho8 (Random Eight) a fost propus de Fairfield & Lezmarie (1991) si reprezinta o versiune imbunatatita a primului (D8). Acest algoritm a fost dezvoltat pentru a elimina una din problemele algoritmului D8 si anume influenta mare a unor orientari ale pantei asupra directiei scurgerii superficiale. Ca in cazul algoritmului anterior, scurgerea de la o celula se realizeaza numai in directia unei singure celule vecine, dae aceasta celula este aleasa aleator. Datorita componentei stohastice aceasta metoda da rezultate mai bune decat algoritmul D8 dar nu poate modela dispersia.
O alternativa la acest algoritm este folosirea metodei D8 alaturi de o simulare Monte Carlo. Se poate estima o eroare medie patratica a modelului digital de elevatie dupa care se determina directia scurgerii superficiale folosind metoda D8. Valorile rezultate se stocheaza si procesul se repeta de 100 de ori obtinandu-se un grid al directiilor cele mai probabile.
Algoritmii FD8 si Frho8 reprezinta versiuni imbunatatite ale D8 si Rho8, fiind dezvolati pentru a elimina limitarea referitoare la modelarea dispersiei. Aceste metode permit deversarea la mai multi vecini. Exista o serie de reguli pe baza carora se stabileste procentul primit de fiecare din celule cu o altitudine mai redusa decat celula deversoare.
Algoritmul DEMON (Digital Elevation Model Networks) a fost propus de Costa-Cabral & Burges (1994) si difera de restul prin modul in care abordeaza problema acumularii si disiparii scurgerii. Fiecare celula a sistemului este considerata o sursa sau cu alte cuvinte o celula deversoare. Rezultatele sunt similare cu cele ale metodelor FD8 si Frho8. Directia scurgerii coincide cu directia inclinarii maxime a pantei.
Metoda D∞ (Deterministic Infinity) este cea mai recenta si a fost propusa de Tarboton (1997). Algoritmul utilizeaza o retea de triunghiuri in locul suprafetelor fitate, pentru determinarea directiei scurgerii. O retea formata din opt triunghiuri etse creata prin unirea centrilor celulelor din interiorul unui filtru de marime 3x3 (vezi figura 5.5.).
Figura 4.5. Directia scurgerii
calculata prin
Intermediul metodei D∞. Sageata indica diretia
inclinarii maxime a pantei.
Fiecare dintre aceste triunghiuri are un vector al orientarii pantei, cand este trasat de la centrul celulei poate forma un unghi cu o valoare situata in interiorul sau in afara intervalului [0o,45o]. In cazul in care valoarea unghiului apartine acestui interval, acesta reprezinta directia scurgerii acelui triunghi. In caz contrar directia scurgerii acelui triunghi este directia ipotenuzei.
In cazul modelelor de tip TIN, determinarea directiei scurgerii superficiale se realizeaza mult mai simplu. Liniile de scurgere pot fi incorporate TIN-ului sub forma breakline-urilor, iar directia scurgerii este determinata urmarind directia inclinarii maxime a pantei. Algoritmii pentru determinarea parametrilor bazinelor hidrografice in scopul modelarii hidrologice, folosind Tin-uri au fost dezvoltate de Nelson et al (1994) si Garg & Sen (1994).
4.4.Acumularea scurgerii, Arealul de contributie la scurgere, Suprafata bazinala specifica si Lungimea scurgerii
Acumularea scurgerii, in cazul unui model digital de elevatie de tip GRID, se calculeaza prin sumarea numarului de celule care deverseaza in alte celule. GRID-ul acumularii scurgerii depinde in mare masura de metodele utilizate pentru determinarea directiei scurgerii superficiale si se poate folosi in scopul delimitarii bazinelor hidrografice, extragerii retelelor de rauri si a culmilor interfluviale, calcularea arealului de contributie la scurgere si a suprafetei bazinale specifice.
Culmile interfluviale pot fi extrase prin gasirea acelor celule care au o valoare a acumularii scurgerii egala cu 0, cu alte cuvinte nu sunt receptori.
Retelele de rauri pot fi extrase prin stabilirea unui prag care reprezinta numarul minim de celule deversoare care sunt necesare pentru a forma un rau.
Arealul de cotributie (As) a fost definit de Moore et al (1991) ca suprafata situata in amonte de o celula, sau un segment scurt de curba de nivel, suprafata pe care apa este deversata in celula respectiva.
Suprafata bazinala specifica (a) se defineste ca arealul de contributie impartit la lungimea unitara a curbei de nivel. In cazul modelelor digitale de tip GRID, arealul de contributie la scurgere reprezinta arealul care deverseaza intr-o celula.
Lungimea scurgerii reprezinta lungimea maxima a tuturor cursurilor posibile de apa masurata de la lungimea modelului digital de elevatie la fiecare din celulele acesteia. Lungimea scurgerii poate fi calculata folosing GRID-ul directiei scurgerii superficiale generate folosind metoda D8 sau Rho8. Agoritmii folositi in scopul calcularii lungimii scurgerii, determina toate lungimile posibile ale cursurilor de apa dar iau in considerare numai pe cea maxima. Lungimea scurgerii este utilizata in calcularea timpului necesar scurgerii apei pe o anumita distanta pentru ca timpul este definit ca si lungimea scurgerii impartita la viteza medie de scurgere
4.5.Indicii topografici complecsi
Cum am menbtionat si la inceputul acestui capitol indicii topografici sunt acei indici care se calculeaza prin intermediul celor de ordinul intai, si anume inclinarea si orientarea pantei, curbura reliefului, arealul de contributie la scurgere si formeaza baza modelelor matematice de suprafata ca TOPMODEL.
Idea folosirii indicilor topografici in scopul modelarii fenomenelor naturale a fost propusa de Beven & Kirkby (1979) si de O'Lougblin (1981) si a devenit si mai puternica odata cu integrarea modelelor hidrografice cu sistemele GIS si a dezvoltarii tehnicilor de grafica pe calculator.
Indicele de umiditate (Wetness Index) a fost propus de Beven & Kirkby (1979) si este folosit in scopul detetrminarii influentei reliefului asupra distributiei zonelor saturate si a umiditatii solului. Acest indice ia in considerare panta terenului si caracteristicile arealului de contributie la scurgere. Indicele de umiditate are valori ridicate in zonele de vale, aceste valori saazand proportional cu marimea distantei fata de cursurile de apa si altitudine. Cu toate ca relieful joaca un rol important in descrierea modului in care se realizeaza scurgerea din interiorul solului, in zonele cu o panta accentuata, alti factori devin mai importanti in zonele cu un relief mai domol si pante mai line.
Indicele de umiditate este folosit cel mai des cu scopul de a determina zonele umede si uscate ale unui teritoriu, cu alte cuvinte de a identifica zonele saturate unde se produce o scurgere superficiala. Indicele mai pote fi folosit si ca o co-variabila in calcularea distribitiei umiditatii solului prin interpolare. Acuratetea indicelui de umiditate calculat, depinde in mare masura de algoritmul utilizat in calcularea directiei scurgerii.
Indicele de eroziune (Stream Power Index) reprezinta o masura a energiei potentiale (energia reliefului) care poate fi consumata intr-o anumita perioada de timp. Greutatea specifica a apei poate fi considerata constanta, iar debitul unitar este proportional cu As, cu alte cuvinte indicele de eroziune se calculeaza prin ecuatia:
SP=As.tgβ (4.5.1)
Indicele de transport (Sediment Transport Index) este folosit in determinarea valorii potentiale ale eroziunii in anumite zone ale bazinului hidrografic. O forma modificata a acestui indice este folosita in identificarea zonelor de eroziune si/sau sedimentare.
Desmet & Govers (1996) au propus o forma a indicelui de transport bazata pe potentialul de eroziune a solului. Acest indice este utilizabil in cazul suprafetelor arabile si in identificarea proceselor de ravenatie. Indicele se calculeaza cu formula urmatoare:
ST = k2 . k1 . βm . Asn (4.5.2)
unde k2 este un factor de proportionalitate, k1 este un coeficient de proportionalitate (avand valoare 4), iar m si n sunt constante cu valorile 1.4 si respectiv 0.5.
Partea II.
SCOPUL IMAGINILOR CA O UNEALTA PENTRU ANALIZELE ECOLOGICE A PLANURILOR INUNDATIILOR DIN RAURI
1.Abstract
Un tel major pentru oamenii de stiinta este acela de a castiga intelegerea statelor, functionalitatea si dinamica ecosistemelor pentru rauri si planurile inundatiilor. Din pacate este nevoie achizitionarea datelor cu proprietati biogeochimice a acestor acosisteme (productivitate, stabbilitate, etc.) sau a spatiilor modele a acestor peisaje (fragmentarea, conexiunea). La nivelul scarii spatiale si scarii temporale mutarea permite doar colectarea datelor practice.
2.Introducere
Ecosistemele raurilor au o functie hidrologica: ele actioneaza pentru a reduce nivelul inundatiilor si ca areale de apa subterana incarcata si descarcata. Functia lor biogeochimica consta in capacitatea lor de a capta solidele suspendate si nutrientii (Bayley 1995). Raurile si tinuturile lor umede permit o varietate de habitate pentru plante si animale si sunt cunoscute ca ecosisteme bogate in specii (Sparks 1995). Acestea sunt importante ca areale pentru hranire si respiratie pentru speciile de animale.
Conservarea si refacerea acestor ecosisteme bogate duce la cresterea necesitatii de inventariere si monitorizare. Scopul mutarii ca o potentiala unealta pentru astfel de analize a fost propus de Solbrid 1991, Lubchenco et al. 1991, Stoms & Estes 1993. Din cauza capabilitatii multispectrale mutarea prezinta o perspectiva unica in masurarea si observarea caracteristicilor biofizice (Lillesand & Kiefer 1994).
Abilitatea de a detecta si observa schimbarile temporale intr-un habitat este un atribut major pentru a evalua si a gasi solutii de conservare si refacere pentru managementul ecosistemului.
3. Principalele mutari in apa dominator de peisaje
Mutarea implica detectarea si inregistrarea valorilor emise sau reflectarea de catre radiatia electromagnetica utilizand senzorii emisi din platformele aeriene sau spatiale:
Majoritatea sistemelor comune lucreaza in unul sau mai multe spectre vizibile. Din cauza energiei ce interactioneaza in atmosfera, a absorbtiei mutarea datelor este limitata "ferestrele atmosferei"unde undele radiatiei electromagnetice pot fi detectate. Valorile radiatiilor electromagnetice depind de radiatia incidenta si de modul in care suprafata Pamantului reflecta aceasta energie. Proportionalitatea energiei reflectate variaza diferit.
Pentru a analiza apa dominanta din peisaje, este nevoie de a avea o buna cunostinta in ceea ce priveste apa reflectata spectral.Spectrul reflectant al apei se afla in partea albastra a spectrului si langa 0 in apropierea IR.
4.Tratamentul satelitului informator
Valorile radiatiilor pot fi inregistrate in format analog sau in format digital.Imaginea digitala construita poate fi interpretata vizual sau poate fi analizata in format digital cu ajutotul calculatorului.Interpreatarea vizuala consta in redarea fiecarei radiatii o valoare pentru un pixel cu o culoare corespunzatoare(de exemplu una din 256 de nuante gri,sau o culoare intensa vizibila) si apoi analizand culoarea se compune imaginea vizuala.Interpreatarea digitala consta intr-o clasificare automata,fiecare valoare spectrala intrand intr-o clasa.
5.Tratamente specifice arealelor de apa dominante
5.1.Imaginile compuse din culori
Imaginile compuse din culori pot fi redate din orice setari digitale.Majoritatea imaginilor sunt pre-procesate inainte de a fi analizate,imaginile originale pot sa nu permita multe informatii despre obiectul de interes.Procesarea imaginilor digitale presupune operatiunile computerului ca un intensificator de contrast,analiza cluster,reorganizata de PCA(Principal Component Analysis).
5.2.Utilizarea indicelor
Indicii vegetatiei se bazeaza pe sinteza multispectrala originala.Indexul rezultat exprima caracteristicile matematice ale imaginei.Modelele de ecosisteme pot folosi datele pentru a deriva estimarile cantitative a proceselor dintr-unecosistem de interes pentru ecologisti(cum ar fi:evapotranspiratia,forosinteza,respiratia,descompunerea).
5.3.Schimbarea procedurilor de detectie
Schimbarea detectiei implica folosirea setarilor multitemporate pentru a discrimina schimbarile in habitat dintre imaginile satelitare in doua date.Rezultatele sunt usor de interpretat cand datele sunt cu aceiasi senzori,in acelasi timp al anului si in acelasi timp din zi.
Partea III.
Utilizarea Sistemelor Informationale Geografice si izolarea lor pentru managementul raurilor:Regiunea Thame,Agentia de Mediu UK
1.Abstract
Agentia de Mediu din UK pentru Regiunea Thame constitue o dezvoltare si un folos pentru Sistemele Informationale Geografice(GIS).Mult dupa anii 1980 si o data cu anii 1990,proiectul cu date a inclus folosirea a 4 sisteme.Analiza Sistemului Spatial adoptata in 1990 a fost mult mai ieftina decat MapInfo,"un ajutor prietenos" in retelele GIS,bun pentru realizarea hartilor pe desktop,dar limitat pentru capabilitatile analitice.
ArcView,asemanator cu MapInfo,dar cu capabilitati mult mai bune a fost adoptat inca din 1970.Un trend notabil este acela de a folosi internetul pentru a distribui datele GIS catre Agentia de Mediu si publicul general.
2.Introducere
Agentiile de Mediu din Anglia si Wales constituie un succesor al organizatiilor de mediu.Autoritatile Apelor Regionale Britanice au fost particulare in 1989,apa si canalizarea intrand in responsabilitatile companiilor autorizate,in timp ce monitorizarea si protectia apelor a devenit responsabilitatea Autoritatilor Nationale a Raurilor(NRA).Agentiile de Mediu sunt organizate in 8 Regiuni,bazate pe captarea raurilor de granita.
3.Intelegerea GIS-ului
3.1.Geo-Facilities Information System(GFIS)
In 1988 GFIS,o ramura principala a GIS-ului dezvoltata de catre IBM,a devenit primul sistem folosit in managementul Regiunii Thame.
GFIS era un vector GIS asociat intr-o data de baze,proiectat pentru management.Autoritatile Apelor din Thame erau convinse ca GFIS ar putea lua 2 retele majore:1) canalizarea si stocarea apei din conducte si 2) captarea canalului de rau dinThame.Nefiind permisa harta de baza digitala,prima sarcina a fost scanarea:1:10,000.Aceste inagini au fost folosite ca fundal pentru ecranul digital a unor retele de rauri.Detaliile despre fiecare entitate trebuie sa fie puse intr-un cadru de date de baza,executat de programele externe.
3.2.The Spatial Analysis System(SPANS)
RegiuneaThame avea nevoie sa caute un mod usor si multilateral de utilizare ca inlocuitor pentru GFIS,insa nu vroia sa piarda datele salvate in baza de date ale GFIS-ului.SPANS putea sa prelucreze imaginile satelitare.In perioada 1989-1996,Era SPANS,grupul GIS a castigat multa experienta ca "departament de servicii",producand harti si statistica pentru: NRA,grupuri de utilizatori.
Cum SPANS nu a fost proiectat sa realizeze o productie cartografica variata si de calitate superioara,grupul GIS a realizat procese de transfer pentru datele geografice.
3.3.MapInfo
In 1996,Regiunea Thame a ales MapInfo(https://w.w.w.mapinfo.com) ca unealta principala pentru GIS.MapInfo nu a fost asa de performant ca SPANS,dar era mult mai usor de folosit.
Cu acest program se poate da locatia sau se poate gasi pozitia unui site doar cu ajutorul selectarii unei harti sau a codului postal(Figura 4).
3.4.ArcView
Chiar dupa infiintarea Agentiei de Mediu din 1996,a fost luata o decizie pentru toate regiunile de a folosi programele software de GIS.Dupa o investigatie completa,produsele cu marca Arc ce apartineau firmei ESRI(Environmental Systems Research Institute),au fost alese in 1997.Echivalentul Arc pentru MapInfo,ArcView a fost folosit in Regiunea Thame inca din 1998.Peste 300 de informatii sunt acum disponibile pentru utilizatorii din retea.
Acum ca toate Agentiile Regionale de Mediu folosesc produsele Arc,a fost posibila planuirea dezvoltarii software de GIS.Acum toate cele 8 Agentii Regionale de Mediu din UK:a) folosesc acelasi software si b)sunt inter-conectati la internet,beneficiile sistemului dezvoltat poate fi implementat la scara nationala.
4.Cazuri studiate
4.1.Pescuitul
Raul din Thame a fost poluat de catre statele cu poluare ridicata in anul 1950 si acum este cel mai curat rau din lume.Unul dintre indicatorii in general pentru sanatate din Thame il constituie numarul de specii de pesti ce se gasesc in rau.Functionarii pescarilor deruleaza un program de monitorizare contunuu,inregistrand numarul si marimea speciilor variate.
SPANS a fost folosit pentru a analiza aceste date,creand harti si statistici pentru a intocmi rapoarte.Cele mai folositoare au fost hartile tematice ce aratau atat distributia speciilor de pesti,cat si dinamica populatiilor de pesti anuala(Figura 2).
4.2.Planning-ul
O mare suprafata din utilizarea programului Arc View se afla in planning,unde Agentia de Mediu are la dispozitie 28 de zile pentru a participa la planning-ul organizat de autoritati,in redarea unui plan dezvoltat.
Datele GIS includ protectia zonelor,zonele sensibile cu nitrat,peisaje contaminate,conservarea sit-urilor.
LEAP(Local Environmental Agency Plans) constituie principalul proiect de planning environmental.ArcView furnizeaza foarte multe ststistici LEAP folositoare,care sunt greu de calculat.
Concluzii
Sistemele GIS sunt foarte inportante si usor de folosit. Ele faciliteaza munca specialistilor prin calcularea automata a datelor, care trebuie doar introduse.
Oricine poate folosi un sistem GIS daca il intelege. Majoritatea Agentiilor de Mediu au acces la acest sistem, iar acuma mai nou si publicul il poate folosi.
In general, cu acest program, specialistii in GIS pot efectua in urma unor calcule harti, care pot fi: topografice, digitale. De asemenea se poate da locatia unui site, doar prin selectarea unei harti sau a codului postal.
Sistemul GIS cuprinde mai multe programe: MapInfo, ArcView, iar fiecare program are rolul lui.
Bibliografie
|
Politica de confidentialitate | Termeni si conditii de utilizare |
Vizualizari: 7137
Importanta: ![]()
Termeni si conditii de utilizare | Contact
© SCRIGROUP 2025 . All rights reserved