| CATEGORII DOCUMENTE |
| Demografie | Ecologie mediu | Geologie | Hidrologie | Meteorologie |
TEHNOLOGIA DE EXECUTIE A LUCRARILOR MINIERE DE INCHIDERE A ABATAJELOR IN CAZUL METODEI DE EXPLOATARE CU BANC SUBMINAT APLICATA LA STRATE GROASE CU INCLINARE MARE
In subteran, lucrarile de izolare in vederea inchiderii lucrarilor miniere constau din executarea de diguri de izolare din ciutaci,. din dubla zidarie de boltari cu si fara fereastra de trecere si din beton monolit, simbolizarea acestor diguri fiind:
Dic - dig din ciutaci de lemn rotund;
Diz - dig din dubla zidarie de boltari;
Dizf - dig din dubla zidarie de boltari, cu fereastra;
Dib - dig din beton monolit.
Pentru a se asigura accesul in zona sunt necesare lucrari de planare-reprofilare, precum si lucrari de consolidare a sustinerii intersectiilor, simbolizarea lucrarilor de consolidare a sustinerii fiind:
J- juguri poligonale;
1.In cele ce urmeaza, prezentam tehnologiile de realizare a lucrarilor necesare inchiderii unei mine.
1. Dezechiparea abatajelor frontale ce folosesc metoda de exploatare cu banc de carbune subminat, in conditiile stratelor groase si de inclinare mare
Dupa ce linia de front a abatajului a ajuns la limita campului de abataj (hotarul de oprire), se vor incepe lucrarile aferente incheierii exploatarii fasiei, cat si a bancului de carbune situat la tavanul acesteia. Operatiile de dezechipare a abatajului cuprind urmatoarele faze: (fig.1)
Faza I - Pregatirea abatajului pentru dezechipare.
In aceasta faza se vor realiza urmatoarele operatiuni:
Se va realiza descarcarea bancului de carbune aferent ultimului culoar al abatajului frontal, astfel incat latimea acestuia sa fie maxim de 2,7 m (doua grinzi speciale GSA-1250 cuplate). Descarcarea abatajului se va efectua de la culcus pana la acoperis, astfel incat zona spatiului exploatat sa fie umpluta cu steril;

Fig.1.
Se vor inchide ferestrele de evacuare a carbunelui prin coaserea plasei metalice. Se va urmari ca bandajarea cu plasa a frontului sa fie corect executata si daca situatia concreta a de la fata locului o impune, bandajarea poate fi intarita si cu dulapi din brad;
Se va bandaja cu plasa metalica si dulapi din lemn intreaga suprafata a liniei frontului, pentru a evita ruperea carbunelui din frontul fasiei. Bandajarea frontului se va face de la culcusul stratului spre acoperis;
Sustinerea abatajului se va face cu stalpi metalici SVJ cate 4 bucati la un sir de doua grinzi. Se va urmari ca sirul de grinzi sa fie sustinut la capete cu doi stalpi in zona exploatata si cu un stalp in partea ce se situeaza in apropierea fostului front de lucru. In zona intersectiei liniei de front cu fostele galerii directionale de subetaj, sustinerea se va face cu 3 grinzi GSA ce vor fi sustinute de 5 stalpi SVJ. Operatiunea de rapire a sustinerii abatajului se va efectua de la culcusul stratului spre acoperis;
Se va plana vatra abatajului pe toata lungimea sa, pana la nivelul carbunelui tare
Aceasta faza cuprinde urmatoarele operatiuni:
Pe intreaga lungime a intersectiei dintre abataj si galeria directionala de subetaj (zona situata la acoperisul stratului), se va monta o sustinere din lemn. Sustinerea de consolidare va consta din grinzi de lemn ce se vor monta intre sirurile de grinzi metalice, si care vor fi sustinute fiecare de cate 3 stalpi (doi la capete si unul la mijloc). Distanta dintre grinzile sustinerii de lemn va fi de 0,8 m.
Consolidarea cadrelor de sustinere a intersectiei, precum si a celor ce sustin direct acoperisul stratului, se va face cu strangatori din lemn f 150 mm;
Se vor demonta unul cate unul stalpii de sustinere SVJ, precum si sirurile de grinzi metalice din zona intersectiei;
Se vor demonta elementele metalice de sustinere SG din galeria directionala, iar zona se va sustine provizoriu cu cadre din lemn rotund f 250 mm;
Se va executa din dulapi de brad blindul de retinere a sterilului, in dreptul intersectiei fostei galerii directionale din acoperisul stratului cu abatajul frontal.
In aceasta faza se vor executa urmatoarele operatiuni:
Se vor monta tuburile metalice aferente instalatiei de aeraj partial refulant, pe culoarul transportorului TR din abataj;
Se vor executa blindurile de retinere a cenusii in suitorul situat in acoperisul stratului (zona sterila).
Un blind se va executa in apropierea intersectiei suitorului cu galeria transversala aferenta urmatorului subetaj, iar al doilea la nivelul intersectiei cu vatra abatajului;
Se va innamoli, cu cenusa de termocentrala, tronsonul de suitor ce a fost inchis cu blinduri;
Descarcarea si evacuarea carbunelui din bancul subminat (zona intersectiei abatajului cu galeria directionala de sub acoperis), prin rapirea succesiva a sustinerii de consolidare a abatajului. Operatiunea de descarcare se va executa ciclic, de la acoperis, respectand pasul de rapire (prabusire) ala abatajului, de 0,8 m. Tehnologia de descarcare a carbunelui din zona de dezechipare a abatajului va fi asemanatoare cu cea folosita in frontul de lucru al abatajului cand acesta era in functiune;
Se va recoase bandajul din plasa metalica dupa fiecare ciclu de descarcare a carbunelui.
Faza a IV-a - Evacuarea carbunelui la nivelul ultimului ciclu de descarcare din intersectie.
Pentru descarcarea carbunelui din bancul subminat propriu-zis aferent lungimii liniei de front si in continuarea fazei precedente, este necesara la inceput o operatiune de prefisurare a carbunelui, care consta din:
Montarea intre doua siruri de grinzi (ce sustin abatajul) a stalpilor metalici SVJ. Stalpii metalici (cate unul pentru fiecare culoar) se vor aseza intre sirurile de grinzi, respectand o distanta de 0,4 m fata de linia de front, respectiv de linia zonei spatiului exploatat al bancului de carbune. In capatul superior se va aseza cate o grinda scurta de lemn (f 200-220 mm, cu o lungime de cca. 0,5 0,6 m), grinzile fiind asezate paralel cu linia frontului, acestea fiind fixate prin pretensionarea stalpilor metalici.
In aceasta faza de fisurare a carbunelui, grinzile scurte ce rigidizeaza sirurile de grinzi GSA-1250 nu vor fi demontate;
Detensionarea stalpilor metalici si mutarea acestora la urmatorul sir de grinzi GSA, repetandu-se operatia de pretensionare si de fisurare a carbunelui.
In aceasta faza se vor executa ciclic urmatoarele operatii:
Se vor decupla succesiv, dintre doua siruri de grinzi GSA-1250 mm grinzile metalice scurte GSA-750 mm (ce rigidizau tavanul abatajului);
Se vor monta succesiv, intre doua siruri de grinzi, cate un cadru de lemn pentru sustinerea tavanului abatajului. Grinda de sustinere va avea o lungime de cca. 2,7 m si va fi fixata prin trei stalpi de lemn (2 in capete si unul la mijloc). Diametrul lemnului ce se va folosi pentru executarea cadrelor de sustinere va fi de cca. 220-250 mm;
Se vor detensiona (unul cate unul) stalpii metalici SVJ ce sustin sirul de grinzi. (Operatiunea se va repeta de la un sir de grinzi la urmatorul);
Se vor demonta grinzile GSA-1250 mm si se vor transporta impreuna cu stalpi SVJ la locul de depozitare;
Se vor executa in plasa metalica ferestrele de descarcare aferente unui camp de armare si se va evacua carbunele secventional;
Se vor inchide ferestrele de evacuare a carbunelui, prin coaserea cu snur a plasei metalice;
Se va dirija presiunea din spatiul creat prin prabusire, dupa evacuarea carbunelui din fata sustinerii, prin rapirea elementelor din lemn ce au format cadrul de sustinere a abatajului;
Se va scurta coloana de aeraj partial;
Se va scurta transportorul TR din abataj.
In aceste faze se vor repeta succesiv operatiunile cuprinse in fazele IV si V, pana cand linia de prabusire a frontului aferent bancului de carbune subminat ajunge in apropierea intersectiei fostei linii de front cu galeria directionala situata in culcusul stratului.
Dupa finalizarea evacuarii carbunelui din bancul subminat si dirijarea spatiului exploatat, se va trece la descarcarea si evacuarea carbunelui situat in zona intersectiei fostei galerii directionale situate in culcusul stratului, respectand operatiunile descrise in faza a II-a (cazul intersectiei din acoperis).
Dupa terminarea fazelor de lucru descrise anterior, se va trece la inchiderea zonei, prin executarea constructiilor de izolare in lucrarile miniere care asigurau accesul in fostul abataj frontal, unde s-a utilizat metoda de exploatare a carbunelui prin banc subminat.
2. Tehnologii de realizare a lucrarilor de izolare necesare inchiderii minei
2.1. Digurile de izolare din
dublu rand de boltari (Diz) si digurile de izolare cu fereastra (D
)
Digurile de izolare se vor executa in lucrari miniere cu presiuni mari si cu o durata mare de activitate.(Fig.2; Fig.3)
Constructia acestora se face in acele locuri unde rocile inconjuratoare lucrarilor miniere sunt stabile, dar in general la o distanta de maxim 10 m fata de intersectia cu alte lucrari miniere.
Digurile se executa din zidarie in doua randuri de boltari (STAS 8047/2-91) si beton marca B-200, preparat manual la fata locului.
- La locul de amplasare, in galerie, se va realiza o sustinere intarita in fata si in spatele viitorului dig (juguire).
- Se vor demonta elementele de bandajare a lucrarii miniere.
- Se va demonta un element metalic de sustinere (din axul viitorului dig).
- Se va taia, cu ajutorul ciocanului de abataj (in roca de incastrare a digului), un fagas (slit) de jur imprejurul lucrarii miniere, cu o latime de cca. 1,2 - 1,4 m si o adancime de 0,5 - 0,8 m (pana la roca compacta); taierea se va face descendent, de la cheia boltii spre vatra lucrarii miniere.
- Spatiul ramas liber se va arma suplimentar cu grinzi longitudinale (longrine), sustinute de stalpi scurti montati intre longrine si sustinerea lucrarii miniere, elementele suplimentare de armare (longrine si stalpi) vor fi consolidate tangential intre ele cu ajutorul unor strangatori din bile sau jumatati de lemn de brad. Spatiul dintre roca si sustinerea suplimentara va fi bandajat cu dulapi de brad.
Constructia digului se va face de la vatra lucrarii spre cheia boltii, prin rapirea sustinerii provizorii (stalpi, longrine, strangatori, bandaje), concomitent cu ridicarea pe verticala a digului.
Pentru o etansare mai buna a digului, fata libera a digului se va tencui (sclivisi) cu mortar de beton:
- grosimea digului, inclusiv zona sclivisita, va avea grosimea de 0,85 m.

Fig.2.

Fig.3.
In faza de zidire a digului, se vor monta in dig conducte pentru controlul atmosferei din spatele digului, precum si pentru evacuarea apelor, dupa cum urmeaza:
- o teava pentru controlul atmosferei din spatele digului f 50 mm (2"), montata la o distanta de cca. 0,5 m de la tavan; acesta va avea in partea dinspre zona inchisa o lungime de cca. 1,5 m, pozitionata intr-un unghi de 300, astfel incat capatul tevii dinspre zona inchisa sa fie la cca. 5 - 10 cm fata de tavanul lucrarii; la capatul dinspre fata libera a digului pe teava, se va monta un ventil tip "CEP";
- o teava pentru scurgerea apelor f 157 mm, ce se va monta la o inaltime de 0,3 - 0,5 m fata de vatra canalului de scurgere a apelor; partea tevii dinspre fata libera a digului se va termina cu un sifon de etansare (gat de lebada).
In scopul asigurarii etansarii digului, acest sifon va fi mentinut in permanenta plin cu apa.
Concomitent cu ridicarea digului se va monta in fata si in spatele digului cate un element metalic de sustinere, care se va rigidiza cu strangatori de lemn fata de celelalte armaturi metalice, se va bandaja zona cu plasa metalica f 3,1 mm, iar spatiul liber de la tavanul lucrarii miniere (cheia boltii) se va umple (rambleia) cu beton B-200.
2. Planare -rearmare lucrari miniere
Lucrarile de planare constau din taierea si evacuarea rocii din vatra lucrarii miniere, rezultata in special ca urmare a manifestarii fenomenului de umflare a vetrei.
Fazele tehnologice aferente acestor genuri de lucrari constau din:
eliberarea planului vetrei de materiale si alte obiecte depozitate accidental sau tehnologic pe aceasta;
derocarea vetrei cu ajutorul ciocanului de abataj pe toata latimea lucrari miniere si pe o adancime echivalenta cu cota superioara a tropanului de asezare a cadrelor metalice care sustin lucrarea miniera;
incarcarea si evacuarea sterilului rezultat in urma taierii vetrei;
sustinerea caii ferate sau a transportorului prin intermediul unor cadre din lemn rotund, formate din grinda transversala montata sub cale ferata sau transportor, aceasta fiind sustinuta de catre doi stalpi din lemn; diametrul elementelor de sustinere va fi de 180-200 mm;
Cadrele de sustinere a caii de rulare sau a transportorului se vor monta din metru in metru, rigidizandu-se intre ele cu strangatori din lemn si scoabe.
Demontarea acestor cadre si asezarea pe noua vatra creata a caii de rulare, se va face pe tronsoane de 5 m.
In toate situatiile, inainte de lasarea (asezarea) pe vatra a mijlocului de transport, inainte de rapirea cadrelor de lemn, mijlocul de transport va fi legat suplimentar pe ambele parti de grinda de sustinere a lucrarii miniere, prin intermediul unor lanturi si macarale.
In cazul lucrarilor de rearmare, se vor respecta urmatoarele faze tehnologice:
Se va demonta elementele metalice de sustinere si bandajele aferente pe lungimea maxima de 1 camp de armare;
Se va face largirea lucrarii miniere la profilul necesar; lucrarea se va realiza numai din ciocan de abataj, de la cheia boltii spre vatra lucrarii;
Spatiul largit se va sustine provizoriu cu longrine si popici pe durata dintre executarea largirii, demontarea si remontarea sustinerii definitive;
Montarea noii sustineri definitive, pe tropane;
Rigidizarea acestora cu strangatori metalici sau din lemn;
Rebandajarea peretilor lucrarii miniere cu lemn crapat sau plasa miniera.
2.5. Juguri
Consolidarea lucrarilor miniere se face fie cu juguri longitudinale, fie cu juguri poligonale; tehnologic, aceste lucrari comporta urmatoarele etape:
nivelarea vetrei lucrarii;
montarea tropanului pe vatra lucrarii miniere;
ridicarea la tavanul lucrarii miniere a grinzii jugului, dispusa longitudinal;
consolidarea grinzilor tavan-vatra cu stalpi din lemn, montati la distante echivalente cu campul de armare.
In cazul jugurilor poligonale, se vor monta suplimentar grinzi laterale, care se vor sustine intre ele cu popici din lemn si strangatori.
Fixarea intre ele a elementelor sustinerii se va face cu scoabe metalice.
Pentru preluarea uniforma a sarcinilor care se dezvolta pe elementele de sustinere in cazul in care apar spatii libere intre elementele de sustinere si grinzile jugurilor, aceste spatii se vor umple cu bucati de lemn (impanare).
Pentru calcule, se considera ca digul de retinere este o constructie compusa, incastrata jur-imprejur in peretii lucrarilor miniere, respectiv in rocile sterile in care s-au executat lucrarile miniere. Partile metalice ale constructiei digului de retinere se vor aseza in apropierea suprafetei zonei ce va fi inchisa, acestea vor prelua eforturile de intindere, iar partea de beton, situata in exteriorul acestora va lucra la sarcinile de compresiune.
Exemplu:
Elementele de calcul sunt [24]:
pa - presiunea maxima orizontala ce va actiona pe suprafata digului = 310-315 kN/m2. In calcule se ia valoarea de 31500 daN/m2;
b - latimea fasiei suprafetei digului, aferenta unui stalp metalic ce va putea prelua eforturile create de materialul de rambleu introdus in put =60 cm;
b1 - inaltimea maxima a fasiei, determinata intre vatra si bolta lucrarii miniere; b1 = 3,8 m;
Sarcina uniform distribuita ce va actiona pe unitatea de lungime a fasiei va fi:
P = 31500 daN/m2 x 0,6 m = 18900 daN/ml.
Momentul maxim creat de sarcina uniform distribuita va fi:
Aria armaturii unui profil metalic de U-14 este Aa=20,4 cm2
h0 - este grosimea betonului calculata intre armaturile metalice si suprafata digului ce nu este armata = 73 cm.
Procentul de armare a digului de retinere va fi :
Axa neutra a zonei de beton ce va fi supusa compresiunii
cm
Grosimea peretelui digului de retinere ce va actiona la eforturi de intindere : (se considera distanta intre fibra neutra a profilului metalic U-14 si jumatatea distantei de la axa neutra spre zona ce va lucra la compresiune).
cm
Verificarea marimii fortei ce poate fi preluata de grosimea digului
daN
a) Verificarea sectiunii armaturilor metalice
cm2 < AU-14 = 20,4 cm2
Ra - este rezistenta admisibila al intindere a materialului OL-37 Ra = 2100 daN/cm2
b) Verificarea sectiunii betonului marca B-200
cm2
< Ab =
8 x 60 = 480 cm2
Rc - rezistenta admisibila la compresiune a betonului; Rc = 95 daN/cm2
Din calculele de verificare rezulta ca in digul de retinere, atat sectiunea armaturilor metalice cat si a betonului vor rezista la eforturile ce vor fi create de materialul de rambleu.
Detaliul de armare a digului de retinere

1 - U-14, armatura de rezistenta pe verticala;
f 14, armatura de repartitie pe orizontala
3 - ancore sudate pe U-14 din OB-37, 3 f 12/ml
sudura
1 - U-14, armatura de rezistenta pe verticala;
Fig.5. Armarea digului de retinere
f 14, armatura de repartitie pe orizontala 3 - ancore sudate pe U-14 din OB-37, 3 f 12/ml
sudura
Exemplu
INCHIDEREA LUCRARILOR MINIERE DE LEGATURA CU SUPRAFATA
IN CAZUL MINEI ANINOASA
a). Consideratii generale
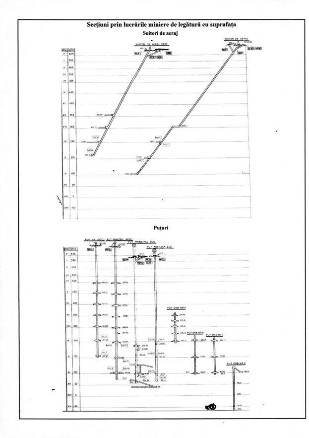
In cadrul lucrarilor miniere de legatura cu suprafata sunt cuprinse fig.6. [24]:
- putul nr. 1 Piscu;
- suitorul de aeraj Piscu;
- putul principal Nord;
- suitorul de aeraj Parc;
- putul principal Sud;
- putul auxiliar Sud;
- tunel aductiune apa Priboi-Piscu;
- tunel Aninoasa Nord-Piscu;
- depozit de explozivi Piscu.
b). Descrierea ansamblului lucrarilor
In conformitate cu proiectarea lucrarilor de inchidere a subteranului minei Aninoasa din etapa I, prima lucrare miniera de legatura cu suprafata care se poate inchide este suitorul de aeraj Piscu. Acesta este o lucrare miniera executata intre cota suprafetei (670,0) si cota 103,0, cu un diametru f 3,1 si o lungime de 650 m, cu canale de aeraj in lungime de 70 metri si diametru f 2,6 m. Cantitatea totala de rambleu necesara in aceasta lucrare este de 5312 m3.
Dupa finalizarea rambleierii suitorului de aeraj Piscu, gura acestuia, cat si gurile canalelor de aeraj aferente, vor fi acoperite cu placi din beton armat, dupa cum urmeaza:
- o placa betonata pentru f 3,1 m pe gura suitorului de aeraj; (Fig.7.)
- cate o placa betonata pentru f 2,6 m pe toate cele 3 guri ale canalelor de ventilatie aferente suitorului de aeraj. (fig.8.)

Fig.6.

Fig.7.

Fig.8.
Urmatoarea lucrare miniera de legatura cu suprafata ce va intra in inchidere in etapa I de inchidere este putul nr. 1 Piscu.
Este amplasat in incinta Piscu-Priboi, situata in partea nordica a perimetrului de dezvoltare-exploatare Aninoasa, la cca. 0,8 km de incinta Aninoasa Nord. Este sapat intre cota suprafetei (668,797) si orizontul X (cota 178,6). Adancimea acestuia, inclusiv jompul este de 497,3 m, iar diametrul liber al putului este de 3,7 m. (Fig.9). Rezulta ca pentru rambleierea acestei lucrari sunt necesare 6248 m3 de rambleu. Dupa terminarea operatiei de rambleiere, pe gura putului nr. 1 Piscu se va executa o placa de acoperire din beton armat, corespunzatoare profilului acestuia si dimensionata pentru a rezista la o sarcina de 32 kN/m2.
In etapa a doua de inchidere nu este prevazuta inchiderea nici unei lucrari de legatura cu suprafata.
In etapa a treia de inchidere, se vor inchide progresiv urmatoarele lucrari miniere de legatura cu suprafata:
- Suitorul de aeraj Parc, o lucrare cu f 3,1 m executat intre cota suprafetei (646,3) si 180,5 cu o lungime de 525 metri, cu canale de aeraj cu lungimea totala de 70 m. Rambleierea acestei lucrari necesita 4520 m3 de rambleu. Dupa umplerea suitorului de aeraj Parc cu rambleu, acesta se va acoperi cu placi betonate, dupa cum urmeaza:
- o placa betonata pentru f 3,1 m pe gura suitorului de aeraj;
- cate o placa betonata pentru f 2,6 m pe cele trei canale de aeraj aferente suitorului de aeraj;
- Putul principal Nord, lucrare cu diametrul f 5,0 m, sapata intre cota suprafetei (667,580) si orizontul XI (cota 101,440), avand o adancime de 592 m, inclusiv jompul. Cantitatea de rambleu necesara este 11624 m3, iar gura de intrare va fi acoperita, dupa terminarea rambleierii, cu o placa betonata pentru f 5,0 m; (Fig.10).
- Putul auxiliar Sud este o lucrare miniera cu f 6,0 m, sapat intre cota 623,0 a suprafetei si orizontul XI, avand o adancime totala de 557 m, inclusiv jompul. Cantitatea de rambleu necesara este de 15744 m3.
Putul se va acoperi cu o placa de beton armat pentru f 6,0 m. (Fig.11).
- Putul principal Sud, sapat intre cota 620,0 m si 97,25, avand lungimea de 559 metri si deci necesitand o cantitate de rambleu de 10976 m3. Putul va fi acoperit cu o placa de beton pentru f 5,0 m si cate o placa pentru f 2,6 m pe fiecare din cele trei guri ale canalelor de ventilatie.
Dupa terminarea lucrarilor mentionate mai sus, se poate trece la inchiderea ultimelor lucrari de legatura cu suprafata, si anume:

Fig.9.

Fig.10.

Fig.11.
- depozit de explozivi Piscu, care necesita 2656 m3 de rambleu, doua placi din beton armat pentru f 2,6 m pe gura suitorilor de aeraj ai depozitului si un dig de izolare la gura depozitului Dizf (profil GDZ-9,7);
- tunel de aductiune apa Priboi-Piscu, lucrare cu lungimea de 300 m si profil GSB-6,2; rambleierea acestui tunel presupune utilizarea unei cantitati de 1920 m3. Tunelul va fi inchis la cele doua guri de intrare cu doua diguri de izolare zidite, Diz5 si Diz6
- tunel Aninoasa Nord-Piscu, lucrare cu profil GDZ-9,7 si lungimea de 660 m. Cantitatea de rambleu necesara pentru inchiderea lui este de 6400 m3, iar lucrarea va fi izolata la gurile de acces cu doua diguri de izolare zidite, Diz3 si Diz
Amplasamentul lucrarilor de izolare a legaturilor cu suprafata si dimensiunile digurilor de izolare si ale placilor din beton armat sunt redate in partea grafica a documentatiei, iar tehnologiile de executie aferente sunt descrise in "Caietele de sarcini".
Schemele de transport si alimentare cu energie electrica a punctelor de lucru sunt redate in partea grafica anexata prezentei documentatii.
Rambleierea lucrarilor miniere de legatura cu suprafata se va face in baza unui program care va cuprinde pe langa masurile de securitate si monitorizarea gazelor pe perioada dinainte si din timpul desfasurarii acesteia.
c). Materiale folosite pentru rambleiere
Pentru ca operatiunile de izolare si de umplere a golurilor din lucrarilor miniere subterane sa fie eficiente, materialele de rambleiere trebuie sa aiba o serie de insusiri si anume:
- cost redus de extragere (procurare);
- rezerva suficienta de materiale, pentru a nu crea intreruperi in aprovizionare, cat si in procesul de umplere a golurilor din lucrarile miniere;
- sa aiba o abrazivitate mica, pentru a reduce gradul de uzura al utilajelor si a instalatiilor de rambleiere;
- sa fie rezistente la inghetare si la pastrarea in depozite.
Materialul de rambleu necesar pentru umplerea golurilor din lucrarile miniere va fi excavat din halda E.M. Aninoasa, situata in partea de sud a incintei principale la o distanta de cca.1 km.
Volumul de material necesar pe puncte de lucru este urmatorul :
- Put nr. 1 Piscu: 6248 m3;
- Suitor aera Piscu: 5312 m3;
- Put principal Nord: 11624 m3;
- Suitor aeraj Parc: 4520 m3;
- Put principal Sud: 10976 m3;
- Put auxiliar Sud: 15744 m3;
- Depozit de explozivi Nord: 2656 m3;
- Tunel Piscu: 6400 m3;
- Tunel Piscu-Priboi: 1920 m3;
Total: 65.400 m3
Caracteristicile specifice ale sterilului propus pentru rambleierea lucrarilor miniere ce fac legatura cu suprafata sunt :
- compozitia petrografica a rocilor; nu contin mult siliciu;
- proprietatile mecanice se incadreaza in urmatoarele valori :
- rezistenta de rupere la compresiune 280 160 daN/cm2
- rezistenta de rupere la tractiune 24 62 daN/cm2
- coeziunea 46 68 daN/cm2
- coeficient de afanare 1,2
- coeficient de compresibilitate 0,83
- granulometria 0 250 mm
- greutatea volumetrica 1,3 2 t/m3
- greutatea specifica 1,6 2,6 t/m3
- umiditate naturala 1,7
- porozitate 3,1
- unghi de frecare interna 18
In procesul de umplere al golurilor (prin rambleiere), asezarea masivului de rambleu se face sub influenta greutatii proprii a materialului folosit.
O caracteristica suplimentara pentru materialele marunte folosite la rambleierea lucrarilor miniere (nisipuri, roci concasate sau sfaramate), este ca procesul stabilizarii (tasarii) se petrece repede, pe cand la cele care contin argile si au dimensiuni mai mari, aceasta se petrece simtitor mai incet. Din acest motiv, prescriptiile la NSPM pentru minele de carbuni si sisturi bituminoase - ed.1997 fac precizari asupra materialului de rambleu si granulatiei acestuia, astfel :
- marimea maxima a bulgarilor nu va depasi 250 mm;
- pe ultimul tronson de 50 m spre suprafata se foloseste un material ce nu are tendinta de formare a boltii, cu granulatia sub 100 mm (pietris, zgura, gresie, bucati de beton sau caramida);
- in cazul in care este posibila aparitia unor amestecuri aer - metan, se impune folosirea unui material de rambleu umed si cu granulatie fina;
- in cazul in care exista acumulari de apa in put, se impune utilizarea unui material de rambleu cu greutate specifica mai mare de 1,3 t/m3.
d).Tehnologia de inchidere prin rambleiere a lucrarilor miniere ce fac legatura cu suprafata
Situatia lucrarilor miniere de legatura cu suprafata ce fac obiectul rambleierii se prezinta astfel:
- Put nr. 1 Piscu
D = 3,7 m H = 497,3 m
- Suitor aeraj Piscu
D = 3,1 m H = 720 m
- Put principal Nord
D = 5 m H = 592 m
- Suitor aeraj Parc
D = 3,1 m H = 630 m
- Put principal Sud
D = 5 m H = 559 m
- Put auxiliar Sud
D = 6 m H = 557 m
- Depozit de explziv
GDZ-9,7
- Tunel Piscu
GDZ-9,7 L = 660 m
- Tunel Piscu-Priboi
GSZ-6,2 L = 300 m
Lucrarile miniere verticale si cele inclinate se vor rambleia gravitational.
Materialul utilizat pentru rambleiere va fi sterilul din halda E.M. Aninoasa.
Tasarea sterilului se va realiza natural, sub actiunea greutatii proprii. Rambleierea se va face in mod continuu.
Tehnologia de rambleiere se va face in baza unui program intocmit de executant, care va cuprinde si monitorizarea gazelor pe parcursul executarii acestei operatii.
Sterilul utilizat pentru umplerea golurilor va avea granulatia mai mica de 250 mm, iar pe ultimii 50 m spre suprafata, granulatia nu va depasi 100 mm.
e). Instalatii de rambleiere
Fiecare punct de lucru destinat rambleierii lucrarilor miniere de legatura cu suprafata va fi amenajat astfel:
- pe gura lucrarii miniere de legatura cu suprafata, se va aseza un gratar cu ochiuri de 100/100 mm conform desenului anexat prezentei documentatii in partea grafica;
- se va nivela suprafata din jurul lucrarii miniere si se va monta direct pe sol un transportor cu raclete tip TR-3 (L = 30-120 m), avand capul de actionare ridicat pe un suport la 0,5 m deasupra gratarului, iar capul de intoarcere se va fixa cu ancore in sol;
- materialul necesar rambleierii va fi excavat pe o raza de cca. 12,5 m cu ajutorul unui excavator SM 802 (S 1203; SM 1203) si depus in cuva de preluare situata la capul de intoarcere a transportorului, pentru a fi deversat direct in lucrarea miniera;
Pentru maruntirea eventualelor bucati de steril pana la granulatia permisa de gratar, se va utiliza pentru maruntire un ciocan de abataj tip CA-14, alimentat cu aer comprimat de la cea mai apropiata statie trafo sau de la un motocompresor.
f). Constructii de inchidere etansa a lucrarilor de legatura cu suprafata
Constructiile de inchidere etansa pentru lucrarile miniere verticale sau inclinate constau din executia unor placi din beton armat rezistente la o sarcina de 32 kN/m2.
Placa din beton armat se va executa pe gura putului, a suitorului sau canalului de aeraj, avand ca suport de sprijin sustinerea acestuia (gulerul).
Tipurile de placi din beton armat ce se vor utiliza la inchiderea lucrarilor miniere de legatura cu suprafata sunt:
- placa de beton pentru put f 6 m;
- placa de beton pentru put f 5 m;
- placa de beton pentru put f 4 m;
- placa de beton pentru suitori si canale de aeraj f 3,1 m;
- placa de beton pentru suitori si canale de aeraj f 2,6 m;
- dig de izolare GDZ-9,7;
- dig de izolare GSZ-6,3;
Tehnologia de executie a placilor din beton armat consta din :
- asezarea unui strat de carton asfaltat peste cofraje, pentru retinerea laptelui de ciment;
- executarea cofrajului lateral pentru turnarea betonului;
- asezarea armaturilor metalice de rezistenta din otel beton PC 52 si a armaturilor din otel OB37;
- turnarea si vibrarea betonului marca B 200 peste armaturile metalice;
Armarea placilor din beton armat destinat inchiderii puturilor, a suitorilor de aeraj si a canalelor aferente acestora, se va face pe doua directii.
Fiecare placa are prevazut un gol de 30/30 cm cu peretii tesiti, pentru introducerea si completarea ulterioara a materialului de rambleu. Golurile vor fi inchise cu dopuri din beton.
Placa este prevazuta cu o teava 2 ½'', pentru prevenirea acumularilor eventuale de gaze din zonele inchise, prevazuta cu stingator cu flacara.
In cazul in care placile din beton armat vor fi acoperite cu un strat de pamant, centrul gurii lucrarii miniere va fi marcat conform "Prescriptiilor tehnice PT - C33 cap.III lit.j" la NSPM-ed.1997.
Calculul si dimensionarea placilor din beton armat s-a facut in conformitate cu normativele PD 46-79 si prevederile din literatura de specialitate "Proiectarea betonului armat" de prof.dr.ing.Igor Tertea.
g.) Breviare de calcul
1) pentru cantitatea de rambleu
Put nr. 1 Piscu: 6248 m3;
- Suitor de aeraj Piscu: 5312 m3;
- Put principal Nord: 11624 m3;
- Suitor aeraj Parc: 4520 m3;
- Put principal Sud: 10976 m3;
- Put auxiliar Sud: 15744 m3;
- Depozit de explozivi: 2656 m3;
- Tunel Piscu: 6400 m3;
- Tunel Piscu-Priboi: 1920 m3;
Total 65400 m3;
2) pentru placile de acoperire din beton armat
Pentru realizarea inchiderii la gura a lucrarilor miniere ce fac legatura cu suprafata, se vor executa placi din beton armat rezistente la o sarcina de 32 kN/m2.
Breviarele de calcul pentru dimensionarea acestor placi de inchidere si izolare se prezinta astfel:
3) Placa pentru put de f 5 m si f 4 m
Determinarea necesarului de armatura
hp = 0,15 m; m = 0,046; l = 5,00; q = 448 daN/m2
g = 1,15 x 0,15 x 2500 = 432 daN/m2
p = 880 daN/m2
M = 0,046 x 880 x 25 = 1.012 daN.m
Aa nec=3,0 cm2 (PC52, B200)
f Þ Aa = 3,92 cm2 > Aa nec
Armarea se va face pe doua directii perpendiculare.
4) Placa din beton armat pentru suitori f 3,1 m
Calculul s-a facut in conformitate cu normativul PD 46-79 si indrumatorul "Proiectarea betonului armat" de Prof. dr. ing. Igor Tertea.
M = Ma = Mb = m x p x la x lb= m x p x l2
M = 0,046 pentru
l = 3,10
p = g + q
q = 1,4 x 320 daN/m2 = 448 daN/m2
g = 1,15 x 0,2 x 2500 = 575 daN/m2
M = 0,046 x 1023 x 3,12 = 452,3 daN.m
Aa nec = 2 cm2 (OB37) B200
hplaca = 15 cm
f 8 = Aa = 2,51 cm2 Þ Aa nec = 2 cm2
Se va arma pe doua directii cu cate 5 f 8, OB37
Constructiv, pentru a nu se rupe marginile ce depasesc gulerul, s-a prevazut un rand de plasa sudata la partea superioara de tipul 101 GQ63.
M - momentul incovoietor [da Nm]
B - latimea de calcul a placii de beton [cm]
|
Politica de confidentialitate | Termeni si conditii de utilizare |
Vizualizari: 4474
Importanta: ![]()
Termeni si conditii de utilizare | Contact
© SCRIGROUP 2025 . All rights reserved