| CATEGORII DOCUMENTE |
| Demografie | Ecologie mediu | Geologie | Hidrologie | Meteorologie |
GEOLOGIA STRUCTURII OPRISENESTI
Cadrul geologic regional
Din punct de vedere geologic, structura Oprisenesti apartine zonei estice a Platformei Valahe si se inscrie pe aliniamentul structural Urziceni - Bragareasa - Padina - Jugureanu - Bordei Verde - Oprisenesti (fig. 1).
Geologia structurii
Stratigrafia si litologia
Structura se prezinta ca o ridicare de depozite paleozoice, cretacice si sarmatiene peste care s-au depus discordant si transgresiv stratele pliocene acoperitoare.
Paleozoicul, constituit dintr-o serie de gresii silicioase si argile, cu diaclaze umplute cu calcit.
Cretacicul, reprezentat doar prin Baremian - Aptian, este depus pe intreaga suprafata a structurii. Depozitele sale sunt constituite din calcare microcristaline, criptocristaline, calcare pseudooolitice si organogene, totul strabatut de diaclaze umplute cu calcita.
Sarmatianul, depus transgresiv si discordant
peste Cretacicul erodat este constituit in baza din calcare organogene
si microcristaline. Deasupra Sarmatianului bazal urmeaza un
interval marnos, care a fost supus erodarii, grosimea sa variind de la
Sarmatianul este reprezentat prin doua serii si anume :
Sarmatian bazal dezvoltat intr-un facies calcaros.
Sarmatian superior, depus intr-un facies predominant pelitic.
Depozitele Sarmatianului bazal au fost separate in doua complexe :
a. Sarmatian bazal inferior, in grosime
de 20 -
b. Sarmatian bazal superior, in grosime
de 60 -
Sarmatianul superior este constituit din marne si marne nisipoase cu intercalatii lenticulare de nisipuri calcaroase.
Meotianul muleaza relieful erodat al Sarmatianului; este constituit dintr-o alternanta de pachete de nisip friabil, cu bobul fin, marne si marne nisipoase, nisipuri oolitice si gresii fine cu ciment calcaros, catre partea bazala. Transgresiunea meotiana s-a facut lent, apele patrunzand la inceput in zonele de relief mai coborate si treptat au invadat zonele mai ridicate, formandu-se depozite cu grosimi mai mici in zona de creasta si cu grosimi mai mari in zonele marginale afundate.
Meotianul este depus transgresiv si discordant peste relieful preexistent al Sarmatianului, functie de care sufera modificari de facies si grosime atat pe verticala cat si lateral. Litologic, complexele meotiene sunt constituite din alternante de pachete nisipoase cu pachete marnoase sau marno - nisipoase.
Functie de ciclurile de sedimentare, Meotianul a fost impartit in opt complexe denumite de sus in jos cu cifre romane Me I Me VIII. Complexele meotiene VI, V, III si II au fost subimpartite in pachete, iar unele pachete ca Me V superior a fost divizat in subpachete.
In zona de apex a structurii - respectiv de ridicare maxima a Sarmatianului - complexele inferioare ale Meotianului (Me VIII-V inferior) lipsesc. De fapt, complexele meotiene VII si VI au rol de umplere a reliefului Sarmatian, reprezentand depuneri primare ale transgresiunii intr-o apa putin adanca, agitata de valuri si curenti pe un relief neuniform.
Incepand cu pachetul Me V mediu intreaga suprafata a Sarmatianului este submersa.
Datorita conditiilor de depunere neuniforme, depozitele meotiene prezinta importante variatii de facies si de grosime care au condus la lenticulizari ale nisipurilor si implicit ale marnelor.
Pontianul, predominant marnos, este depus in continuitate de sedimentare cu Meotianul. Limita Pontian - Meotian constituie un reper excellent de corelare pentru intreaga structura.
Dacian - Levantinul este constituit din nisipuri si pietrisuri.
Fig. 1 Amplasarea regionala a structurii Oprisenesti
Sc. 1 : 500.000
Tectonica
Tectonic, structura se prezinta sub forma unui anticlinal usor boltit, orientat SSV - NNE, fragmentat de falii longitudinale in mai multe blocuri tectonice. S-au pus in evidenta 3 aliniamente principale de blocuri orientate aproximativ SV - NE, evidentiate prin neconcordanta izobatelor si continutul diferit in fluide. Inclinarea stratelor este de 3-5.
Axul anticlinalului are traseul la capul
Sarmatianului superior. Un accident tectonic-diagonal - denumit FALIA F1 -
taie flancul sud-vestic al anticlinalului. Falia F1 are o inclinare de 55
si produce o denivelare de
Falia F1 are caracter neetans si
face posibila comunicatia hidrodinamica pe orizontala intre
pachetele dintre cele 2 blocuri. Astfel, in zona de sud-vest, pachetul Me V
inferior din blocul I comunica cu pachetul Me V mediu din blocul II.
Datorita tasarii, flancul nordic al pachetelor meotiene a
alunecat cu cca 10-
Meotianul din blocul II este afectat
de un alt accident tectonic - FALIA F2, care produce o alunecare cu cca
Blocul III apare ca o zona
depresionara, care separa ridicarea majora de la
Oprisenesti (blocurile I+II) de o ridicare de dimensiuni mai reduse
numita blocul IV situata in estul structurii. Boltirea din blocul IV
are flancul nordic taiat de falia F3-1 care produce un decalaj de cca 20-
Arhitectura meotianului se regaseste si la sud-est de falia F4. In aceasta zona numita si zona Caldarusa s-au pus in evidenta inca doua blocuri tectonice saturate cu gaze la nivelul Me I si II, respectiv blocurile V si VII, evidentiate prin neconcordanta izobatelor.
Obiective de interes petrolifer
Interes pentru hidrocarburi prezinta Sarmatianul bazal calcaros si pachetele nisipoase din complexele meotiene. In general, la Oprisenesti pachetele meotiene inferioare (VIII-V) sunt saturate cu titei, iar pachetele meotiene superioare (III-I) sunt saturate cu gaze, pachetul intermediar IV avand atat capcane cu titei cat si cu gaze libere.
Agenti contaminanti pentru fluidul de foraj
La traversarea succesiunii litostratigrafice, in timpul forajului poate avea loc fenomenul de contaminare a fluidului de foraj cu solide straine, fie datorita capacitatii de dispersie a marnelor, fie datorita granulatiei fine a nisipurilor.
De asemenea, la sonda A1 Oprisenesti, sunt posibile gazeificari slabe ale fluidului de foraj la traversarea formatiunilor productive.
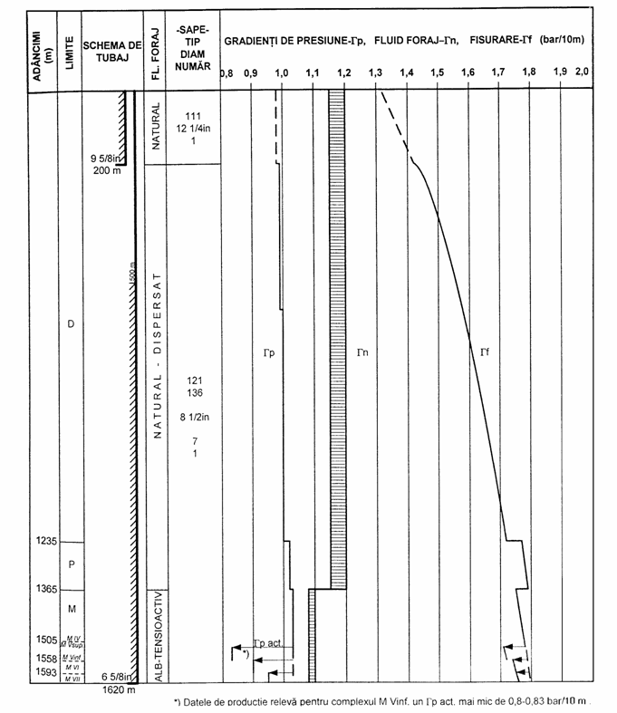
Gradienti de presiune, fisurare si temperatura
In urma analizei complexe a investigatiilor geofizice, a informatiilor obtinute din desfasurarea procesului de foraj si de productie de la sondele de corelare, s-au evaluat gradientii de presiune si de fisurare in functie de tipul litologic si adancimea la care se estimeaza ca vor fi intalnite formatiunile descrise anterior. Valorile acestora sunt prezentate in fisele de caracterizare complexa a coloanei stratigrafice si fundamentare a schemei de tubaj si program fluid.
Pentru complexele productive, exploatate, ce constituie obiective pentru sondele A2 si A3 Oprisenesti, gradientii actuali de presiune corespund valorilor actuale de presiune masurate pe zacamintele in cauza.
a) Pentru sonda A1 Oprisenesti, temperatura maxima la adancimea de 1.625 m este de aproximativ 60C. In stadiul actual al exploatarii, in anumite complexe meotiene se pot nota scaderi ale valorilor :
Me V med. : p≈0,818 bar/10 m ; Γf≈1,584 bar/10 m;
Me VI sup. : Γp≈0,818 bar/10 m ; Γf≈1,587 bar/10 m;
Me VII : Γp≈0,818 bar/10 m ; Γf≈1,592 bar/10 m.
b) Pentru sonda A2 Oprisenesti, temperatura maxima la adancimea de 1.620 m este de aproximativ 61C. In stadiul actual al exploatarii, in anumite complexe meotiene se pot nota scaderi ale valorilor :
Me V sup. : p≈0,83 bar/10 m ; Γf≈1,71 - 1.72 bar/10 m;
Me VI : p≈0,9 bar/10 m ; Γf≈1,74 - 1.75 bar/10 m;
Me VII : p≈0,95 bar/10 m ; Γf≈1,75 - 1.76 bar/10 m.
c) Pentru sonda A3 Oprisenesti, temperatura maxima la adancimea de 1.610 m este de aproximativ 61C. In stadiul actual al exploatarii, in anumite complexe meotiene se pot nota scaderi ale valorilor :
Me IV : p≈1,026 bar/10 m ; Γf≈1,77 bar/10 m;
Me V : p≈1,026 bar/10 m ; Γf≈1,77 - 1.785 bar/10 m;
Me VI : p≈1,026 bar/10 m ; Γf≈1,785 - 1.79 bar/10 m;
Me VII : p≈1,026 bar/10 m ; Γf≈1,79 - 1,795 bar/10 m.
Fisele de caracterizare complexa a coloanei stratigrafice si fundamentare a schemei de tubaj si program fluid
a)

b)

c)

Dificultati de foraj
In principal sondele sapate pe structura Oprisenesti nu au inregistrat dificultati majore care sa conduca la cresteri ale duratei de realizare a sondei sau la consumuri de materiale care in final sa produca cresterea costului sondelor.
Principalele dificultati aparute in timpul forajului sunt urmatoarele :
pierderi de fluid si strangeri de gaura in Dacian ;
strangeri de gaura in Pontian ;
pierderi usoare de fluid de foraj in nisipurile meotiene ;
manifestari de hidrocarburi in Meotian ;
contaminarea fluidului de foraj prin dispersarea argilelor si marnelor dislocate.
Pentru prevenirea sau diminuarea acestor dificultati, se recomanda :
mentinerea densitatii fluidului la valori reduse pentru evitarea unor eventuale pierderi de fluid ;
respectarea compozitiei garniturii de foraj ;
realizarea unui debit de fluid de foraj care sa previna mansonarea sapelor si sa asigure transportul detritusului la vitezele mecanice estimate ;
dotarea sistemului de curatire mecanica a fluidului de foraj cu site vibratoare si hidrocicloane si functionarea la parametrii proiectati.
|
Politica de confidentialitate | Termeni si conditii de utilizare |
Vizualizari: 3062
Importanta: ![]()
Termeni si conditii de utilizare | Contact
© SCRIGROUP 2025 . All rights reserved