| CATEGORII DOCUMENTE |
| Demografie | Ecologie mediu | Geologie | Hidrologie | Meteorologie |
NOTIUNI DE CARTOGRAFIE
3.1 Elemente privind proiectiile cartografice
Cartografia studiaza modalitatile de reprezentare a suprafetei Pamantului in plan.de obtinere a planurilor si hartilor si de multiplicare a acestora . Deoarece suprafata sferoidala a Pamantului nu este desfasurabila in plan, se recurge la proiectia cartografica, adica o modalitate de transpunere a detaliilor suprafetei terestre pe suprafetele desfasurabile, care permit obtinerea planurilor si hartilor. Aceasta transpunere are loc dupa relatiile cartografiei matematice, astfel incat deformatiile rezultate la reprezentare sa fie cat mai mici si sa poata fi evaluate.
Din punct de vedere al tipului de deformare, proiectiile cartografice sunt:
- proiectii conforme la care unghiurile intre aliniamente rezultate in reprezentarea in plan sunt egale cu cele dintre aliniamentele corespondente din teren;
- proiectii echivalente la care se pastreaza raportul dintre suprafetele din reprezentare si cele din teren, dar forma suprafetei se modifica prin proiectie;
- proiectii arbitrare la care se modifica si unghiurile si suprafetele, dar se mentine echivalenta unor distante.
Corespunzator suprafetei pe care se face proiectia se deosebesc:
a) Proiectii conice la care se utilizeaza suprafata laterala a unui con situat tangent sau secant la sfera terestra. Prin desfasurarea conului meridianele rezulta sub forma unor drepte convergente iar paralele rezulta ca arce de cerc concentrice (fig. 3.1).
Aceste proiectii pot fi drepte, oblice sau transversale, dupa cum inaltimea conului si axa polilor terestri coincid, formeaza un unghi oarecare sau sunt perpendiculare.
b) Proiectii cilindrice la care suprafata de proiectie este un cilindru tangent la sfera sau la elipsoidul terestru. Prin desfasurarea cilindrului se obtine planul proiectiei. Aceste proiectii sunt normale, oblice sau transversale, dupa cum axa polilor terestri si axul cilindrului coincid, formeaza un unghi oarecare sau sunt perpendiculare (fig. 3.2)
Fig. 3.1 Proiectie conica normala Fig. 3.2 Proiectie cilindrica normala
c) Proiectii azimutale sau zenitale, la care suprafata Pamantului este proiectata pe un plan care este tangent sau secant la sfera sau elipsoidul terestru intr-un punct oarecare numit centrul proiectie. Aceste proiectii se impart la randul lor in:
- proiectii azimutale ortografice la care dreptele de proiectie sunt paralele intre ele (fig. 3.3a); -proiectii azimutale centrale, la care dreptele de proiectie sunt razele sferei sau elipsoidului (fig. 3.3b);
- proiectii azimutale stereografice la care dreptele de proiectie pornesc dintr-un punct diametral opus punctului de tangenta (fig. 3.3c)
Fig. 3.3 Proiectie azimutala pe plan tangent
a - ortografica ; b - centrala : c - stereografica
3.2 Proiectii cartografice utilizate in Romania
In Romania se utilizeaza in mod curent doua proiectii cartografice:
a) Proiectia Gauss-Kriiger
Aceasta este o proiectie cilindrica transversala de tip conform care a fost adoptata de majoritatea tarilor lumii, datorita avantajelor sale referitoare la reprezentarea in mod unitar a intregului Pamant. In aceasta proiectie punctele de pe suprafata fizica a Pamantului se considera ca sunt deja reprezentate pe elipsoidul de referinta. Suprafata elipsoidului este impartita prin meridiane trasate la diferente de longitudine de 6, incepand cu meridianul zero (Greenwich), in 60 de fuse. Prin mijlocul fiecarui fus trece un meridian numit meridian axial.
Se considera un semicilindru eliptic al carui ax este perpendicular pe axa polilor Pamantului. Acest semicilindru este pozitionat astfel incat sa fie tangent la elipsoidul de referinta de-a lungul meridianului axial al unui fus (fig 3.4). Punctele fusului respectiv se proiecteaza spre exterior pe suprafata semicilindrului, dupa care acesta se desfasoara. Rezulta astfel imaginea in plan a fusului respectiv, in care meridianul axial si Ecuatorul sunt proiectate ca doua drepte perpendiculare care constituie axele Ox si Oy ale sistemului rectangular plan corespunzator fusului respectiv.

Fig. 3.4 Proiectia cilindrica transversala Gauss-Kruger
1- Ecuator: 2- fusul nr. 35
Daca se procedeaza in mod asemanator pentru fiecare fus in parte se vor obtine 60 de imagini in plan care redau suprafata intregului Pamant. Cele 60 de fuse se numeroteaza cu cifre arabe de la vest la est: fusul din dreapta meridianului de 180 are numarul 1 iar cei din stanga are numarul 60, astfel ca fusele de langa meridianul Greenwich sunt numerotate cu 30 si 31.
Suprafata Romaniei este cuprinsa in fusele 34 si 35 cu meridianele axiale de 21 si 27 longitudine estica (fig.3.5). In acest sistem de proiectie distantele in lungul meridianului axial nu sufera deformatii dar cele de la marginea fusului sunt deformate; la latitudinea de 45 deformatia in marginea fusului este de 0,67 m pentru o distanta de 1 Km.

Fig. 3.5 Pozitia suprafetei Romaniei in proiectia cilindrica transversala Gauss-Kruger
Pentru un fus oarecare, intre coordonatele geografice p si X ale unui punct de pe elipsoid si coordonatele x si y ale punctului respectiv pe suprafata desfasurata a fusului exista o corespondenta de forma:
x = f1 (φ,λ) (3.1)
y = f2 (
b) Proiectia stereografica pe plan secant unic -1970
Aceasta proiectie azimutala conforma este utilizata in Romania incepand cu anul 1970 pentru scopuri economice. Punctul central al proiectiei este ales aproximativ la mijlocul teritoriului Romaniei (la nord de orasul Fagaras) avand coordonatele geografice = 46 si = 25, iar planul de proiectie intersecteaza elipsoidul de referinta la adancimea de 3502 m fata de punctul de tangenta. Prin aceasta intersectie rezulta aproximativ un cerc a carui raza este de 201,718 Km, de-a lungul caruia deformatiile prin proiectie sunt nule. in interiorul acestui cerc distantele proiectate sufera deformatii negative iar in exterior deformatii pozitive fata de cele reale (fig. 3.6) Sistemul cartezian al proiectiei are originea in punctul central, axa Ox pe directia Nord iar axa Oy pe directia Est (fig. 3.7). Coordonatele originii sistemului sunt x0 = 500.000 m si y0 - 500.000 m.

Fig. 3.6 Proiectia stereografica pe plan secant unic-1970 Fig. 3.7 Sistemul rectangular plan si cercul de deformatii nule
Adancimea planului secant (rt), deci raza cercului de deformatie nula s-a ales astfel incat in centrul proiectiei deformatiile specifice sa fie de - 0,25m/Km iar in zona granitelor sa fie de +0,215m/km, adica sa se echilibreze deformatiile negative cu cele pozitive pe ansamblul suprafetei tarii.
Aceasta proiectie prezinta deformatii mai mici decat cea cilindrica transversala, iar relatiile de trecere de la elipsoid la plan sunt mai usor de aplicat, astfel ca ea se foloseste in Romania pentru obtinerea planurilor si hartilor topografice si de interes economic.
3.3 Harti si planuri topografice
Hartile sunt reprezentari conventionale asemenea, reduse la o scara anume, ale unor suprafete terestre, pe foi de hartie. Daca suprafetele de reprezentat sunt foarte mari, atunci este necesar sa se ia in consideratie curbura Pamantului, iar pentru obtinerea reprezentarii se utilizeaza o proiectie cartografica. in acest caz reprezentarea va II o harta. Daca insa suprafetele 'de reprezentat sunt reduse, atunci reprezentarea lor in plan se poate realiza prin proiectante paralele verticale (o proiectie geometrica obisnuita). in acest caz nu se tine seama de curbura Pamantului si se obtin planuri topografice.
Considerand o foaie de hartie de marime obisnuita, prin proiectie geometrica clasica se poate reprezenta pe aceasta o suprafata de teren egala cu cea a foii de hartie. in acest caz scara de reprezentare este 1:1, adica distantele orizontale de pe teren s-au reprezentat cu aceeasi marime pe plan, rezultand toate detaliile de pe suprafata respectiva. Daca pe aceeasi foaie de hartie se doreste reprezentarea unei suprafete de patru ori mai mare, atunci distantele orizontale din teren trebuie sa Fie reduse de doua ori; scara de reprezentare este deci 1:2. in acest caz unele detalii mici din teren nu mai pot fi reprezentate pe foaia de hartie datorita limitarilor impuse de grosimea liniilor si de claritatea desenului.
Daca scara de reprezentare se alege de exemplu 1:5000, atunci distantele din teren se vor reduce de 5000 de ori. Pe foaia de hartie se pot reprezenta clar detalii care au dimensiuni minime de 0,5 mm, adica in teren au dimensiuni de 0,5 rnm x 5000 = 2500 mm = 2,5 m. Rezulta ca la aceasta scara nu pot fi reprezentate detalii cu dimensiuni reale mai mici de 2,5m. Cu cat reducerea distantelor este mai importanta, cu atat detaliile din teren posibil de reprezentat pe foaia de hartie vor avea dimensiuni mai mari, astfel ca la scara 1:1.000.000 detaliile cele mai mici vor avea dimensiuni reale de 0,5mmxl .000.000 = 500m.
Scara de reprezentare a unei harti se defineste ca un raport (constant pentru o harta data) intre distanta reprezentata si distanta reala corespunzatoare:
(3.2)
unde N este numitorul scarii, d- distanta reprezentata in plan si D- distanta corespunzatoare de pe teren.
Hartile se intocmesc de obicei la scari care au valoarea N rotunda (1:100, 1:500, 1:1000,
1:5000 1:1.000.000). Daca numitorul scarii este mic scara este mare iar daca numitorul este mare scara este mica, deoarece, de exemplu 1:100 > 1:1000. De obicei scara unei harti este prezentata pe foia de hartie sub forma numerica (de exemplu 1:1000) si sub forma grafica simpla.
Scara grafica simpla este o reprezentare a scarii numerice, sub forma unei axe cu o origine, in stanga originii se reprezinta la scara data o distanta rotunda reala, impartita in diviziuni avand de asemenea valori rotunde, in dreapta originii este reprezentata aceeasi distanta de mai multe ori (fig.3.8).

Fig. 3.8 Scara grafica simpla
Partea din stanga originii se numeste talonul scarii grafice. Scara grafica este utilizata la determinarea pe harta a distantelor cu ajutorul compasului distantier.
3.3.1 Continutul unei harti
Reprezentarea unei harti se realizeaza pe foi de hartie cu format dreptunghiular, astfel incat latura din stanga reprezinta directia topografica Nord - Sud a proiectiei respective. Reprezentarea propriu-zisa este limitata in stanga si in dreapta de traseele a doua meridiane, iar partea superioara si cea inferioara de traseele a doua paralele.
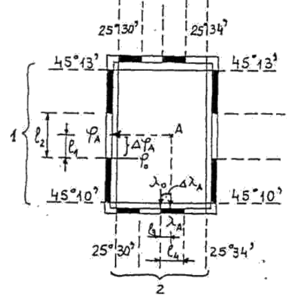
La exteriorul zonei desenate este trasat cadrul geografic al hartii (fig. 3.9) format din doua linii paralele intre care se afla spatii albe si spatii negre. Lungimea unui spatiu alb sau negrii de pe laturile stanga si dreapta ale hartii reprezinta lungimea unui arc de meridian de 1' latitudine. Lungimea unui spatiu alb sau negru de pe laturile superioara si inferioara ale hartii reprezinta lungimea unui arc de paralel de 1' longitudine. Deoarece, in functie de latitudine paralelii sunt mai scurti decat meridianul, rezulta ca in general, un spatiu alb sau negru pe latitudine este mai lung decat cel de pe longitudine.
Daca se unesc imaginar capetele segmentelor negre si albe de pe laterale se obtin paralelii de pe zona reprezentata, iar prin unirea capetelor segmentelor negre si albe de pe partile superioara si inferioara se obtin meridianele zonei respective.

Fig. 3.9 Cadrul geografic al hartii
paralele ; 2- meridiane
In colturile cadrului geografic sunt inscrise latitudinile si longitudinile minime si maxime ale zonei reprezentate, in grade si minute sexagesimale.
Cadrul geografic permite determinarea coordonatelor geografice (latitudinea φ si longitudinea λ) pentru oricare punct de pe suprafata reprezentata, in modul urmator (vezi fig. 3.9): din punctul respectiv se coboara perpendiculare pe latura inferioara si pe cea din stanga, determinandu-se astfel latitudinea, si longitudinea ale capetelor de segment intersectate de perpendiculare. In continuare se masoara lungimile segmentelor de cadru corespunzatoare unui minut de latitudine (l2) si longitudine (l4) si distantele de la capetele segmentelor intersectate pana la perpendicularele respective, pe latitudine (l1) si pe longitudine (l3). Coordonatele geografice ale punctului respectiv (punctul A ) vor fi:

Peste zona care cuprinde reprezentarea propriu-zisa a hartii este suprapusa o retea de patrate trasate cu linii de culoare neagra. Laturile acestei retele sunt paralele cu axele Ox si Oy ale sistemului cartezian, considerate in centrul sistemului de proiectie ales, dar nu sunt paralele cu marginile reprezentarii care sunt meridiane si paralele ale zonei. Latura unui patrat reprezinta pe teren o distanta de lKm. Pe marginea reprezentarii sunt inscrise, in cifre, coordonatele liniilor retelei de patrate fata de originea sistemului cartezian al centrului de proiectie, in Km (fig. 3.10).

Fig. 3.10 Reteaua rectangulara a hartii
Reteaua de patrate a hartii permite determinarea coordonatelor carteziene plane ale unui punct A, de pe harta astfel (fig. 3.10): din punctul respectiv se coboara perpendiculare pe laturile din stanga si de jos ale patratului in care se afla punctul A. Coordonatele coltului din stanga jos al patratului se pot citi direct pe marginea reprezentarii hartii. in continuare se masoara distantele d1 si d2, intre coltul stanga jos si picioarele perpendicularelor coborate din punctul A. Aceste distante vor reprezenta diferentele de coordonate:
unde N este numitorul scarii hartii.
Coordonatele rectangulare ale punctului A vor II:
In exteriorul cadrului hartii sunt inscrise cu cifre si litere informatii privitoare la harta si la zona de teren reprezentata. La partea superioara este inscrisa numerotarea hartii si numele localitatii principale din zona reprezentata. La partea inferioara sunt inscrise scara hartii sub forma numerica si grafica, valoarea convergentei medii a meridianelor, anul executiei hartii si altele.
3.3.2 Reprezentarea detaliilor de suprafata si de relief pe harti
Pe zona de reprezentare propriu-zisa a hartii se regasesc sub forma micsorata (la scara hartii) detaliile vizibile de pe teren. Aceste detalii sunt constituite din: traseele cursurilor de apa, lacurile naturale sau artificiale, traseele soselelor, orice tip de constructie, localitati ele. in general, daca proiectia in plan a detaliului respectiv este suficient de mare, atunci prin reducerea la scara a dimensiunilor acestuia rezulta un contur care poate fi reprezentat pe plan printr-o linie inchisa sau deschisa. in acest caz detaliul respectiv este trasat pe plan prin conturul sau real redus Ia scara hartii.
Daca detaliul din teren are dimensiuni mici, atunci prin reducerea la scara a conturului sau rezulta un punct, deci detaliul nu poate fi reprezentat la scara planului. in acest caz in punctul respectiv se deseneaza pe harta un simbol cartografic care reprezinta obiectul respectiv. Acest simbol se numeste semn conventional specific. La realizarea hartilor se utilizeaza mai multe tipuri de semne conventionale standardizate, care se regasesc in atlasul de semne conventionale, astfel ca fiecare tip de detaliu din teren are un semn conventional caracteristic.
Pe langa conturul detaliilor mari si semnele conventionale ale detaliilor mici, pe suprafata hartii apar si inscriptii formate din cifre si litere, care dau linele explicatii referitoare la detaliile reprezentate, ca de exemplu denumirile localitatilor, denumirile cursurilor de apa, cotele unor puncte importante, dimensiuni importante etc. La multe dintre harti se utilizeaza si culori pentru a inlesni recunoasterea unor detalii. Spre exemplu, pentru reprezentarea zonelor ocupate de apa (cursuri de apa, lacuri, mari) se utilizeaza culoarea albastra.
Desi harta este o reprezentare in plan, formele de relief ale terenului se pot desena prin intermediul unor semne conventionale speciale numite curbe de nivel. Curbele de nivel sunt linii inchise desenate cu culoarea sepia (maro) care au o semnificatie fizica: fiecare linie reprezinta punctele de pe teren care au aceeasi altitudine. Pe harta se reprezinta de obicei curbe de nivel ale punctelor cu altitudini de valoare rotunda, care difera cu un anumit interval tot de valoare rotunda, numit echidistanta.
Se considera o forma de relief (de exemplu o colina), planul de proiectie situat la nivelul marii si mai multe plane paralele cu planul de proiectie, situate la altitudini crescatoare cu un interval constant, E. Prin intersectia intre forma de relief si aceste planuri se obtin contururi inchise (fig.3.11) care, pot fi proiectate pe planul de proiectie, rezultand curbele de nivel. Pe fiecare curba de nivel se inscrie valoarea altitudinii planului orizontal, care prin intersectie cu terenul a generat curba respectiva. in acest mod se obtin contururi inchise incluse unul in celalalt (care nu se intersecteaza). Daca se studiaza atent forma in plan a acestor contururi si altitudinile pe care le reprezinta se obtin informatii despre tipul formei de relief si inclinarea terenului in zona respectiva.
Curbele de nivel se deseneaza pe harta prin suprapunere peste detaliile plane reprezentate si permit sa se determine cu o precizie suficient de buna cota unui punct oarecare de pe zona reprezentata. Aceasta operatie decurge in modul urmator: daca punctul este situat chiar pe traseul unei curbe de nivel de pe harta, atunci altitudinea acestuia va fi egala cu altitudinea reprezentata de curba de nivel respectiva, valoare care se citeste pe traseul curbei respective sau se calculeaza fata de valoarea inscrisa pe o curba vecina. Daca punctul nu este situat pe o curba de nivel, atunci acesta se va situa automat intre doua curbe de nivel vecine ale caror altitudini difera prin valoarea constanta, E (echidistanta).

Fig. 3.11 Semnificatia fizica a curbelor de nivel
In aceasta situatie, cota punctului oarecare, A se va determina in maniera urmatoare (fig. 3.12): prin punctul respectiv se traseaza pe harta o dreapta aproximativ normala la curbele de nivel vecine, care reprezinta cotele z1 si z2 = z1 + E si care incadreaza acest punct. Se masoara cu o rigla distantele l1 si l2 iar altitudinea punctului A se va calcula cu relatia:
![]()
unde z2 -z1 = E este echidistanta planelor care au generat curbele de nivel.

Fig. 3.12 Determinarea altitudinii unui punct cu ajutorul curbelor de nivel
Panta terenului in lungul aliniamentului 1-2 se poate calcula cu:
(3.7)
unde N este numitorul scarii hartii iar α este unghiul de inclinare a aliniamentului fata de orizontala.
3.3.3 Numerotarea foilor de harta
In cazul unui teritoriu de intindere mare, reprezentarea acestuia nu se poate realiza pe o singura foaie de hartie deoarece suprafata acesteia ar trebui sa fie prea mare iar utilizarea sa foarte dificila. De obicei, pentru intocmirea hartilor se utilizeaza foi de hartie cu formatul de aproximativ 40x50 cm. Rezulta deci ca teritoriul respectiv se imparte in suprafete mai mici, aproximativ egale, care la scara aleasa se pot reprezenta pe o foaie de hartie cu formatul dat mai sus. Pentru a crea o
ordonare a suprafetelor reprezentate si pentru a recunoaste sistemul de proiectie utilizat, aceste suprafete partiale si hartile lor primesc fiecare in parte o denumire (sau o numerotare).
Consideram ca exemplu impartirea sferei terestre prin meridiane trasate din 6 in 6, in proiectia cilindrica transversala Gauss- Kruger in care, asa cum s-a aratat, rezulta 60 fuse terestre numerotate 160.
Peste reteaua de meridiane se suprapune o retea de paralele trasate din 4 in 4 latitudine incepand de la Ecuator catre cei doi poli terestri. Se formeaza astfel zone de 4 latitudine notate cu literele mari ale alfabetului latin, incepand de la Ecuator catre cei doi poli (fig. 3.13). Suprafata Pamantului este astfel impartita in trapeze curbilinii care primesc drept denumire litera zonei de latitudine si numarul fusului ( ex. L- 35). Teritoriul corespunzator unui trapez curbiliniu astfel obtinut se poate reprezenta sub forma de harta pe o foaie de hartie de format obisnuit la scara 1:1.000.000. Pentru a intocmi harta emisferei nordice a Pamantului sunt deci necesare 60x20 = 1200 foi de hartie de format obisnuit.

Fig. 3.13 impartirea sferei terestre in trapeze in proiectia Gauss- Kruger
1- meridianul zero ; 2- Ecuator; 3- fus ; 4- zone pe latitudine ; 5- trapezul L-35
Suprafata Romaniei este cuprinsa in
trapezele K-34, K-35, K-36, L-34, L-35, L-36,M-34, M-35, M-36, deci pentru harta Romaniei la scara 1:1.000.000 sunt
necesare 9 foi de hartie. Pentru a realiza
harta Romaniei la scara 1:500.000, teritoriul fiecarui trapez se imparte in 4
suprafete aproximativ egale (fig. 3.14) notate cu denumirea trapezului
la care se adauga literele mari ale alfabetului A, B, C, D. Rezulta ca pentru
suprafata tarii sunt necesare 9 x 4 = 36 foi de hartie pentru a obtine harta la scara 1:500.000. Acestea vor fi
notate K-36-A, pana la M-36-D. Pentru harta Romaniei la scara 1:200.000,
suprafata fiecarui trapez se imparte in 36 de parti egale, caz in care vor fi necesare 9x36=324 foi de
harta notate K-34-I pana la M-36-XXXV1 (fig: 3.15).
Pentru harta Romaniei la scara 1:100.000 trapezele K-34 M-36 se impart fiecare in 144 parti
egale, care vor fi reprezentate pe foi de hartie de format obisnuit.

fig. 3.14 Harti la scara 1:500000 pt. trapezul L-35 fig. 3.15 Harti la scara 1:200000 pt trapezul L-35
In acest caz vor fi necesare 9x144=1296 foi de hartie iar hartile astfel obtinute vor fi numite K-34-1 pana la M-36-144 (fig. 3.16). Hartile la scara 1:50.000 se obtin prin impartirea suprafetelor corespunzatoare fiecarui trapez reprezentat la scara 1:100.000 in 4 parti egale notate A, B, C, D. in acest caz trapezul terestru L-35, de exemplu, va fi reprezentat la scara 1:50.000 pe 144x4=576 foi de hartie.

Fig. 3.16 Harti la scara 1:100000 pentru trapezul L-35
Hartile obtinute astfel se noteaza de la L-35-1-A pana la L-36-144-D. Daca trapezele corespunzatoare scarii 1:50.000 se impart la randul lor in 4 parti notate a, b, c, d se obtin suprafete care pot fi reprezentate pe o foaie de hartie de format obisnuit la scara 1:25.000. in acest caz
trapezul terestru L-35, de exemplu se va putea reprezenta pe 144x4x4=2304 harti la scara 1:25.000 notate L-35-1-A-a pana la L-35-144-D-d.
Pentru obtinerea hartilor la scara 1:10.000, fiecare suprafata corespunzatoare hartilor la scara 1:25.000 se imparte in 4 parti notate 1, 2, 3, 4. in acest caz reprezentarea trapezului terestru L-35 la scara 1:10.000 se va putea face pe 144x4x4x4=9216 foi de hartie de format obisnuit, iar hartile obtinute se denumesc L-35-l-A-a-l pana la L-35-144-D-d-4. Rezulta ca cele 9 trapeze terestre pe care se afla suprafata Romaniei se pot reprezenta la scara 1:10.000 pe 9x9216=82944 foi de hartie de format obisnuit.
Denumirile hartilor, asa cum s-a aratat mai sus sunt valabile in proiectia Gauss-Kriiger, dar pentru tara noastra se pastreaza aceeasi numerotare a hartilor si in planul proiectiei stereografice pe plan secant 1970, cu exceptia hartilor la scari mai mari de 1:10.000.
|
Politica de confidentialitate | Termeni si conditii de utilizare |
Vizualizari: 9209
Importanta: ![]()
Termeni si conditii de utilizare | Contact
© SCRIGROUP 2025 . All rights reserved