| CATEGORII DOCUMENTE |
| Animale | Arta cultura | Divertisment | Film | Jurnalism | Muzica |
| Pescuit | Pictura | Versuri |
Manual BEN
(Bioenergie Nordica) sistem pe peleti -
|
|
|
Ghid general:
Cazanul se va instala de catre o firma autorizata cu respectarea normelor si prescriptiilor in vigoare.Legatura dintre cosul de fum si cazan nu poate depasi 1 m si este recomandat aplicarea unei usi de curatare pe acesta.Tirajul hornului trebuie sa fie de min. 5Pa; montarea unui regulator de tiraj este recomandat. Daca gazele de ardere se condenseaza in horn (cenusa umeda) este necesara instalarea unui exhaustor in horn sau deschideti trapa (se afla in spatele cazanului) cat de larg se poate, pentru a creste temperatura fumului. Se va monta un bypass pentru ca temperatura apei din retur sa nu scada sub grade.
Instalarea focarului de ardere in cazanul Bio Comfort:
Focarul se va monta pe partea laterala a cazanului (demontati mai intai placa de protectie de pe cazan).
Montati panoul de comanda pe perete
Montati senzorul de supraincalzire pe laterala cazanului si apoi conectati aparatul la panoul de comanda. Acesta va proteja cazanul impotriva supraancalzirii,oprind alimentarea sistemului cu energie electrica.
Montati termostatul pe teava de tur. (Demontati izolatia pentru un contact direct)
Montati teava de legatura intre tubul de alimentare cu peleti si arzator Conectati tubul de alimentare astfel ca aceasta sa intre in intregime pe teava de legatura (PELETII NU AU VOIE SA SE BLOCHEZE IN TEAVA!
In cazul in care peletii se lipesc sau infunda teava de alimentare spalati teava cu jet de apa.
Accesorii recomandate pentru montarea si instalarea cazanelor pe peleti
Pentru functionarea in parametrii proiectati,in scopul evitarii problemelor de service si pentru a asigura o durata de viata ridicata cazanelor va recomandam folosirea urmatoarelor accesorii la montarea si instalarea cazanelor:
-vas de expansiune
-supapa de siguranta
-vana de amestec cu 3 cai
-pompa de circulatie
-termostat de teava sau de imersie pentru comanda pompei de circulatie
Va recomandam deasemenea consultarea schitelor de montaj din manualul de instalare la alegerea solutiei tehnice de realizare a sistemului de incalzire.



GHID DE INSTALARE CAZAN

Instalarea arzatorului in cazan:
Verificati integritatea arzatorului
Asezati arzatorul in orificiul de pe laterala cazanului si insurubati cele doua suruburi din pachet.
Asigurati-va ca arzatorul este in pozitie orizontala si imbinarea cu peretele cazanului este corespunzatoare
Asezati capacul acestuia apoi conectati arzatorul la sursa electrica
Conectati rezistenta electrica ,respectand diagrama de conectare electrica din acest manual.
Alimentator cu melc:
Instalati tubul si teava de conectare intre alimentatorul de peleti si arzator.
Tubul si teava de conectare trebuie sa aiba o inclinatie corespunzatoare ca peletii sa cada liber in arzator.
La prima folosire:
Asigurati-va ca sunt peleti in teava de alimentare
Porniti alimentatorul tinand apasat timp de 5 secunde butonul UP.
Daca peletii cad din tub,opriti sistemul apasand tasta DOWN (jos).
Oprirea alarmei:
11. Daca porneste alarma sau arzatorul nu porneste, reporniti arzatorul folosind tasta ON/OFF de pe panoul de comanda.




Apasati butonul SET pentru a accesa meniul USER SETUP (MENIU UTILIZATOR) pentru setarile standard.
Tasta UP este folosita pentru majorarea valorilor de parametrii si pentru pornirea fortata a alimentatorului de peleti (tineti apasat timp de 5 secunde).
Tasta DOWN este folosita pentru scaderea valorilor de parametrii si pentru oprirea sau pornirea cazanului (tineti apasat timp de 10 secunde).
|
Temperature Auto combustion Man. Combustion Timer Cleaning/power Control |
BOILER TEMPERATURE (TEMPERATURA CAZANULUI) Puteti seta temperatura dorita Arzatorul va regla automat puterea sa in functie de valoarea introdusa. Cu grade peste aceasta valoare, arzatorul va intra in pauza sau se opreste singur |
|
SUMMER (VARA) Setand pe optunea YES(DA) cazanul va intra in mod economic reducand puterea sa la 50%. |
|
|
PAUSE DIFF. TEMP (REPAUS LA DIFERENTE DE TEMPERATURA Determina valoarea sub care temperatura cazanului va scadea inainte ca acesta sa reporneasca. |
|
Temperature Auto combustion Man. Combustion Timer Cleaning/power Control |
SCREW CAPACITY (CAPACITATEA MELCULUI) Dupa introducerea gramajului cantarit in cele 6 min, panoul va calcula automat cantitatea necesara de peleti in timpul functionarii, totodata si cantitatea de peleti necesara pentru aprindere. Pentru a intensifica arderea micsorati valoarea cu ajutorul sagetii JOS. Pentru a reduce intensitatea de ardere majorati valoarea cu ajutorul sagetii SUS. |
|
CHIMNEY DRAUGHT (TIRAJ COS) Prin majorarea valorii puterea ventilatorului va creste la atunci cand cazanul se afla la o putere joasa si atunci cand acesta se afla in pauza. La cresterea tirajului calculatorul automat va calcula cantitati mai ridicate la functionare la puteri joase si la pauza. Daca tirajul hornului este puternic valoarea trebuie sa fie mai mica. Daca tirajul hornului este slaba valoarea trebuie sa fie mai mare. |
|
|
YES/NO (DA/NU) Pornirea sau oprirea calculatorului automat, on/off (pornit/oprit). In cazul in care aceasta este pornita, doar setarea alimentarii cu peleti se poate modifica. |
|
Temperature Auto combustion Timer Cleaning/power Control |
PELLETS LOW (CANTITATE REDUSA DE PELETI Setarea cantitatii de peleti pentru putere redusa. Setarea trebuie efectuata in asa fel incat sa existe flacara la 10% din putere. |
|
PELLETS HIGH (CANITATE MAXIMA DE PELETI) Setarea cantitatii de peleti pentru putere maxima. Setarea trebuie efectuata in asa fel incat arderea sa fie puternica la o putere de |
|
|
PELLETS PAUSE (CANITATE DE PELETIIN REPAUS Setarea cantitatii de peleti in timpul repausului. Daca nu sunteti convinsi de setarile efectuate folositi optiunea pentru calculare automata. |
|
|
STARTS/MINUTE (PORNIRI/MINUTE) Defineste numarul de porniri / minut a alimentatoului |
|
|
Temperature Auto combustion Timer Cleaning/power Control |
STARTS/DAY (PORNIRI/ZILE) Setarea ciclului zilnic de operare. 1 semnificand o pornire in fiecare 24 ore 6 semnificand o pornire in fiecare 4 ore Activand aceasta optiune, ciclul de operare este pornit. |
|
PERIOD TIME (PERIOADA DE TIMP) Functionare cazanului conform ceasului intern. Timpul trebuie setat in asa fel incat cazanul sa atinga temperatura de lucru. |
|
|
NEXT START (URMATOAREA PORNIRE Porneste cazanul dupa expirarea unui timp setat. Aceasta setare se foloseste cand cazanul trebuie pornit fara nici o interventie manuala, ex. la 4:00 dimineata. |
|
|
CLOCK (CEAS) Exactitatea ceasului depinde de instalatia electrica a casei. Ceasul este calibrat de fiecare setare. ATENTIE. Ceasul nu contine baterie, astfel la o pana de curent acesta isi pierde setarea. |
|
|
| |
|
Temperature Auto combustion Cleaning/power Control |
CLEANING INTERVAL (INTERVAL DE CURATARE Puteti seta intervalul de curatire a arzatorului. Daca arzatorul este folosit pe o cantitate redusa de peleti intervalul poate fi redus la minute, cu o curatire de secunde. |
|
CLEANING TIME (TIMPUL DE CURATARE Setarea timpului de curatire. Cu cat intervalul este mai scurt,cu atat si timpul de curatare trebuie sa fie mai scurt. |
|
|
MINIMUM POWER (PUTERE MINIMA Setare la putere minima. Daca cazanul lucreaza cu o cantitate scazuta de peleti si apar dificultati in operare, aceasta setare se poate modifica la o valoare mai ridicata. |
|
|
MAXIMUM POWER (PUTERE MAXIMA Setare la putere maxima. Daca cazanul ajunge rapid la o temperatura ridicata, puterea trebuie redusa. |
SETAREA URNMATOARE TREBUIE AJUSTATA DOAR IN CAZUL IN CARE CAZANUL ESTE DOTAT CU UN SENZOR LAMBDA!!
|
Temperature Auto combustion Cleaning/power Control |
MIN POWER LA PUTERE REDUSA Cantitatea surplusului de oxigen in fum la o performanta redusa. Regleaza cantitatea de combustibil ca excesul de oxigen sa aiba valoarea setata. Daca cazanul scoate fum la o putere redusa, setati o cantitate mai mare de oxigen. Daca senzorul de lumina nu detecteaza aprinderea, inseamna ca aprinderea este prea slaba. Setati o valoare mai mare pentru oxigen. Flacara trebuie sa aiba o culoare galbena. |
|
MAX POWER LA PUTERE MAXIMA) Cantitatea excesului de oxigen in fum la putere maxima. Regleaza cantitatea de peleti ca excesul de oxigen sa aiba valoarea setata. Daca cazanul scoate fum la o putere maxima, setati o cantitate mai mare de oxigen. Daca flacara arde cu intensitate mare si trosneste, reduceti valoarea de oxigen. |
|
|
OFF DISPLAY ON (OPRIRE / AFISARE / PORNIRE) Cupleaza reglarea oxigenului la ON/OFF (pornit/oprit). Regulatorul de oxigen ON Arzatorul va fi alimentat cu o cantitate optima cu peleti conform procentajului de oxigen. Regulatorul de oxigen la DISPLAY Puteti citi procentajul, dar cantitatea de peleti nu se va calcula automat. Cu cat cazanul este izolat mai bine, cu atat reglarea oxigenului va fi mai buna. Este recomandata montarea unui regulator de fum in cosul cazanului ,acesta va reduce tirajul |
SETARI EXTINSE (Apasati buton SET timp de secunde).
|
Ignition Pause Run Sensor Fine tune PID regulation Temp. alarm |
PELLETS (CANTITATE DE PELETI Timpul (sec) in care melcul se va roti alimentand peleti pentru aprindere. |
|
PERIOD (PERIOADA) Setarea duratei maxime de aprindere. |
|
|
POWER (PUTERE) Setarea puterii de aprindere electrica. |
|
|
FIRE LIMIT (LIMITA DE APRINDERE Setarea intensitatii minime de lumina necesara aprinderii. |
|
|
Ignition Pause Run Sensor Fine tune PID regulation Temp. alarm |
MAXIMUM MINUTES (MINUTE MAXIME) Timpul maxim de pauza, la expirarea acestui interval arzatorul va aprinde automat. |
|
BLOWER (SUFLANT Viteza suflantei in timpul pauzei. |
|
|
PAUSE DIFFERENCE TEMP (PAUSA LA DIF. DE TEMPERATURA) Defineste cu cate grade scade temperatura pana la repornirea cazanului. |
|
Ignition Pause Run Sensor Fine tune PID regulation Temp. alarm |
GAIN (CANTITATE) Seteaza cantitatea de oxigen ce trebuie reglat. SENSOR TUNE (SETARE SENZOR DE Calibrarea senzorului de oxigen pentru o
citire corespunzatoare. |
|
Ignition Pause Run Sensor Fine tune PID regulation Temp. alarm |
MIN. POWER (PUTERE MINIMA) Corecteaza programul de calculare la o alimentare minima. A se folosi in conditii speciale, provoaca diferente in calculare. MAX. POWER (PUTERE MAXIMA) Corecteaza programul de calculare la o alimentare maxima. A se folosi in conditii speciale, provoaca diferente in calculare. |
|
Ignition Pause Run Sensor Fine tune PID regulation Temp. alarm |
P GAIN Ajusteaza puterea conform deviatiei de la temperatura dorita. I GAIN Ajustarea puterii conform deviatiei de timp a arzatorului de la temperatura dorita. D GAIN Ajustarea puterii conform tendintei de temperatura a cazanului. |
|
Ignition Pause Run Sensor Fine tune PID regulation Temp. alarm |
BURNER TEMP. MAX (TEMPERATURA MAXIMA ARZATOR Defineste temperatura maxima din arzator. Protejeaza cazanul contra combustiei inverse. BOILER TEMP. DIFF (DIFERENTA DE TEMPERATURA IN CAZAN Seteaza deviatia maxima de la punctul de temperatura setat la cazan inainte ca arzatorul sa declanseze alarma ce semnaleaza caderea temperaturii in cazan . |
SETARI EXTINSE SETAREA PARAMETRILOR
Parametrii lucreaza in modulatii de de pasi si schimba pasii automat.
Daca folositi programul pentru calcul automat,dupa setareacantitatii de peleti alimentate, nici o alta setare nu este necesara.
Setarea peletilor la putere joasa si ridicata
In timpul folosirii zilnice, ocazional este recomandat verificarea aprinderii si reglarea flacarii.
Ori de cate ori peletii folositi se schimba (marimea sau lungimea peletilor, etc. ), rata de dozare a alimentatorului implicit se schimba, ceea ce va afecta arderea.
(Totusi, daca arzatorul este echipat cu un regulator de oxigen, arzatorul va fi reglat automat.)
Daca este o flacara prea mare in caz de putere joasa (putere intre 10 - 30 % )
Peleti de culoare inchisa sau neagra in cenusar sau cenusa este neagra.
In acest caz este necesar reducerea cantitatii de peleti la putere joasa.
(Reduceti tirajul cosului (CHIMNEY DRAUGHT) sau reduceti valoarea optiunii (PELLETS LOW) (cantitate scazuta de peleti).
Daca este o flacara prea mare in caz de putere ridicata (putere intre 70 - 100 % )
Bucati cu culoare inchisa sau negre sau cenusa este neagra, in acest caz este necesar reducerea cantitatii de peleti la o alimentare ridicata. (Mariti performanta alimentatorului cu peleti (Cleaning/power) sau reduceti valoarea optiunii (PELLETS HIGH) (cantitate mare de peleti).
Daca este o flacara slaba in caz de alimentare joasa (intre 10 - 30 % performanta)
Flacara mica si improscare de scantei sau cenusa are culoare gri deschis. in acest caz mai multi peleti sunt necesari.
(Mariti tirajul cosului sau majorati valoarea optiunii (PELLETS LOW) (cantitate joasa de peleti).
Daca este o flacara slaba in caz de alimentare ridicata (putere intre 70 -100 %)
Flacara mica si improscare de scantei sau cenusa are culoare grii deschis, cu peleti de culoare inchisa.
In acest caz mai multi peleti sunt necesari.
(Reduceti performanta alimentatorului cu peleti (Cleaning/power) sau majorati valoarea optiunii (PELLETS HIGH) (cantitate mare de peleti).
Arzatorul trebuie fixat corespunzator,astfel incat sa nu iasa fum pe langa acesta.
Din arderea corecta rezulta cenusa cu o culoare gri inchis, totusi acesta poate varia in functie de tipul peletilor folositi.
Cenusa alba sau deschisa la culoare inseamna aer in exces.
Programarea corespunzatoare a cazanului poate reduce semnificativ consumul de peleti.
Tip combustibil
Cazanul este proiectat pentru peleti de 5-8 mm
GHID DE CURATARE
Inainte de a-l curata, cazanul trebuie oprit.
Opriti panoul de comanda (apasati butonul on/off timp de 10 secunde) apoi lasati arzatorul sa se raceasca. Deconectati arzatorul de la panoul de comanda, demontati carcasa acestuia, teava de legatura intre alimentatorul cu peleti, apoi desurubati arzatorul. Puteti incepe curatarea.
Arzatorul
trebuie curatat periodic si ori de cate ori este necesar.
Acest lucru va asigura ca arzatorul sa functioneze cat mai eficient.
Cu cat cazanul este mai potrivit si calitatea peletilor folositi este mai buna, cu atat creste intervalul de curatare.
Cazanul
Curatati cenusa depozitata in cazan.Scoateti tabla care separa cenusarul de camera de ardere sicuratati toate suprafetele interioare a camerei de ardere.
Curatati cenusa in zona cosului si a tevii de retur.
Cosarul NU CURATA teava de legatura dintre cazan si cos, acesta trebuie curatat periodic Un aspirator vechi se poate folosi pentru curatare
Zone de curatare

Arzatorul
Curatati gratarul de cenusa si zgura.
Curatati incaperea de sub gratar de orice ramasite de peleti.
Stergeti sesizorul de flacara.
Verificati daca ventilatorul este curat.
|
|
FOARTE IMPORTANT!!! ARZATORUL VA FI DETERIORAT DACA GRATARUL NU ESTE POZITIONAT CORECT!!! |
Rezervorul de peleti
Pentru ca peletii contin praf rezidual de peleti, alimentatorul cu peleti trebuie curatat periodic. Cut cat cantitatea de reziduuri este mai mare cu atat reduce alimentarea cu peleti, care implicit va influenta setarile din panoul de comanda. Frecventa curatarii alimentatorului va depinde de calitatea peletilor.
Repornirea dupa curatare
Remontati arzatorul si porniti sistemul (apasati butonul ON/OFF timp de 10 secunde), dupa care arzatorul va porni automat. NU UITATI capacul arzatorului, pentru ca valorile de temperatura masurate in camera de ardere sa fie corecte.
SOLUTIONAREA PROBLEMELOR CE POT APAREA IN TIMPUL FOLOSIRII CAZANULUI
|
Nr crt |
Defectiune |
Cauza posibila |
Solutie |
|
Explozie de gaze arse |
1.Cenusa sau zgura in arzator |
Curatati cazanul si cosul.Izolati cosul.Apelati la un cosar. |
|
|
2.Cenusa in caile gazelor arse sau in cos. |
|||
|
3.Tiraj necorespunzator al cosului. |
|||
|
Esec la aprindere(Fault ignition) |
1.Tavita inox din arzator nu este pozitionat corect. |
Pozitionati corect tava de inox. |
|
|
2.Cenusa sau zgura in arzator. |
Curatati arzatorul. |
||
|
3.Rezistenta de aprindere nu este pozitionat corect. |
Pozitionati rezistenta corect. |
||
|
4.Peleti de calitate proasta sau umezi. |
Schimbati peletii. |
||
|
5.Rezistenta electrica arsa. 6. Prea multi peleti la aprindere |
Verificati sistemul de alimentare a cazanului cu curent electric.Daca aveti intreruperi de curent des,recomandam folosirea unei surse de curent neintreruptibila stabilizata pentru alimentarea cazanului.Apelati la unitatea service pentru schimbarea rezistentei. Curatati tavita de inox de peleti apoi micsorati valoarea PELLETS sub meniul IGNITION. |
||
|
7.Tiraj necorespunzator al cosului. |
Curatati cosul si caile gazelor de ardere.Apelati la un cosar pentru verificarea cosului. |
||
|
8.Senzorul de lumina murdar,pozitionat necorespunzator sau defect. |
Curatati senzorul,modificati pozitia senzorului.Apelati la unitatea service pentru schimbarea senzorului. |
||
|
9.Legaturile rezistentei de aprindere sau a senzorului de lumina in panoul electronic slabite sau necorespunzatoare. |
Apelati la unitatea service pentru refacerea legaturilor. |
||
|
10.Alimentarea cu peleti intrerupta. |
Verificati si curatati sistemul de alimentare cu peleti. |
||
|
11.Siguranta arsa in panoul electronic. |
Apelati la unitatea service pentru schimbarea sigurantei. |
||
|
Pe afisaj apare 'Boiler temp.' |
1.Temperatura apei din circuitul de incalzire a ramas sub 35 C timp de 2 ore sau scade brusc cu minim 25 C si ramane la aceasta valoare timp de 15 minute.Cauza este in majoritatea situatiilor instalatia de incalzire proiectata si dimensionata necorespunzator. |
Refaceti instalatia de incalzire. |
|
|
2.Programare necorespunzatoare. |
Reprogramati cazanul. |
||
|
Afisaj intunecat |
1.Termostatul de siguranta a decuplat cazanul. |
Rearmati termostatul de siguranta dupa remedierea defectiunii ce a cauzat decuplarea |
|
|
2.Siguranta arsa in panoul electronic. | |||
|
3.Alimentarea cazanului cu curent electric intrerupta. |
Verificati sistemul de alimentare cu curent electric. |
||
|
Consum de peleti mare,temperatura din sistemul de incalzire nu creste. |
1.Programare necorespunzatoare. |
Reprogramati cazanul. |
|
|
2.Tiraj cos necorespunzator. |
Apelati la un cosar sa va verifice si sa va curete cosul. |
||
|
3.Peleti de calitate proasta. |
Schimbati peletii. |
||
|
4.Instalatia de incalzire proiectata si dimensionata necorespunzator. |
Refaceti instalatia de incalzire. |
||
|
5.Sibarul cazanului este in pozitia inchis. |
Deschideti sibarul. |
||
|
In cenusar apar peleti innegriti,nearsi. |
1.Peleti de calitate proasta. |
Schimbati peletii. |
|
|
2.Cantitatea de peleti programata necorespunzator. |
Ajustati cantitatea de peleti. |
||
|
Arzatorul si cazanul imbicsite cu funingine. |
1.Tiraj necorespunzator. |
Apelati la un cosar pentru verificarea si curatarea cosului. |
|
|
2.Cantitate de peleti necorespunzatoare. |
Ajustati cantitatea de peleti. |
||
|
3.Cantitatea de peleti pentru modul de lucru 'stand-by'necorespunzatoare. |
|||
|
ERROR LIGHT SENZOR (EROARE LA SENZORUL DE LUMINA) |
1.Senzor de lumina murdar sau defect 2.Conexiunea intre panou si arzator este gresit |
Apelati la unitatea service pentru schimbarea sigurantei. Verificati conexiunea intre arzator si panoul de comanda |
|
|
PLUG OFF |
Cablajul intre arzator si panou a fost intrerupt |
Reaplicati cablul panoului de comanda la arzator |
|
GARANTIE
Pentru toate produsele cumparate de la NBE sunt valabile legile comerciale Daneze. Aceste produse au o garantie de 2 ani din momentul cumpararii acestora.
Totusi acesta nu se refera si la senzorul de oxigen al gazelor arse, la aprinderea electronica sau gratarul de ardere.
Aceste componente sunt considerate produse de consum.
Garantia se considera nula in cazul in care defectiunea produsului a fost provocat de catre cumparator, fie accidental, fie prin folosirea incorecta a acestuia, curatare necorespunzatoare, starea cosului, sau alte circumstante. Garantia nu se refera la componente ca senzorul de oxigen a gazelor arse, aprinderea electrica sau gratarul de ardere. Cumparatorul este obligat sa verifice produsul in momentul preluarii.
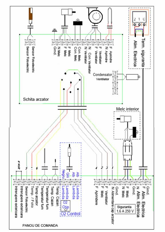
DIAGRAMA ELECTRICA

MONTAREA REZERVORULUI DE PELETI

MANUAL DE OPERARE
ATENTIE!
CITITI CU ATENTIE DOCUMENTATIA CE INSOTESTE CAZANUL!
Orice interventie la cazan se va face cu cazanul oprit ,in stare racita,scos de sub tensiune si numai de catre personal specializat si autorizat ISCIR pentru aceasta activitate!
Nu se admite depozitarea de materiale inflamabile in incinta in care este montat cazanul!
Daca aveti intreruperi dese de curent,recomandam folosirea unei surse de tensiune neintreruptibila stabilizata pentru alimentarea cazanului !
Nu se deschide
PORNIRE SISTEM:
Verificati daca flexibilul de alimentare a fost montat corespunzator pe arzator
Verificati cablajul intre panoul electric si arzator
Verificati cablajul intre snec si panoul de comanda
Verificati daca senzorul de temperatura a fost montat pe teava de tur, la racordarea la cazan.
Verificati daca placa metalica a fost montata in interiorul cazanului (vezi explicatie mai jos si fig.1 si 2.)
Verificati daca aveti o presiune de min 1,5 bar pe manometrul de pe panoul frontal a cazanului.
Verificati daca sunt peleti in rezervor.Interzis alimentarea cazanului cu alt combustibil decat cu peleti.Atentie sa nu ajunga corpuri straine in rezervorul de peleti.
Apasati tasta "sageata sus" de pe panoul de comanda si tineti apasat timp de 5 sec. apoi conectati sistemul la sursa 220V AC.
Pe ecran va apare mesajul "Incarcare cu peleti", dupa care sistemul va incepe incarcarea tubului cu peleti. Aceasta procedura va tine aprox. 15 min.
Cand peletii incep sa cada in arzator, deconectati sistemul de la sursa 220V Reconectati sistemul la sursa 220V si incepeti configurarea acestuia.
Insusirea optiunilor si relatiile acestora din panoul de comanda:
Valorile recomandate in acest manual sunt informative! In functie de izolatia cladirii si de alti factori, valorile optime se vor gasi prin incercari consecutive.
Apasati buton SET pentru meniul de utilizatori ('USER SETUP').
Pentru a modifica o valoare in meniu, apasati sageata 'JOS' sau 'SUS' pentru a naviga in meniuri.
Pentru a intra in meniul selectat apasati butonul 'SET' dupa care puteti naviga in submeniul respectiv.
Pentru a schimba valoarea unei optiuni apasati butonul 'SET' dupa care cu ajutorul sageata 'JOS' sau sageata 'SUS' schimbati valoarea respectiva. Pentru a memora valoarea setata, apasati butonul 'SET'.
a) Temperatura (Temperature):
Temperatura cazan (Boiler Temperature):
Temperatura maxima a cazanului. La atingerea temperaturii setate, sistemul va reduce treptat din putere pana ce temperatura va scade, dupa care cazanul va creste treptat puterea. In cazul unor valori mari setate la meniul "Dif. de Temperatura" cazanul va intra in repaus, si alimentarea continua,dar cu o cantitate mica de peleti pentru mentinerea focului, apoi se va opri.
Temperatura recomandata la o instalatie cu calorifere este de 70C. In cazul incalzirii prin pardoseala valoarea poate fi la 40C. Reducerea puterii nu se va produce brusc, ci treptat, astfel temperature apei din cazan poate sa creascacu 4-5 C in plus fata de temperatura setata. Adica 80 C in cazul radiatoarelor sau 45C in cazul incalzirii prin pardoseala. Temperatura trebuie setata tinand cont de temperatura la care va deschide pompa de circulare.
Vara (Summer):
Prin modificarea valorii acestui meniu la pornit ('ON') cazanul va lucra cu un randament de 50%. Valoarea acestui meniu trebuie setat la 'OFF'.
Dif. de Temperatura (Diff. Temperature):
La atingerea diferentei de temperatura setata, reancepe procesul de incalzire, crescand puterea treptat pana la atingerea valorii setata sub meniul "Temperatura Cazan".
Ex. 70C - 2C=68C dupa care temperatura apei va urca treptat la 70C. Daca aceasta valoare este 0C, sistemul va mentine temperatura pe tur la temperatura setata in meniul "Temperatura cazan".
In cazul conectarii unui termostat de camera la panoul electric, valoarea "Dif. Temperatura" poate fi 0C.
Func. Automata (Auto Combustion):
Capacitate Melc (Screw Capacity):
Capacitatea melcului este exprimat in grame si defineste cantitatea de pelete ce poate fi alimentat de motorul de alimentare in 6 minute.
Tiraj Cos (Chimney Draught):
Tirajul cosului trebuie setat la 5, echivalent cu 5Pa.
DA/NU (YES/NO):
Cazanul va lucra automat (DA); cazanul va folosi valorile setate de catre utilizator(NU).
In cazul in care optiunea setata este DA, sistemul va calcula automat cantitatea de peleti necesara pentru ardere. Optiunile setabile manual sunt "Temperatura Cazan" si "Capacitate Melc", orice alta optiune setata manual este ignorata. Daca s-a selectat optiunea NU, cazanul va lucra in functie de cerintele termostatului de ambient si in concordanta cu setarile efectuate manual.
b) Func. Manuala (
Peleti Min (Pellets Low):
Valoarea setata semnifica cantitatea de peleti alimentata in timp ce cazanul functioneaza la trepte de putere cuprinse intre 0-50% din puterea maxima.
Peleti Max (Pellets High):
Valoarea setata semnifica cantitatea de peleti la trepte de putere cuprinse intre 50-100% din puterea maxima.
Peleti Repaus (Pellets Pause):
Valoarea setata semnifica cantitatea de peleti alimentata in timp ce cazanul este in pauza.
Sistemul va intra in pauza cand termostatul de ambient va opri sistemul
Ceas (Timer):
Acest meniu nu se modifica in cazul utilizarii unui termostat de camera!
Pornire/Zi (Starts/Day):
In cazul in care sistemul nu se va utiliza cu termostat de camera se poate seta numarul de porniri pe zi in care sistemul va porni si va incalzi conform parametrilor setati.
Perioada de timp (Period):
Perioada de timp exprimata in minute in care sistemul va functiona conform parametrilor setati.
Pornirea Urmat. (Next Start):
Timpul exprimat in minute dupa care sistemul va porni si va functiona conform parametrilor setati.
Ceas (Time):
Ora exacta. ATENTIE!! Ceasul va trebui setat ori de cate ori se intrerupe alimentarea cu energie electrica.
c) Curatare/Putere (Clean/Power):
1. Interval Curatare (Clean Interval):
Prin definirea intervalului de curatare in minute, ventilatorul cazanului va porni cu putere maxima si va curata tavita de ardere.
In cazul utilizarii peletilor din esenta tare cu o culoare inchisa valoarea este 6, iar in cazul utilizarii peletilor de esenta moale, cu o culoare deschisa aceasta valoare este de 10 min.
Timp de curatare (Cleaning Time):
Timpul de curatare exprimat in secunde defineste perioada in care ventilatorul va sufla cu putere maxima pentru a curata tavita de ardere.
Valoarea recomandata este 15.
Putere Min. (Power Min.):
Exprima puterea minima in procentaj la care se doreste functionarea cazanului. Valoarea recomandata este 10.
Putere Max. (Power Max):
Puterea maxima exprimata in procent la care se doreste functionarea cazanului. Valoarea recomandata este 100.
Explicatie: Fiecare locuinta are un necesar de caldura propriu, care depinde de izolatie, de amplasament, climat, materialele de constructie, etc. Pentru o eficienta cat mai buna a sistemului, intelegerea relatiilor intre cateva dintre meniuri este foarte importanta, mai mult, testele si analiza rezultatelor va reduce costurile si va prelungi viata cazanului.
Recomandare:Atunci cand cazanul functioneaza pe setari manuale :crearea unui tabel in care figureaza temperatura sistemului, Screw capacity, Peleti Min., Peleti Max., Peleti Pause, observatie si perioada de testare.Completand acest tabel ori de cate ori sa efectuat o modificare va ajuta la configurarea optima a sistemului.
Oprirea sistemului:
a) Oprirea din tasta Sageata Jos-On/Off
Apasati si tineti apasata tasta timp de 6 sec pentru oprirea sistemului. In acest caz sistemul va reporni doar daca apasati iarasi tasta timp de 6 sec.
b) Oprirea sistemului se face prin scoaterea stecherului din conector.
La reintroducerea stecherului in conector sistemul va relua ciclul de lucru. Setarile efectuate in panou se salveaza automat.
Pornirea/repornirea sistemului:
a) Sistemul a fost oprit manual cu ajutorul tastei ON/OFF: 'OFF HAND'
Apasati si tineti apasat tasta ON/OFF timp de 6 sec pentru a reporni sistemul. In aceasta stare sistemul este activ dar nu functioneaza, nu se alimenteaza cu peleti, iar consumul de energie electrica este doar pentru alimentarea panoului de comanda.
b) Sistemul a fost oprit din lipsa de peleti
Daca rezervorul de peleti s-a golit, sistemul se va opri automat. Pentru a reporni, realimentati rezervorul cu peleti, apoi scoateti sistemul din sursa de 220V iar inainte de reconectare apasati si tineti apasat sageata SUS. Reintroduceti sistemul in sursa 220V. Sistemul va incepe umplerea tevii de alimentare cu peleti. Asteptati pana ce peletii vor incepe sa cada in camera de ardere. Opriti sistemul prin scoaterea stecherului din conector apoi reintroduceti acesta. Sistemul va relua ciclul sau normal de lucru care i-a fost setat anterior.
c) Sistemul a fost oprit fortat de termostatul de siguranta montat pe turul cazanului.
Acest dispozitiv este montat din motive de siguranta si va opri alimentarea cu energie electrica a sistemului in caz de supraincalzire, adica la 90C.
Repornirea sistemului este posibila doar in cazul in care se desurubeaza capacul negru de pe dispozitiv si se apasa butonul de resetare. Sistemul va reporni numai daca temperatura cazanului a scazut sub 90C.
d) Sistemul s-a oprit iar panoul de comanda nu este iluminat.
Verificati conexiunile electrice ale sistemului, verificati daca aveti tensiune corespunzatoare. Verificati cablajul sistemului. Sunati pentru suport technic.
Cablajul necesar pentru montarea sondei:
Pachetul poate contine un sistem mixt de termostat pentru pompa si un termostat de siguranta sau doar un termostat de siguranta. Acesta se monteaza pe laterala din spate a cazanului in ramificatia de pe tur.
Montarea placutei metalice:
Placuta metalica furnizata in pachet are scopul de a separa interiorul camerei de ardere de cenusar. Pentru montarea acestuia in locul destinat, folositi manerul cu peria de curatire care se va trece prin inelul sudat pe placuta metalica. Desurubati cele doua suruburi tip fluture (fig. 1) si demontati usa care acopera elementii acestuia (fig.1). Cu ajutorul periei de curatare coborati placa metalica intre elementi (fig. 2). Asigurati-va ca placa metalica inchide corespunzator orificiul de sub camera de ardere.

Fig 1 Fig 2
Comportamentul peletilor:
Romania produce si exporta peleti mai mult de 10 ani. Astfel calitatea peletilor s-a diversificat de a lungul anilor.
Peletii se fabrica din rumegus presat si uscat,tocat si sortat de impuritati prin diferite metode.
Esenta lemnului din care provine rumegusul este un alt factor de calitate.
In principiu putem diferi peleti din lemn de esenta tare si lemn de esenta moale. Exista insa si amestec intre cele doua. Cea de esenta moale are o capacitate calorica mai mica decat cea de esenta tare.
In cazul peletilor de calitate inferioara cazanul trebuie curatat frecvent, producerea de zgura care va acoperi camera de ardere provacand probleme de functionare in cazan, va fi frecventa, iar curatarea zilnica va fi inevitabila.
Pe de alta parte peletii sunt foarte sensibili la umezeala si la intemperii, pastrarea lor in locuri uscate este recomandata.
Calitatea peletilor este caracterizata si din cenusa reziduala, daca peletii contin impuritati, acestea formeaza zgura pe tava de ardere, care din urma vor bloca flacara, primind astfel un mesaj "NO FIRE" = "NU ESTE FOC" pe panoul de comanda. Frecventa de curatare a tavei de ardere depinde deci de calitatea peletilor arsi. Curatarea tavei de inox nu se poate efectua in timpul functionarii!
Cu grija introduceti partea "L" a manerului cu perie in interiorul cazanului si eliminati zgura produsa pe tava de ardere, in cenusar.
Depanari si solutionarea erorilor:
Spirala arsa:
Pentru ca spiralele sunt supuse frecvent socurilor puternice de temperatura si curent, durata de veata a acestora este scurta. Daca cazanul nu mai poate aprinde peletii si pe ecran vom avea mesajul "FAULT IGNITION" = "APRINDERE NEREUSITA", unul din motive poate fi arderea rezistentei electrice, adica a spiralei.
In pachetul cazanului veti gasi o rezistenta de rezerva pentru acest caz.
Cum procedati cu schimbarea?
a. Opriti sistemul prin scoaterea stecherului din conector, oprind astfel alimentarea cazanului cu energie electrica. ATENTIE!
b. Scoateti cablajul de alimentare intre arzator si panoul de comanda, apoi demontati carcasa arzatorului.
c. Demontati rezistenta veche de pe placa de baza cu ajutorul unei surubelnite din primele doua cleme cu semnul "IGN".
d. Reconectati cele doua fire de la rezistenta noua .
e. Remontati carcasa arzatorului
f. Reconectati cablajul de alimentare intre arzator si panoul de comanda
g. Reconectati sistemul la alimentarea cu energie electrica
|
Politica de confidentialitate | Termeni si conditii de utilizare |
Vizualizari: 5916
Importanta: ![]()
Termeni si conditii de utilizare | Contact
© SCRIGROUP 2025 . All rights reserved