| CATEGORII DOCUMENTE |
| Gradinita |
Ministerul Educatiei si Cercetarii
Programul PHARE TVET RO 2002/000-586.05.0102.01.01
AUXILIAR CURRICULAR
CLASA a X-a
pentru elevii cu cerinte educationale speciale
DOMENIUL: Industrie alimentara
CALIFICAREA: Lucrator in morarit
panificatie
NIVELUL: 1
MODULUL: Pregatirea si conservarea cerealelor pentru macinis
El contine sarcini de lucru care constau in:
cautarea de informatii utilizand diferite surse (fise de documentare, manuale, carti de specialitate, indrumar de laborator, pliante, pagini de Internet);
rezolvarea de exercitii, probleme si desfasurarea unor activitati in laborator si a unor activitati independente folosind: fise de lucru, fise de observatie, fise de evaluare si autoevaluare.
intocmirea unui portofoliu continand toate exercitiile rezolvate si activitatile desfasurate. Portofoliul trebuie sa fie cat mai complet pentru ca evaluarea competentelor profesionale sa fie cat mai adecvata.
Atentie! Deoarece continutul portofoliului va sta la baza evaluarii competentelor voastre profesionale, straduiti-va sa fie cat mai complet.
Pentru exemplificare sunt prezentate materiale de invatare pentru unitatile de competenta tehnice generale conform curriculum-ului pentru clasa a X-a Scoala de Arta si Meserii.
Elevii pot lucra individual sau impartiti in grupe de 2-3 elevi, fiind pusi in situatia de a se documenta, a descoperi, a exersa in vederea formarii abilitatilor cheie si competentelor tehnice generale specifice domeniului de industrie alimentara. Profesorul monitorizeaza activitatea independenta si rezolva deficientele semnalate.
Auxiliarul curricular constituie numai un material orientativ, care ajuta cadrele didactice in activitatea de predare-evaluare, in scopul formarii competentelor tehnice generale necesare elevilor de la nivelul I, domeniul Industrie alimentara.
Acest auxiliar se utilizeaza
impreuna cu brosura "Recomandari privind instruirea
elevilor cu cerinte speciale" care se gaseste pe site-ul
tvet.ro- auxiliare curriculare
Unitati de competenta pentru abilitati cheie:
Comunicare si numeratie (U1)
C1.4. Utilizeaza limbajul specific de specialitate
Unitati de competenta tehnice generale:
Precuratirea si conservarea cerealelor (U18)
C 18.1. Supravegheaza precuratirea cerealelor
C 18.2. Aplica metodele de conservarea cerealelor
C C 18.3. Combate insectele daunatoare din cerealele depozitate
C 18.4. Supravegheaza instalatia de aspiratie din siloz
Pregatirea cerealelor pentru macinis (U 19)
C 19.1. Supravegheaza curatirea cerealelor
C 19.2. Supravegheaza prelucrarea invelisului boabelor de cereale
C 19.3. Supravegheaza conditionarea cerealelor
OBIECTIVE
Dupa parcurgerea acestor unitati de competenta, veti fi capabili sa:
Enumerati principiile dupa care se realizeaza
precuratirea cerealelor
Identificati eventualele defectiuni ale separatorului
Respectati normele de
protectia muncii si de prevenire si stingere a incendiilor in
siloz
Verificati cerealele in timpul
pastrarii
Prezentati metodele de conservare
Deserviti instalatiile de
conditionare a cerealelor
Identificati insectele
daunatoare
Verificati infestarea in depozite
Precizati masurile de
dezinsectizare a depozitelor si produselor depozitate
Identificati componentelor
retelelor de aspiratie din siloz
Enumerati punctele de dezvoltare
intensa a prafului
Deserviti instalatiei de
aspiratie
Enumerati principiile dupa care se realizeaza
curatirea cerealelor
Identificati corpurile straine separate
Identificati eventualele defectiuni ale utilajelor
Explicati scopurile prelucrarii invelisului
Identificati utilajele care prelucreaza invelisul boabelor
Deserviti utilajele care prelucreaza invelisul boabelor
Identificati eventualele defectiuni ale decojitoarelor
Prezentati scopul operatiei de conditionare
Identificati utilajele care conditioneaza cerealele
Deserviti utilajele pentru conditionare
![]()
FISA DE DOCUMENTARE 1
PRECURATIREA CEREALELOR




FOLIE TRANSPARENTA 1
SEPARATORUL ASPIRATOR
Principiile care stau la baza functionarii acestui utilaj sunt:
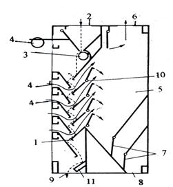
Figura 1 - Separatorul
aspirator a) schema de
ansamblu; b) reprezentarea in diagrama. 1 - carcasa utilajului; 2 -
camera tampon de alimentare; 3 - fante pentru patrunderea
aerului; 4 - racord la reteaua de aspiratie; 5 - racord alimentare; 6 - caseta cu site; 7 -site; 8 - bile de cauciuc sau perii; 9 - ax de comanda; 10
- excentric; 11 - racord
evacuare grau curatit: 12 - lamele elastice; 13, 13' - canal de circulatie a aerului cu
impuritati usoare; 14 - camera de decantare; 15 - obstacole; 16, 16'.clapete pentru reglarea
debitului de aer; 17 - magnet permanent; 18 - racord evacuare
impuritati grosiere; 19 - racord evacuare impuritati
mai putin grosiere
dupa marime;
dupa insusiri aerodinamice;
dupa proprietati magnetice.
a)

b)


Factorii care influenteaza direct conservarea cerealelor sunt:

mai mare de 16% incingerea cerealelor
mucegairea cerealelor
prea mare
fenomenul de incingere
FISA DE DOCUMENTARE 3DAUNATORII CEREALELOR SI COMBATEREA LOR

Tipuri de insecte daunatoare
Insectele
daunatoare ce pot fi prezente in masa de cereale:
Insecte cu aripi tari
Gargarita graului este cel mai raspandit daunator. Se inmulteste repede la caldura si umiditate.
Fluturii
Molia graului impurifica masa de cereale formand gheme care inglobeaza boabe golite de miez, excremente, resturi provenite din procesul de metamorfoza.
Fluturele morilor face parte din familia omizilor. Este foarte mobil si lacom formand, cu ajutorul panzei de paianjen, gheme unde are loc metamorfoza.
Molia graului Acarianul fainii
Acarienii
Acarianul fainii este un daunator foarte periculos producand in masa de cereale:
distrugerea embrionului boabelor;
distrugerea endospermului;
dezvoltarea microflorei pe suprafata boabelor;
denaturarea gustului si culorii masei de cereale;
cresterea temperaturii si umiditatii masei de cereale

FOLIE TRANSPARENTA 2
SEPARAREA CORPURILOR STRAINE

Tipuri de corpuri straine
Utilaje folosite la separarea corpurilor straine
Separarea corpurilor straine se realizeaza folosind o serie de utilaje si instalatii complexe.
|
Denumirea utilajului folosit |
Utilajul folosit la separarea corpurilor straine |
|
Separator-aspirator |
|
|
Separator cascada |
|
|
Separator pneumatic |
|
|
Denumire utilaj |
Utilajul folosit pentru separarea corpurilor straine |
|
Trior cilindric |
|
|
Trior spiral |
|
|
Separator electromagnetic |
|
CUVINTE CHEIE
v Povara de macinis= cantitatea de grau de calitate medie obtinuta prin amestecare mai multor loturi;
v Diagrama= reprezentare grafica a fluxului tehnologic cu respectarea schematica a utilajelor, in aceeasi ordine in care se desfasoara in sectia de fabricatie;
v Decojire= operatia de prelucrare a invelisului cerealelor.
v Perierea cerealelor= operatie ce are drept scop indepartarea partilor de coaja desprinse de bob, care mai sunt inca aderente bobului.
v Conditionare= tratarea graului cu apa sau combinat cu apa si caldura.
v Umectare= operatia tehnologica prin care apa de umezire patrunde in bob
v Umiditate artificiala= umiditatea pe care o obtine graul dupa umectare.
v Zoana= refuzul obtinut la sita a doua a tararului ce contine boabe de cereale din alte culturi.
v Maidanul= refuz obtinut la sita a treia a tararului, compus din prafuri minerale, nisip, pietris, seminte de buruieni.
v Praful negru= reziduu rezultat din prelucrarea cerealelor la primul decojitor.
![]()
v Cereale= grup de plante agricole din familia gramineelor, cu radacini fasciculate, tulpini neramificate si fructul o cariopsa
v Gliadina= component proteic de baza din grupa prolaminelor.
v Glutenina= component proteic de baza din grupa gluteninelor; proteina usor asimilabila.
v Gluten= un gel coloidal puternic umflat care contine 60-70% apa si 30-40% substanta uscata.
v Insusiri aerodinamice= indice tehnologic care se refera la viteza de plutire in aer a boabelor de cereale si a corpurilor straine.
v Sticlozitatea= gradul de compactizare a endospermului in bob.
v Umiditatea= continutul de apa al masei de cereale.
v Lotizarea= depozitarea cerealelor separat, in functie de principalii indici calitativi.
v Umezire= stropirea graului cu apa.
v Umiditate naturala=umiditatea cerealelor din timpul cultivarii, recoltarii.
v Receptie cantitativa= masurarea masei de cereale prin cantarire.
v Receptie calitativa= determinarea caracteristicilor organoleptice si fizico-chimice ale cerealelor.
Acest glosar poate fi continuat de fiecare elev si pus in portofoliul personal!
![]()
FISA DE DESCRIERE A ACTIVITATII
Tabelul urmator detaliaza exercitiile incluse in unitatile de competenta 18, 19.
Numele candidatului
Data inceperii unitatii de competenta .........
Data promovarii unitatii de competenta .......
Unitatea de competenta nr. 18PRECURATIREA SI CONSERVAREA CEREALELOR |
|||
Competenta |
Sarcina de lucru |
Subiect |
Realizat |
|
18.1 Supravegheaza precuratirea cerealelor |
Enumerarea principiilelor dupa care se realizeaza precuratirea cerealelor | ||
|
Identificarea corpurile straine care se elimina din masa de cereale in timpul precuratirii | |||
|
Identificarea eventualelor defectiuni ale separatorului | |||
|
18.2 Aplica metodele de conservarea cerealelor |
Metodele de conservare Deservirea instalatiilor de conditionare a cerealelor Respectarea normelor de protectie a muncii | ||
|
Combate insectele daunatoare din cerealele depozitate |
Identificarea insectele daunatoare Verificarea infestarii in depozite | ||
|
Precizarea masurilor de dezinsectizare a depozitelor si produselor depozitate | |||
|
Precizarea masurilor de dezinsectizare a depozitelor si produselor depozitate | |||
|
Unitatea de competenta nr. 19 PREGATIREA CEREALELOR PENTRU MACINIS |
|||
Competenta |
Sarcina de lucru |
Subiect |
Realizat |
|
Supravegheaza curatirea cerealelor |
Enumerarea principiilor dupa care se realizeaza curatirea cerealelor | ||
|
Identificarea corpurilor straine separate | |||
|
Identificarea eventualelor defectiuni ale utilajelor | |||
|
Supravegheaza prelucrarea invelisului boabelor de cereale |
Explicarea scopurilor prelucrarii invelisului | ||
|
Identificarea utilajelor care prelucreaza invelisul boabelor | |||
|
Deservirea utilajelor care prelucreaza invelisul boabelor | |||
|
Identificarea eventualelor defectiuni ale decojitoarelor | |||
|
Supravegheaza conditionarea cerealelor |
Prezentarea scopului operatiei de conditionare | ||
|
Identificarea utilajelor care conditioneaza cerealele | |||
|
Deservirea utilajelor pentru conditionare | |||
|
Unitatea de competenta 1 COMUNICARE SI NUMERATIE |
|||
|
1.4. Utilizeaza limbajul specific de specialitate |
6 |
Insusirea terminologiei specifice de specialitate Adaptarea limbajului de specialitate in diverse contexte si situatii Completarea documentelor simple de specialitate | |
Datele candidatului sunt incluse pe aceasta fisa pentru a fi folosite la intocmirea registrelor CPN, fisa evidentiind exercitiile realizate si datele relevante.
____________________ _________
Elevul si-a format unitatea de competenta 18 Semnatura candidatului Data
____________________ _________
Semnatura evaluatorului Data
ACTIVITATEA NR. 1
FISA DE AUTOEVALUARE
1. Definiti operatia de precuratire.
2. Enumerati efectele negative pe care le pot determina impuritatile prezente in masa de cereale.
3. Enumerati principiile de separare ce stau la baza operatiei de precuratire.
Priviti cu atentie schema de mai jos.
a. Completati spatiile libere cu tipurile de impuritati eliminate din masa de cereale.
b. Enumerati principiile de separare ce stau la baza functionarii separatorului aspirator.
Rezolvati exercitiul individual avand la dispozitie 15 minute, apoi comparati rezolvarea voastra cu folia prezentata de profesor unde veti gasi rapunsurile corecte!
ACTIVITATEA NR.2
FISA DE LUCRU
b) a)
a. Identificati utilajul din figura a).
b. Denumiti reprezentarea din figura b).
c. Indicati reperele care reprezinta: caseta cu ciururi, magnetul permanent si racordul de alimentare.
Rezolvati exercitiul impreuna cu colegul de banca, avand la dispozitie 15 minute, apoi comparati rezolvarea voastra cu folia prezentata de profesor unde veti gasi rapunsurile corecte!
ACTIVITATEA NR. 3
TEST
Alege din paranteza cuvantul potrivit astfel incat propozitiile de mai jos sa fie adevarate! Timp de lucru, 15 minute.
Precuratirea este operatia de curatire (totala/partiala) a masei de cereale.
Prezenta impuritatilor exercita influente (negative/pozitive) in timpul depozitarii.
Operatia de precuratire se realizeaza cu ajutorul (triorului/separatorului aspirator).
Separarea dupa marime a corpurilor straine din masa de cereale se realizeaza cu ajutorul (aerului/ciururilor).
Separarea dupa insusiri aerodinamice a corpurilor straine din masa de cereale se realizeaza cu ajutorul (aerului/ciururilor).
Curatirea ciururilor in cazul separatorului aspirator se poate realiza (manual/cu bile de cauciuc).
Linia de magneti a tararului are rolul de a retine impuritatile (feroase/mari).
Impuritatile usoare se separa in camera de (alimentare/decantare) a tararului.
La tarar se separa (doua/patru) tipuri de impuritati.
|
Nr. Item |
Raspuns ales |
Realizat |
Nerealizat |
Punctaj |
|
Se acorda din oficiu |
1p |
|||
|
Total punctaj obtinut din 10p | ||||
Treceti in rubricile tabelului raspunsurile pe care le considerati corecte!
Comparati raspunsurile date cu cele de pe folia prezentata de profesor
Bifati in rubrica "realizat" daca raspunsuile au fost corecte si in rubrica "nerealizat" daca raspunsurile au fost gresite!
Fiecare raspuns corect va fi notat cu 1 punct si veti primi din oficiu inca 1 punct. La acest exercitiu puteti totaliza 10 puncte.
Pentru obtinerea notei de trecere este necesar sa realizati 5 puncte.
ACTIVITATEA NR.4
FISA DE EVALUARE
Deservirea triorului
Deserviti si supravegheati functionarea triorului.
|
Etape de lucru |
Punctaj propus |
Punctaj realizat |
Norma de timp |
|
Pornirea in gol a masinii | |||
|
Alimentarea cu cereale a masinii | |||
|
Supravegherea mentinerii repartizarii uniforme a cerealelor pe suprafata alveolelor |
| ||
|
Verificarea racordurilor de alimentare si evacuare a cerealelor si impuritatilor | |||
|
Supravegherea functionarii masinii | |||
|
Intreruperea alimentarii masinii cu cereale | |||
|
Oprirea masinii dupa evacuarea completa a cerealelor | |||
|
Indepartarea impuritatilor | |||
|
Verificarea alveolelor | |||
|
Indepartarea prafului de pe si de langa utilaj | |||
|
Respectarea normelor de protectie a muncii | |||
|
TOTAL |
Observatii:
Se acorda 10 puncte din oficiu.
Deservirea triorului se realizeaza numai sub supravegherea maistrului instructor.
ACTIVITATEA NR.5
FISA DE LUCRU
Metode de conservare a cerealelor
Completati tabelul de mai jos:
|
Metode de conservare a cerealelor | |
Timp de lucru 15 minute

ACTIVITATEA NR.6
STUDIU DE CAZ
Aveti la dispozitie cele doua machete ale utilajelor folosite pentru separarea corpurilor straine feroase si mostre de cereale impurificate. Executati operatia de curatire si comparati rezultatele obtinute.
Explicati care sunt cauzele pentru fiecare modificare aparuta.
Experimentele se desfasoara in laborator.
Veti lucra in grupe de 2 - 4 elevi.
Nu uitati!!
Variati cantitatea de cereale pe suprafata de separare;
Variati intensitatea curentului electric;
ACTIVITATEA NR.7
FISA DE LUCRU
In schemele de mai jos sunt prezentate cele trei etape ale operatiei de descojire. Completati in spatiile punctate utilajele folosite si impuritatile separate pentru fiecare etapa in parte.
Timp de lucru 30 minute
ACTIVITATEA NR.8
FISA DE LUCRU
Completati tabelul de mai jos cu metodele de conditionare si utilajele corespunzatoare metodei indicate
|
Metode de conditionare |
Utilaj folosit |
Veti lucra individual si apoi va veti verifica rezultatul comparandu-l cu folia proiectata la retroproiector
Timp de lucru 10 minute
ACTIVITATEA NR.9
FISA DE LUCRU
Tipuri de insecte daunatoare
Enumeratii insectele daunatoare ce se pot intalni in masa de cereale.
Lucrati in perechi, timp de 10 minute!
ACTIVITATEA NR.10
REFERAT
Intocmiti un referat cu tema: "Conditionarea la cald a cerealelor " care va cuprinde urmatoarele:
v definitia conditionarii;
v scopul conditionarii;
v fazele conditionarii la cald;
v avantajele conditionarii la cald.
Precizati sursele de documentare!
Aveti grja ca referatul sa fie estetic!
Completati glosarul cu termenii tehnici intalniti.
Pentru realizarea acestui referat va sunt recomandate urmatoarela surse de documentare: manuale si carti de specialitate, fisele de documentare, reviste de specialitate, internet.
Odata ce referatul va fi terminat il veti prezenta!
ACTIVITATEA NR.11
FISA DE EVALUARE
Completati tabelul de mai jos, cu denumirea corespunzatoare fiecarui utilaj din figura.
|
Denumire utilaj |
Utilajul folosit pentru separarea corpurilor straine |
|
a) |
|
|
b) |
|
ACTIVITATEA NR.12
PROBLEMA
Important!!!
Rezolvarea problemelor implica parcurgerea urmatoarelor etape
Analiza enuntului, intelegerea corecta a problemei (ce se da / cere)
Exprimarea datelor in acelasi sistem de masura
Intocmirea unui plan de rezolvare (legatura intre datele cunoscute si cerinte, relatiile matematice)
Rezolvarea propriu-zisa
Analiza rezultatelor (mai exista si alte cai de rezolvare?, rezultatul este plauzibil?)

Alcatuiti o
povara de macinis de 1000 t, cu un continut de gluten umed
de 23% din doua loturi de grau: lotul I cu gluten 20%, greutate
hectolitrica 75 kg/hl, umiditate 14% si lotul II cu gluten 30%,
greutate hectolitrica 80 kg/hl, umiditate 154%.
Pentru rezolvarea problemei primiti aceasta diploma
FISA PENTRU INREGISTRAREA PROGRESULUI ELEVULUI
Aceasta format de fisa este un instrument detaliat de inregistrare a progresului elevilor. Pentru fiecare elev se pot realiza mai multe astfel de fise pe durata derularii modulului, acestea permitand evaluarea precisa a evolutiei elevului, furnizand in acelasi timp informatii relevante pentru analiza.
FISA pentru inregistrarea progresului elevului
Modulul (unitatea de competenta)
Numele elevului _____ _______ ______ __________
Numele profesorului _____ _______ ______ ___________
|
Competente care trebuie dobandite |
Data |
Activitati efectuate si comentarii |
Data |
Aplicare in cadrul unitatii de competenta |
Evaluare |
||
|
Bine |
Satis-facator |
Refacere |
|||||
|
Comentarii |
Prioritati de dezvoltare |
||||||
|
Competente care urmeaza sa fie dobandite (pentru fisa urmatoare) |
Resurse necesare |
||||||
Competente care trebuie dobandite
Pe baza evaluarii initiale, ar trebui sa se poata identifica acele competente pe care elevul trebuie sa le dobandeasca la finele parcurgerii modulului. Aceasta fisa de inregistrare este facuta pentru a evalua, in mod separat, evolutia legata de diferite competente. Aceasta inseamna specificarea competentelor tehnice generale si competente pentru abilitati cheie care trebuie dezvoltate si evaluate.
Activitati efectuate si comentarii
Aici ar trebui sa se poata inregistra tipurile de activitati efectuate de elev, materialele utilizate si orice alte comentarii suplimentare care ar putea fi relevante pentru planificare sau feedback.
Aplicare in cadrul unitatii de competenta
Aceasta ar trebui sa permita profesorului sa evalueze masura in care elevul si-a insusit competentele tehnice generale,tehnice specializate si competentele pentru abilitati cheie, raportate la cerintele pentru intreaga clasa. Profesorul poate indica gradul de indeplinire a cerintelor prin bifarea uneia din urmatoarele trei coloane.
Prioritati pentru dezvoltare
Partea inferioara a fisei este conceputa pentru a privi inainte si a identifica activitatile pe care elevul trebuie sa le efectueze in perioada urmatoare ca parte a modulelor viitoare. Aceste informatii ar trebui sa permita profesorilor implicati sa pregateasca elevul pentru ceea ce va urma, mai degraba decat pur si simplu sa reactioneze la problemele care se ivesc.
Competente care urmeaza sa fie dobandite
In aceasta casuta, profesorii trebuie sa inscrie competentele care urmeaza a fi dobandite. Acest lucru poate sa implice continuarea lucrului pentru aceleasi competente sau identificarea altora care trebuie avute in vedere.
Resurse necesare
Aici se pot inscrie orice fel de resurse speciale solicitate: manuale tehnice, retete, seturi de instructiuni si orice fel de fise de lucru care ar putea reprezenta o sursa de informare suplimentara pentru un elev ce nu a dobandit competentele cerute.
![]()
ACTIVITATEA NR. 1
SOLUTIE
1. Precuratirea - operatia de curatire partiala a cerealelor
2. Infundarea instalatiilor ingreuneaza evacuarea cerealelor din celule, favorizeaza dezvoltarea insectelor, ocupa spatiul de depozitare
3. dupa marime, dupa proprietati aerodinamice
1) bulgari de pamant, 2) praf, 3) spice, 4) pleava.
Este un exercitiu simplu recomandat elevilor cu cerinte educationale speciale. Intrebarile sunt scurte, usor de citit, usor de inteles.
ACTIVITATEA NR. 2
SOLUTIE
a. separator aspirator
b. reprezentarea in diagrama a tararului
c. caseta cu ciururi - 6, magnet permanent - 17, racord de alimentare - 5
ACTIVITATEA NR.
SOLUTIE
|
Nr. Item |
Raspuns ales |
Realizat |
Nerealizat |
Punctaj |
|
partiala | ||||
|
negative | ||||
|
separator-aspirator | ||||
|
ciururilor | ||||
|
aerului | ||||
|
bile de cauciuc | ||||
|
feroase | ||||
|
decantare | ||||
|
patru | ||||
|
Se acorda din oficiu |
1p |
|||
|
Total punctaj obtinut din 10p | ||||
Atentie !

Exercitiul va fi rezolvat individual.
Fiecare elev se va autoevalua comparand propriile raspunsuri cu raspunsurile corecte prezentate de catre profesor pe folie de retroproiector.
Profesorul prezinta elevilor folia cu raspunsurile corecte.
ACTIVITATEA NR. 5
SOLUTIE
|
Metode de conservare a cerealelor |
in stare uscata |
|
in stare umeda |
|
|
la temperatura scazuta |
|
|
prin aerare |
|
|
fara acces de aer |
|
|
cu substante chimice |
Elevii pot lucra in perechi consultandu-se. Apoi completeaza individual spatiile punctate.
ACTIVITATEA NR. 6
SOLUTIE
La acest exercitiu se urmareste:
Sa identifice corect utilajele;
Sa pregateasca aparatele;
Sa execute corect operatia de separare pentru fiecare utilaj in parte;
Sa noteze fiecare observatie facuta.
Profesorul completeaza fisa de lucru in echipa urmarindu-se fiecare etapa.
Lucrul in echipa
(in pereche sau in grup)
|
Care este sarcina voastra comuna? (ex. obiectivele pe care vi s-a spus ca trebuie sa le indepliniti) |
||
|
Cu cine vei lucra? |
||
|
Ce anume trebuie facut? |
Cine va face acest lucru? |
De ce fel de materiale, echipamente, instrumente si sprijin va fi nevoie din partea celorlalti? |
|
Ce anume vei face tu? |
||
|
Organizarea activitatii: Data/Ora inceperii: Data/Ora finalizarii: Cat de mult va dura indeplinirea sarcinii? |
Unde vei lucra? |
|
|
"Confirm faptul ca elevii au avut discutii privind sarcina de mai sus si: s-au asigurat ca au inteles obiectivele au stabilit ceea ce trebuie facut au sugerat modalitati prin care pot ajuta la indeplinirea sarcinii s-au asigurat ca au inteles cu claritate responsabilitatile care le revin si modul de organizare a activitatii" Martor/evaluator (semnatura): Data: (ex.: profesor, sef catedra) Nume elev: |
||
Aceasta fisa stabileste sarcinile membrilor grupului de lucru, precum si modul de organizare a activitatii.
ACTIVITATEA NR.7
SOLUTIE
Descojire primara
Utilajul folosit descojitorul Eureka
Impuritati eliminate praful din santuletul bobului, o parte a barbitei.
Descojire secundara
Utilajul folosit descojitor cu manta abraziva de smirghel
Impuritati eliminate barbita, o parte a embrionului, primul strat celulozic al invelisului.
Perierea graului
Utilajul folosit peria de grau
Impuritati eliminate coaja desprinsa de bob, dar inca aderenta pe acesta.
Pentru rezolvarea sarcinilor de lucru, este necesar ca elevii sa se documenteze suplimentar.
Pot consulta: documentele puse la dispozitie de profesor, sau se pot informa direct la locul unde isi desfasoara activitatea practica.
ACTIVITATEA NR.8
SOLUTIE
|
Metode de conditionare |
Utilaj folosit |
|
La rece |
Masina de spalat, aparatul automat de udat, aparatul de umezire cu apa pulverizata |
|
La cald |
Coloana de conditionare |
Elevul trebuie sa noteze cate un singur utilaj dintre cele prezentate.
ACTIVITATEA NR.9
SOLUTIE
Gargarita graului
Molia graului
Fluturele morilor
Acarianul fainii
ACTIVITATEA 10
SOLUTIE
Activitatea are urmatoarea desfasurare:
Profesorul imparte temele elevilor.
Se stabilesc regulile de intocmire a referatului.
Elevii primesc sarcina lor de lucru ce trebuie realizata pe o perioada de o luna.
Folosind manualul, notitele din clasa, carti de specialitate, ghidul elevului, internetul si orice alte mijloace de informare doresc, elevii elaboreaza referatul
La termenul stabilit trebuie sa prezente in fata colegilor lucrarea.
In timpul elaborarii referatului, elevii vor completa urmatoarea fisa:
FISA PENTRU VERIFICAREA ABILITATILOR DOBANDITE IN CADRUL
UNITATII DE COMPETENTA
Scrieti litera corespunzatoare in coloane.
Alegeti dintre urmatoarele variante: F = frecvent, U = uneori, R = rar sau niciodata
|
Elevii trebuie sa citeasca: |
Sa inteleaga textul in intregime |
Sa inteleaga propozitii |
Vocabular/ descifrare |
Trebuie sa aflu mai mult |
|
Carti | ||||
|
Manuale | ||||
|
Ziare | ||||
|
Fise conspect | ||||
|
Fise de activitati | ||||
|
Statistici (grafice) | ||||
|
Table/imagini proiectate | ||||
|
Literatura de specialitate | ||||
|
Notite | ||||
|
Semne si simboluri | ||||
|
Instructiuni | ||||
|
Referate | ||||
|
Proiecte | ||||
|
Site-uri web | ||||
|
Lucrarile altora |
Altele: ..................................
ACTIVITATEA NR.11
SOLUTIE
a) trior cilindric
b) separator pneumatic
ACTIVITATEA NR.12
SOLUTIE
Pentru stabilirea proportiilor se procedeaza astfel:
|
Lotul I |
Lotul II |
Povara |
|
|
Continutul in gluten | |||
|
Diferenta fata de povara | |||
|
Proportia inversa |
Pentru a calcula cantitatile din fiecare lot se procedeaza astfel:
pentru lotul I: 10 parti.. 1000 t
7 parti. X
X = (7 x 1000) : 10 = 700 t
pentru lotul II: 10 parti.. 1000 t
3 parti. Y
Y = (3 x 1000) : 10 = 300 t
Pentru determinarea greutatii hectolitrice si a umiditatii poverii de macinis se foloseste regula proportiilor ponderale:
pentru masa hectolitrica a poverii de macinis:
Lotul I 700 x 75 = 52.500 kg/hl
Lotul II 300 x 80 = 24.000 kg/hl
1000 x a = 76.500 T a = 76.500 : 1000 = 76,5 kg/hl
pentru umiditatea poverii de macinis:
Lotul I 700 x 14 = 9.800 kg/hl
Lotul II 300 x 15 = 4.500 kg/hl
1000 x a = 14.300 T a = 14.300 : 1000 = 14,3 %
FISA DE FEED-BACK A ACTIVITATII
Numele candidatului:
Clasa:
Detalii legate de activitate:
Perioada de predare:
Activitate acceptata:
Activitate de referinta:
Este nevoie de mai multe dovezi:
Comentarii:
Data de predare dupa revizuire:
Criteriile de performanta indeplinite:
Semnaturi de confirmare:
Profesorul Data
Candidatul Data
ACEASTA FISA VA FI ATASATA LA DOSARUL ELEVULUI!
Fisa constituie un document pentru portofoliul elevului , fiind o dovada a muncii acestuia pe parcursul fiecarui modul. Cu ajutorul acestei fise se inregistreaza progresul unui elev pe parcursul unei unitati de competenta sau modul.
![]()
Rapeanu R., Stamate E., Utilajul si tehnologia moraritului, manual pentru clasele IX, X, Ed. Didactica si Pedagogica , Bucuresti, R.A,1992.
Nichita L, Manual pentru pregatire practica - industria alimentara, Ed. Oscar Print, 2004
Ioancea, L., Petculescu, E., Utilajul si tehnologia meseriei, Ed. Didactica si Pedagogica R. A., Bucuresti, 1995.
Ioancea, L., Petculescu, E., Utilajul si tehnologia meseriei, Ed. Didactica si Pedagogica R. A., Bucuresti, 1995.
Banu, C., s.a., Manualul inginerului de industria alimentara, vol. I, Ed. Tehnica, Bucuresti, 1998.
Nicolaescu M, s.a, Exploatarea si intretinerea utilajelor din industria moraritului si panificatiei, Ed. Tehnica, Bucuresti, 1973
Costin I, Tehnologia de prelucrare a cerealelor in industria moraritului,Ed. Tehnica, 1983
*** - Norme specifice de protectie a muncii pentru fabricarea produselor de morarit si panificatie, Ministerul muncii si protectiei sociale, Departamentul protectiei muncii, 1998.
Moraru, C., Danciu, I., Gerogescu, D., Metode de analiza la cereale, fainuri si produse
derivate, vol I, II, III, Universitatea din Galati. 1975 / 1980 / 1983
Moraru, C. Tehnologii moderne in industria moraritului - curs postuniversitar,
Universitatea din Galati. 1985.
Moraru, C.. Insusirile de macinis ale cerealelor - curs postuniversitar, Universitatea din
Galati. 1988
Moraru,C. s.a., Tehnologia si utilajul industriei moraritului si crupelor - Pregatirea cerelelor pentru macinis, I,II, Universitatea din Galati. 1988
Munteanu,L.S., s.a., Fitotehnie, EDP, Bucuresti. 1995
Adrese Internet
www.aaoobfoods.com/industrialgrinders.htm
www.pleasanhillgrain.com/grain_mils_industry
www.alma-moulins.com/index.php
|
Politica de confidentialitate | Termeni si conditii de utilizare |
Vizualizari: 6379
Importanta: ![]()
Termeni si conditii de utilizare | Contact
© SCRIGROUP 2025 . All rights reserved