| CATEGORII DOCUMENTE |


![]()
Cuprins
I.Analiza de process
Descrierea procesului tehnologic
Cerinte de funcionare
Puncte de masura si variabile masurate
Precizarea punctelor lor si variabilelor de comanda
Cerintele traductoarelor si elementele de executie
II.Proiectarea sistemelor de proiectare automata
Modelul mathematic al procesului tehnologic
Structura de reglare
Calculul legii de reglare
Verificarea prin simulare a performantelor a sistemului de reglare automata in circuit inchis si deschis
III.Alegerea echipamentelor pentru structura de conducere distribuita .
Echipamente pentru proiectarea sistemului de reglare automata
IV.Observatii personale si concluzii
V.Ansamblul pentru 2 hidrocentrale in serie
VI.Aplicatie industriala sistem SCADA
I. Analiza de process
Descrierea procesului tehnologic
Componentele instalatiei:
2 rezervoare;
pompa de apa;
motor electric(24V c.c.);
o dioda hidraulica de sens;
un sistem de tevi combinat cu 2 robinete V1 si V2;
un traductor de nivel TL cu ultrasunete;
un traductor de debit;
un traductor de temperatura;
o unitate de incalzire;
un releu de comanda;
un ventil de reglare;
Scopul lucrarii este de a regla nivelul de lichid in rezervorul superior,determinand legea de reglare corespunzatoare pentru cazul automat.
Circuitului hidraulic este compus din :
2 rezervoare de apa;
Pompa de apa ;
O dioda hidraulica de sens;
Un sistem de tevi combinate cu 2 robinete ;
Circulatia apei se desfasoara:
din rezervorul inferior in cel superior prin sistemul de conducte,coturi si tevi de racordare Aceasta circulatie a apei este asigurata de o pompa de apa actionata de un motor electric(24V c.c).
din rezervorul superior spre cel inferior se realizeaza prin curgere naturala printr-un sistem de conducte pe care este montat un robinet ce permite modificarea sectiunii de trecere si blocarea conductei(izolare bazin superior).
Un sistem de tevi combinate cu 2 robinete permit dirijarea apei refulate de pompa fie spre rezervorul superior fie spre cel inferior.
Rezervor
Instalatia tehnologica este compusa din doua rezervoare transparente unul superior(montat pe patru bare de aluminiu) si unul inferior(montat pe profilul de baza al instalatiei).
Caracteristici tehnice ale rezervoarelor:
Ø sunt prevazute cu orificii de diametre diferite pentru intrari,iesiri, pentru senzorul de temperatura sau pentru rezistenta de incalzire;
Ø orificiile e prevazute cu filet pentru montarea rezistentei de incalzire in rezervorul inferior sau este obturat cu un capac la rezervorul superior.
Ø rezervoarele sunt gradate in milimetri pentru a citi direct inaltimea coloanei de apa
Ø orificiile neutilizate de la fiecare rezervor pot fi obturate cu dopuri speciale
Ø rezervoarele sunt prevazute cu un capac demontabil in care pot fi fixati senzori de nivel cu ultrasunete;
Date tehnice:
|
Temperatura de operare permisibila |
max. +65 C |
|
Capacitate |
aprox. 15 l |
|
Dimensiuni (masuri externe) Latime Adancime Inaltime |
190 mm 185 mm 500 mm |
|
Material |
Plexiglas |
|
Diametru teava |
15 mm |
Sistemul tubular de conectare.
Sistemul tubular de conectare asigura circuitul hidraulic intre cele doua rezervoare printr-o serie de T-uri,coturi,robinete si tuburi de PVC.
Pentru intrerupere sau curgere libera in sistem sunt incluse robinete de actionare.
T-uri Coturi Robinet
Fig. Sistem tubular de conectare
Traductorul de nivel cu ultrasunete
Senzorul cu ultrasunete ofera posibilitatea determinarii nivelului de lichid din rezervorul superior.El este fixat pe capacul rezervorului superior si are forma cilindrica si un filet M30x1.
Componente ale senzorului:
Un emitator cu ultrasunete ;
Un receptor de unde reflectate de suprafata de lichid;
Schema de principiu a traductorului de nivel este:

Date tehnice - traductor de nivel:
|
Tensiune de operare permisa |
24 Vcc |
|
Curent consumat (fara sarcina) |
< 35 mA |
|
Rezistenta de iesire |
< 4 0 Ohm |
|
Curent de iesire |
4 pana la 20 mA |
|
Nivel de masurare |
0 pana la 500 mm |
|
Rezolutie |
1 mm |
|
Eroarea de liniaritate |
0.2% din valoarea scalei |
|
Frecventa puls |
40 Hz |
|
Deviatia undei |
Approx. 5 |
|
Protectie polaritate reversa |
Da |
|
Grad protectie |
IP 65 |
|
Greutate |
0.250 kg |
Pompa de apa
Pompa este montata pe profilul de baza cu un inel de prindere cu surub si este utilizata la recircularea apei din rezervorul inferior spre rezervorul superior.
Caracteristicile motorului:
Ø este proiectat pentru o actiune continua
Ø are o rotatie in sensul acelor de ceasornic
Ø actioneaza pompa cu turatie variabila proportionala cu tensiunea de alimentare
Caracteristici ale pompei:
debitul pompei centrifuge este aproximativ proportional cu turatia pompei
poate fi montata vertical(motorul trebuie pozitionat deasupra pompei) sau orizontal(iesirea pompei sa fie orientata in sus)
Date tehnice-pompa de apa:
|
Tensiune de alimentare |
24Vcc |
|
Curent consumat |
0.5 la 0.9 A |
|
Debite variabile la diferite presiuni: 0.10 bari 0.20 bari 0.30 bari |
27.0 l/min 20.0 l/min 11.3l/min |
|
Domeniul de temperatura pentru motor |
-40 |
|
Materiale: Compartiment pompa |
Plastic(PA66) Hotel inoxidabil |
|
Dimensiuni: |
Lungime 170mm,Latime 62mm,Inaltime 75mm |
|
Greutate |
0.53kg |
|
Conexiuni tevi |
15mm |
|
Conexiune electrica |
Cablu,260mm lungime |
Regulator pompa
Regulatorul are rol de amplificator de tensiune si de putere ce functioneaza ca o sursa de tensiune comandata.Pompa este utilizata ca element de excutie in bucla de reglare a nivelului in vasul superior.
Date tehnice-regulator pompa:
|
Tensiuni de alimentare |
24Vcc |
Borne 11(+),12(-) |
|
Intrare(IN+,IN-) |
0.+10Vcc |
Borne 22(+),21(-) |
|
Iesire(OUT+,OUT-) |
0.24Vcc |
Borne 14(+),13(-) |
|
Iesire curenta |
Max 1A | |
|
Conexiuni |
Terminal surub |
Traductoul de debit
Senzorul de debit este incadrat in sistemul de tevi folosind mufe de cuplare. Lichidul antreneaza elicea din incinta de masurare intr-o miscare circulara pe ale carei palete se afla suprafete de reflexie.
Terminlele sunt codate colorat:
Terminal pozitiv-alb
Terminal negativ verde
Date tehnice-traductor de debit:
|
Tensiune de alimentare |
5 pana la 18Vcc |
Acuratetea masurarii |
<1% din valoare masurata la 20. |
|
Curent consumat |
6 pana la 33 mA |
Linearitate |
<1% la 20 |
|
Semnal de iesire |
Semnal unda dreptunghiulara, 5..12V |
Presiune de operare |
Max 6 bari la 80 |
|
Intervalul de frecventa |
13pana la 1200Hz |
Temperatura de functionare |
-40 |
|
Senzor |
Infrarosu (optoelectronic) |
Durata de masurare | |
|
k-factor (puls/.) |
Protectie polaritate reversa |
Da |
|
|
Debitul masurat |
0.5 pana la 15.0 l/min |
Conexiune electrica |
Cablu,750mm |
|
Dimensiuni Lungime Cablu conectare |
43.5mm M20x2 |
Diametru extern-conector inelar Marime normala-senzor |
9mm 9mm |
Traductorul de temperatura este format din:
Senzor de temperatura (Termorezistenta PT-100)
adaptorul de rezisenta-curent ELT 162 cu blocul de gama F75
Traductorul de teperatura este insurubat intr-un orificiu cu filet in rezervor.
Caracteristicile senzorului:
contine o termorezitenta de platina cu valoarea nominala
de 100![]()
el consta intr-un tub de protectie ,un cap de conectare si elementul de masurare
Unitatea de incalzire.
Unitatea de incalzire este fixata intr-un orificiu cu diametru de 50mm in rezervor prin intermediul unui filet de strangere.Poate fi trecuta pe ON sau OFF prin simpla comutare alimentare/nealimentare a circuitului de comanda.
Date tehnice-rezistenta de incalzire
|
Capacitate de incalzire |
1000W/230Vca |
Materiale (element incalzire) |
Otel inoxidabil |
|
Tensiune de comanda |
24 Vcc |
Conexiune Unitate incalzire Conexiune comanda |
Cablu cu conector,2000mm lungime Priza 3 iesiri |
|
Dimensiuni Element incalzire Filet de prindere |
150 mmx20mm G1 ½ |
Senzorul capacitiv de aproximitate
Este montat intr-un brat de aluminiu;se poate roti si monta pe suport folosind un T si un surub.Operatiile efectuate de acest senzor se bazeaza pe o evaluare a modificarii valorii capacitatii condensatorului din circuitul oscilant RC.
Schema de principiu:
Date tehnice-senzor capacitiv:
|
Tensiune alimentare |
10 pana la 55 Vcc |
|
Iesire sensor |
PNP |
|
Spatiul nominal de comutare |
2 pana la 8 mm |
|
Histerezis |
3 pana la 15 % |
|
Curent maxim de comutare |
2 0 mA |
|
Frecventa maxima de comutare |
3 0 Hz |
|
Curent consumat fara sarcina (la 55 V) |
7 mA |
|
Temperatura exterioara |
20 C pana la +70 C |
|
Grad protectie |
IP 65 |
|
Materiale (compartimentare) |
Thermoplast |
|
Greutate |
0 20 kg |
|
Conexiune electrica |
Cablu, 200 cm lungime |
Blocul de comanda manuala ELX 127
Pentru comanda manuala a pompei de apa s-a introdus in componenta instalatiei un bloc de comanda manuala FEA Sistem E model ELX 127 modificat astfel incat sa permita comutarea manual/automata a pompei.
Ventilul de reglare
Acest ventil este montat pe un brat care poate fi rotit si se prinde de profilul de aluminiu prin intermediul unui surub.Ventilul permite controlul debitului lichidelor care il parcurg.
Date tehnice -ventil de reglare
|
Tensiune de alimentare |
24 Vcc |
Sensibilitatea raspunsului |
<0.5%din valoarea finala |
|
Putere consumata |
8W |
Precizia repetitiei |
<0.5%din valoarea finala |
|
Grad protectie |
IP65 |
Temperatura medie |
-10 |
|
Marimenominala |
6mm |
Greutate |
0.40kg |
|
Presiune de operare |
Max.2 bari |
Histerezis |
<5%din valoarea finala |
|
Temperatura mediului |
Max.+55 |
Materiale compartimente parti Interne valva |
Alama otel inoxidabil |
|
Dimensiuni:Inatime Lungime |
108mm 46mm |
Cerinte de functionare
Functionare in regim normal
Pentru a obtine o buna functionare a sistemului de reglare se tine cont de urmatoarele cerinte impuse de sistemul de reglare:
Se utilizeaza un traductor de nivel TL cu ultrasunete care furnizeaza la iesire un semnal in curent 4-20mA c.c pentru o variatie a nivelului de lichid in domeniul 0-500 mm.
Pompa trebuie montata sub nivelul apei. Intrucat nu este permisa functionarea in gol se impune un nivel minim pentru rezervorul inferior de 150 mm.
Pentru a actiona circuitul de comanda cu un semnal in tensiune de 24V se utilizeaza un convertor electronic de semnal (10V→24V).
Se impune un debit Fi care este controlat prin modificarea ariei sectiunii S1 a robinetului de reglare r1 si presiunea Pi.
Prin functionare normal se intelege capacitate de reglare ce asigura mentinerea unui nivel de lichid dorit in R1 si R2 fapt ce necesita o legatura intre aria sectiunii robinetului r2, robinetului r3 si 1VR astfel incat sa se asigure un debit de intrare aproximativ egal cu debitul de evacuare.
Functionarea in regim de avarie
Cei 2 recipienti din circuitul hidraulic trebuie sa fie prevazuti in partea inferioara cu cate un stut de evacuare a apei. Ei pot fi actionati manual pentru golirea recipientilor in perioada cand nu se utilizeaza instalatia precum si in cazul in care apar avarii, cand reglarea nivelului nu mai este posibila. Tot pentru astfel de cazuri, precum si impotriva efectelor socurilor datorate neexploatarii corecte, recipientii sunt prevazuti cu stuturi de prea plin la limita superioara.
Punct de masura si variabile masurate
Marimea direct masurabila este nivelul de lichid din rezervorul superior.
Pe rezervorul superior este montat un traductor de nivel TL cu ultrasunete ce furnizeaza la iesire un semnal in curent 4-20 mA c.c pentru o variatie a nivelului de lichid in domeniul 0-500 mm.
Senzorul cu ultrasunete foloseste aerul atmosferic ca mediu de propagare pentru formele de unda acustice si le intercepteaza dupa ce acestea sunt reflectate de suprafata apei .Undele reflectate sunt captate de un oscilator, apoi sunt transmise unui bloc de amplificare si implicit unei unitati de evaluare din care rezulta un semnal transmis partii de iesire,transformat in semnal de iesire analogic 4-20mA. Iesirea senzorului este protejata la scurtcircuit (RS=0) si suporta o rezistenta de sarcina < 400
Traductorul de nivel se conecteaza la calculator prin intermediul blocului de comanda manuala a pompei pentru a putea vizualiza valoarea semnalului furnizat de acesta la comanda manuala.

Marimi indirect masurabile
Modificarea nivelului se obtine modificand debitul Fp (modificand turatia motorului),precum si prin modificarea sectiunii de trecere prin robintul r3.Acest debit se poate determina in urma unor calcule.
Precizarea punctelor lor si variabilele de comanda
Pentru comanda manuala a pompei de apa, in componenta instalatiei a fost introdus un bloc de comanda manuala FEA Sistem E model ELX 127 modificat astfel incat sa permita comutarea automat-manual a pompei si comanda manuala a acesteia. Acest bloc pe comanda manuala, furnizeaza la iesire un semnal in tensiune de 0-10V pentru comanda manuala a regulatorului pompei de recirculare a lichidului, iar pe intrare masoara un curent de 4-20 mA provenit de la traductorul de nivel cu ultrasunete
Cerintele traductoarelor si elementului de executie
In implementarea practica a sistemului de reglare se incepe cu stabilirea regimului de lucru al recipientelor.Din cerintele tehnologice se stabilesc valorile limita de variatie ale nivelului de lichid.Prin urmare se impune un nivel minim pentru rezervorul inferior de 150mm.Acest minim este luat in vedere ca urmare a cerintei impuse de pompa de apa intrucat nu este permisa functionarea in gol a pompei de apa(elementul de executie).Pe rezervorul superior este montat un traductor de nivel TL cu ultrsunete ce furnizeaza la iesire un semnal in curent 4-20mA c.c pentru o variatie a nivelului de lichid in domeniul 0-500mm.
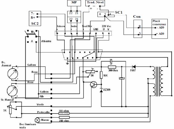
Pentru comanda manuala a pompei de apa in componenta instalatiei a fost introdus un bloc de comanda manuala FEA Sistem E model ELX 127 modificat astfel incat sa permita comutarea manual-automatSchema electrica modificata a blocului ELX 127 si modul de cuplare al acestuia la echipamnetele instalatie:

Schema electrica modificata a blocului de comanda manuala ELX 127
Tensiuni de alimentare de 24V si 10V c.c asigura alimentarea senzorului de nivel si a punctelor de setare ale elementelor conectate la placa.
Traductorul de nivel se conecteaza la calculator prin intermediul blocului de comanda manuala a pompei pentru a putea vizualiza valoarea semnalului furnizat de acesta la comanda manuala. Adaptorul este conectat la instalatia de laborator conform schemei

Schema de conexiuni a adaptorului - interconectare intre instalatia
FESTO si placa AXIOM
II.Proiectarea sistemelor de reglare automata
Modelul matematic al procesului tehnologic
Modelul matematic se obtine pe baza ecuatiilor bilantului de masa
![]()
S-au facut notatiile:
Variabile de
stare:
Variabile de intrare:

C este coeficientul de pierderi functie de vascozitatea fluidului si forma sectiunii de trecere
S aria sectiunii de robinetului de trecere dintre cele doua rezervoare,
A si A aria sectiunii transversale a a recipientului 1,respective 2
Modelul matematic in forma canonica: ![]()
![]()
In regim stationar,pentru L dat,se stabileste relatia:
Liniarizam ecuatiile scrise anterior sub forma canonica:

Se fac urmatoarele notatii:
Forma liniara a modelului mathematic devine:
Tinand cont de expresia
se inlocuieste C in expresiile scrise
anterior:
+
Efectuand
transformata
![]()

![]()
Notam T=
;
inlocuind
din (10) in (11) avem:

(11)

![]()

T=![]()
Coeficientul de
transfer pe canalul U-L
Coeficientul de transfer pe canalul U-L
:
![]()
Structura de reglare :


Schema bloc a sistemului de reglare a nivelului
Calculul legii de reglare
A1 = A2 = 1,75x1,9 dm2 = 3,325 dm2; L10 =L20 = 2 dm; F10 = F20 = 4,7 dm3/min la UC = 8 V si F20 = 3,3 dm3/min la UC = 7 V.

Ø Factorul de transfer in regim stationar pentru pompa de apa(elementul de executie):
Ø Factorul de transfer pentru traductorul de nivel:
Ø Coeficientul de transfer pe canalele perturbatie-nivel de lichid:
kw=
[dm], unde
Cu aceste valori, ecuatiile
![]()
devin: 
Rezultatele obtinute in urma experimentelor desfasurate in laborator :
|
Nr. crt. |
U[V] |
T [sec] |
∆L[cm] |
F[cm3/s] |
Tinand cont de aceste rezultate se determina factorul de transfer pentru elemental de executie (pompa, regulatorul de comanda al pompei):
Functia de transfer a elementului de executie se aproximeaza sub forma:
,unde
,cu
=T
Partea fixa a sistemului de reglare a nivelului in primul recipient,
tinand cont ca am ales constanta de timp pentru traductor si nivel
Se recomanda un regulator PI. Efectul componentei I determina anularea erorii in regim stationar, fiind utilizat cand intrarea sistemului variaza lent iar componenta P asigura viteza ridicata de raspuns. Tinand cont de forma functiei de transfer a partii fixe se determina parametrii de reglare
;
Pentru parametrii de reglare determinati anterior, forma functiei de transfer a regulatorului este:
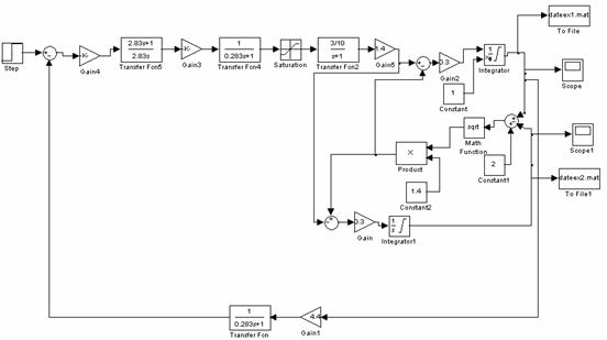
Verificarea prin simulare a performantelor Sistemului de reglare automata in circuit deschis si inchis :

Schema bloc a sistemului de reglare in circuit deschis
Nivelul din recipientul1
Nivelul din recipientul 2

Schema bloc a sistemului de reglare implementand modelul neliniar al rezervoarelor de lichid(in circuit inchis)

Nivelul de lichid in rezervorul superior

Nivelul de lichid in rezervorul inferior
Prin proiectarea sistemului in circuit inchis se urmareste sa se controleze nivelul apei in rezervorul superior prin tensiunea de comanda aplicata pompei
VI.Alegerea echipamentelor pentru structura de conducere distribuita
Pentru procesele distribute pe minim doua niveluri este recomandata utilizarea
sistemelor SCADA.
Sistem SCADA
Cele trei componente ale sistemului SCADA sint:
1. Mai multe RTU
sau PLC.
2. Statia Master si HMI Computer(e).
3. Infrastructura de comunicatie.
SCADA este tehnologia care ofera utilizatorului posibilitatea sa colecteze date de la unul sau mai multe echipamente aflate la distanta si sa transmita un set limitat de instructiuni de comanda acestor echipamente. SCADA face sa nu mai fie necesar ca un operator sa stea sau sa inspecteze frecvent acele locatii telecomandate in cazul in care acestea functioneaza normal.
Termenul SCADA se refera de
obicei la un centru de comanda care monitorizeaza si controleaza
un intreg spatiu de productie. Cea mai mare parte a operatiunilor se executa
automat de catre RTU - Unitati Terminale
Comandate la Distanta (Remote Terminal Unit) sau de catre PLC-
Unitati Logice de Control Programabile (Programmable Logic Controller).
Functiile de control ale centrului de comanda sint de cele mai multe ori
restrinse la functii decizionale sau functii de administrare generala
Achizitia de date incepe la nivelul RTU sau PLC si implica citirea indicatoarelor de masura si a starii echipamentelor care apoi sint comunicate la cerere catre SCADA. Datele sint apoi restructurate intr-o forma convenabila operatorului care utilizeaza o HMI, pentru a putea lua eventuale decizii care ar ajusta modul de lucru normal al RTU/PLC. (Un sistem SCADA include componentele: HMI, controllere, dispozitive de intrare-iesire, retele, software si altele)
Achizitionarea unui sistem SCADA (denumit si DCS- Sistem de control distribuit Distributed Control System) poate fi facuta de la un singur producator sau utilizatorul poate asambla un sistem SCADA din subcomponente.
RTU realizeaza conexiunea cu echipamentele supravegheate, citesc starea acestora (cum ar fi pozitia deschis/inchis a unui releu sau valve), citesc marimile masurate cum ar fi presiunea, debitul, tensiunea sau curentul. RTU pot controla echipamentele trimitind semnale, cum ar fi cel de inchidere a unui releu sau valve sau setarea vitezei unei pompe.
RTU pot citi stari logice digitale sau masuratori analogice, si pot trimite comenzi digitale sau setari de valori analogice de referinta.
PLC-urile au fost inventate ca o alternativa mai putin costisitoare la vechile sisteme care foloseau zeci sau sute de relee si timere.
HMI - Interfata om-masina (Human Machine Interface)
Observatii personale si concluzii
Instalarea programului pentru a se putea face experimente se face cu ajutorul comenzii Open din meniul File al LabView-ului. In directorul LabView se face dublu click cu mouse-ul pe programul Reglare_nivel.vi.
Pe ecranul monitorului apare panoul de comanda
si afisare ce permite fixarea parametrilor, lansarea programului pe manual sau
automat si afisarea graficelor de variatie si a valorilor marimilor sistemului
de reglare. Fereastra ecran a panoului de comanda este prezentata in figura de
mai sus. In prima fereastra se afla variabila de proces. In a
S-a ales o marime de comanda initiala U=6V, s-a trecut in modul automat si am observat evolutia in timp a marimilor de proces in functie de parametrii regulatorului avand ca scop reglarea nivelului la o valoare data.
S-a setat initial valoarea parametrilor de reglare: P=0.66; I=2.83

Initial avem o eroare negativa intrucat nivelul de referinta este mai mic decat variabila de proces, variabila de proces variaza apoi in jurul valorii de referinta. Variabila de comanda creste cand valoarea erorii creste si scade cand valoarea erorii este negativa.

In cadrul sistemului de reglare automata se utilizeaza un regulator de tip PI, componenta I determinand anularea erorii in regim stationar, componenta proportionala asigura o viteza ridicata de raspuns.
Pentru P=1.66;I=2.83 se observa un timp de 3min.5 secunde,timpul in care variabila atinge valoarea marimii de referinta ,domeniul de variatie in jurul valorii de referinta este mai mic,si se observa o imbunatatire a rezultatului.
Prezenta polului in origine in functia de transfer a regulatorului asigura o buna comportare in regim stationar a sistemului de reglare (eroare=0).
v Ansamblul pentru 2 hidrocentrale in serie
Energia hidroelectrica
Energia produsa de o centrala hidroelectrica, data de expresia:
se interpreteaza grafic in figura, ca fiind egala cu aria hasurata, limitata superior la puterea instalata, Pi.

Timpul este in ore, 8760 fiind numarul de ore dintr-un an. Suprafata aflata deasupra lui Qi nu mai poate fi utilizata si debitul ramas se pierde prin deversare, daca nu se dispune o posibilitate de a stoca apa, gen lac sau bazin compensator.
La un debit instalat se raporteaza suprafata hasurata la suprafata totala si se obtine a cata parte din stocul afluent este uzinat. Rezultatul se numeste coeficientul de utilizare a debitului si se noteaza cu
Cu cat debitul instalat va creste, cu atat va creste si eastfel incat la Qi = Qm, ε= 1, utilizandu-se tot stocul afluent si bineinteles puterea instalata va fi maxima. Inversul coeficientului de utilizare se numeste factor de instalare si se noteaza cu ki:
O amenajare hidroenergetica a unui bazin, subbazin sau rau cuprinde una sau mai multe centrale hidroelectrice si lacuri de acumulare.
-Amenajari in cascada-produse prin bararea raului sau fluviului cu centrale tip baraj astfel incat la coada lacului din aval sa urmeze centrala baraj din amonte (vezi figura). La noi in tara, o amenajare in cascada se regaseste pe raul Olt;

-Amenajari in cascada combinata
O astfel de amenajare se intalneste pe raul Arges;


- Centrale tip baraj-sunt centralele care sunt amplasate la piciorul barajului al unui lac de acumulare sau tin loc si de baraj (cum ar fi centralele fluviale). Aceste centrale se regasesc in schemele de amenajare fluviale si in cascada. Caracteristicile lor sunt debite mari si caderi mici.

Criterii de similitudine
Asemanarea a doua fenomene presupune similitudinea geometrica, hidrodinamica si/sau similitudinea energetica. Procesele hidrodinamice sunt caracterizate de procese de curgere ce pot avea loc sub forma curgerii fortate sau curgerii gravitationale. Ecuatia criteriala a curgerii izoterme in regim stationar este de forma [4, p.65]:
( Fr, Eu, Re ) = 0
unde: Fr, Eu, Re sunt criterii de similitudine pentru curgerea izoterma stationara.
Criteriile de similitudine sunt deduse pe baza ecuatiilor generale ale curgerii:
a) Criteriul lui Froude (Fr) este o masura a raportului dintre fortele de inertie si fortele de gravitatie:
(1.2)
in care: w- viteza fluidului [m/s]; g - acceleratia caderii libere [m/s2]; l - dimensiunea liniara caracteristica a sistemului [m].
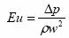
b) Criteriul lui Euler ( Eu ) este considerat raportul dintre forta rezultata din diferenta de presiune intre doua puncte si fortele de inertie:
unde: p - diferenta de presiune pentru invingerea rezistentelor hidraulice [N/m2];
- densitatea fluidului [kg/m3].
In cazurile curente in care nu intervin viteze foarte mari de curgere, criteriile Fr si Eu nu sunt luate in consideratie in stabilirea similitudinii de curgere
c) Criteriul Reynolds (Re) este o masura a raportului dintre energia cinetica si energia consumata prin frecari interne:
unde: w - viteza fluidului [m/s]; l - dimensiunea liniara caracteristica sistemului [m]; v - vascozitatea cinematica a fluidului [m2/s]; - vascozitatea dinamica [Ns/m2]; G - debitul de masa al fluidului [kg/s]; A - aria sectiunii de curgere [m2].
Criteriul Reynolds este principalul criteriu de similitudine hidrodinamica. [5, p.36]. Experimental, s-a demonstrat ca miscarea fluidului este de doua feluri, laminara si turbulenta, si tipul miscarii influenteaza esential valoarea pierderilor de presiune. In miscarea laminara straturile de fluid aluneca unele pe langa altele, adica vectorii viteza atasati particulelor de fluid raman paraleli, fara sa aiba loc transfer de masa intre straturi. In miscarea turbulenta, straturile de fluid nu mai sunt paralele si are loc transfer de masa intre ele, adica vectorii atasati particulelor de fluid capata componente normale pe directia de deplasare. Experimental, parametrii determinanti ai regimului de curgere in conducte sunt: - w - viteza medie in conducta; - d - diametrul conductei; - - vascozitatea cinematica a fluidului.
Cu ajutorul acestor parametri se poate forma un singur complex adimensional:
expresie care se numeste numarul lui Reynolds si este o caracteristica a miscarii in conducte cilindrice, in jurul unui cilindru, sau in jurul unei sfere, cu diametrul D. Trecerea de la regimul laminar la regimul turbulent de miscare se face la o anumita valoare a criteriului. S-a stabilit experimental ca, pentru conducte circulare, aceasta valoare este: Recr = 2320. In realitate, trecerea de la un tip de miscare la altul nu este foarte neta, ci se face intr-un anumit domeniu de valori ale lui Re; in acest domeniu de tranzitie, la inceputul curgerii turbulente miscarea este instabila.
Daca: Re < Recr - curgerea este laminara, si daca: Re > Recr - curgerea este turbulenta.
Similitudinea hidrodinamica
In analiza si proiectarea unor sisteme hidraulice complexe, cum ar fi de exemplu amenajarile hidroenergetice, este necesar sa se studieze o serie de factori ai amenajarii pe o instalatie de laborator, care sa reproduca la scara o serie de fenomene ce caracterizeaza amenajarea, cum ar fi factorii de curgere, pierderile de energie pe canalele de aductiune si de evacuare a apei din turbina, dinamica acumularii apei in lacurile de acumulare, etc.
Pentru analiza acestor aspecte se realizeaza modele fizice sau matematice bazate pe principiile similitudinii hidraulice, incluzand analiza dimensionala. Aceste modele pun in evidenta comportarile in regim dinamic si stationar a fluxului de apa in amenajarea hidroenergetica. In aceste modele se includ lacurile de acumulare cu reglarea nivelului apei si turbinele hidraulice pentru care proiectantii si constructorii realizeaza modele la scara redusa.
Aceste modele se realizeaza pe baza criteriilor de similitudine hidraulica, deci nu pe baza numai a unor scari geometrice, deoarece relatiile neliniare ale fenomenele de curgere si transformarilor energetice nu permit utilizarea similitudinii geometrice. In acest caz prototipul modelului se alege pe baza urmatoarelor criterii:
- similitudine geometrica,
- modelul sa aiba acelasi coeficient volumetric, considerand un regim de curgere turbulent prin turbina:
(1.12)
unde: Q este debitul de apa in conducta de curgere de sectiune echivalenta A, g este acceleratia gravitationala iar H este caderea neta de apa ce asigura curgerea.
Similitudinea geometrica impune reducerea dimensiunilor mentinand acelasi raport pentru dimensiunile corespondente. Marimile fizice ce se iau in considerare la similitudinea geometrica sunt lungimile l, ariile A si volumele V. Daca raportul de reducere al lungimilor este K atunci raportul ariilor va fi K2 iar raportul volumelor este K3.
Asigurarea conditiei ca modelul sa aiba acelasi coeficient volumetric permite stabilirea unor relatii cantitative pentru debitele volumetrice si puterile hidraulice:
(1.13)
unde cu indicele ( ' ) au fost notate valorile corespunzatoare modelului.
Din (1.13) se determina raportul debitelor:
(1.14)
si respectiv, raportul puterilor hidraulice (in KW).
Dar viteza de curgere determinata din ecuatia de conservare a puterii v2=2gH, gHv2= si in acest caz se poate determina raportul vitezelor de curgere a apei:
Daca apa antreneaza rotorul unei turbine, apare in acest caz si raportul de reducere al vitezelor unghiulare ale rotorului:
(1.17)
Din (1.15) si (1.17) se poate exprima raportul puterilor dezvoltate de turbine eliminand raportul geometric K:
Pe
baza relatiei (1.18) se defineste un termen uzual utilizat in alegerea,
proiectarea si construirea turbinelor hidraulice si anume turatia specifica
(sau viteza specifica). Turatia specifica corespunde modelului n' =
ns [rpm] care ar utiliza o cadere hidraulica H'=
Inlocuind in (1.18) raportul
din (1.15) rezulta:
relatie ce permite exprimarea turatiei specifice functie de debitul real turbionat:
Vitezele specifice definite de relatiile (1.19) si (1.21) nu sunt parametrii adimensionali si adesea valorile lor se modifica in functie de unitatile utilizate in calcul. Parametrul adimensional al turatiei specifice folosit in calcule este dat de ecuatia:
(1.22)
unde: [rad/s] este viteza unghiulara, este densitatea apei iar g - acceleratia gravitationala.
Similitudinea hidrodinamica permite simularea pe o instalatie de laborator prevazuta cu doua rezervoare studiul unei amenajari hidroenergetice formata din doua lacuri de acumulare. In acest studiu se pot simula fenomenele de acumulare a apei si reglarea nivelului de lichid in rezervoare, studiul fenomenelor de curgere si calculul pierderilor hidraulice, fenomenele ce apar la centralele cu repompare. O serie de alte aspecte legate de posibilitatile de reglare a nivelului in diferite instalatii industriale pot fi simulate pe instalatia de laborator.
Aplicatie industriala sistem SCADA - CHE Slatina
Sucursala Hidrocentrale Slatina are in administrare opt hidrocentrale, insumand:
putere instalata de 379 MW
o productie medie de energie de 890 GWh/an
Lungimea sectorului amenajat 116,7 km
caderea bruta intre prima si ultima centrala a cascadei este de 114 m.
Volumul de apa total al celor opt lacuri de acumulare este de 692,6
Fiecare nod hidrotehnic cuprinde
-barajul deversor
-centrala hidroelectrica tip baraj
- barajul de pamant
- digurile longitudinale de protectie a lacului de acumulare,
- contracanelele de drenaj,
- prize de apa si canalul de fuga.
Cinci hidrocentrale de pe Oltul Inferior sunt identice din punct de vedere constructiv si sunt echipate fiecare cu
patru hidroagregate tip bulb reversibil de 13,25 MW, la tensiunea de 6,3 kV,
turatia nominala de 125 rot/min,
cadere neta de 13,5 metri.
puterea nominala
de 25 MW
![]()
Am luat inaltimea H=2dm=0.2m
Daca raportul de reducere al lungimilor este K atunci K= m/0.2m=67.5.

![]()
Deci CHE Slatina raportat
la instalatia Festo ar trebui sa turbioneze: ![]()
Din raportul puterilor dezvoltate rezulta
,
prin urmare instalatia Festo are o putere instalata de 9.9W
Pe primele noua luni ale acestui an, caracterizat ca un an secetos, s-a realizat o productie de energie de 598 GWh, reprezentand 92% din programul de energie propus

In schema se pot observa urmatoarele echipamente:
o Calculator dispecer - este un PC de ultima generatie care preia date prin Ethernet de la cele doua statii grafice utilizand un protocol de comunicatie TCP/IP.
Procesor Pentium IV cu frecventa 1,8 GHz
1024 Mb RAM
Placa de baza VIA, cu program de monitorizare al starii PC-ului
Sistem de operare Windows XP cu SP2.
Software de dezvoltare Proficy Machine Edition, care permite realizarea de interfete grafice cu operatorul, liste de evenimente, memorare evolutie, etc.
porturi seriale
4 porturi USB
HDD 40 GB
DVD-RW
Doua placi de retea lO / lOO Mbps
Sunt utilizate doua statii grafice deservind serviciile proprii, respectiv serviciile generale.
o Parte comanda :
convertor 220V c.c./24V c.c., I=5A, tip ABL-7RP2405 Schneider sau echivalent
automat programabil configurat pentru 8 module DI/DO/AAL ce prelucreaza :8 intrari digitale, 10 intrari analogice, 8 iesiri contact releu, port Modbus RTU-RS485, alimentare 10 30V c.c., furnizor ADAM-5000 E/485 Advantech
panou operator display 6 LCD rezolutie 640x480 color, alimentare 1830 V c.c., 25 W, furnizor PPC-60S Advantech
modul intrari binare-DI ; 8 intrari numerice : nivel logic zero max+1Vc.c., nivel logic 1 +3,5..+30V c.c., izolatie 5000V, rezolutie de intrare 3Kohmi/0,5W, furnizor ADAM 5052 Advantech
modul iesire binara DO : 8 iesiri pe contacte ND de releu, puterea contactelor 30V c.c., 1 A, furnizor ADAM 5068 Advantech
modul intrari analogice AL : 8 intrari analogice diferentiale, -20.+20mA, Ri=125 Ohmi, izolatie 3000V, semnal maxim pe intrare 35V, furnizor ADAM 5017 Advantech
intrerupator automat bipolar tip C32H-DC-2P-2A (20542)/Schneider
intrerupator automat bipolar tip C32H-DC-2P-3A (20543)/Schneider
releu intermediar tip RXN-21E12BD+soclu RXZ-7G/Schneider
cleme tip WDU2,5/Weidmuller sau echivalent Schneider
cheie comanda tip K1F-003UCH/schneider
buton comanda tip XB4-BA31(ZB4-BZ101+ZB4-BA3)/Schneider
buton comanda tip XB4-BA21(ZB4-BZ102+ZB4-BA2)/Schneider
lampi semnalizare tip XB4-BVB1(ZB4-BVB1+ZB4-BVZ013)-1 buc. alb, XB4-BVB4(ZB4-BVB4+ZB4-BV043)-2 buc. rosu
o Cutie comanda instalatia de ungere C.I.U. :
separator cu sigurante GK1-FF/Schneider
intrerupator automat tripolar, cu protectie la suprasarcina, supracurent si protectie termica, tip GV2-M32+GV2-AD1001/Schneider
Intrerupator automat monopolar tip C60N-1P-2A-C(24396)/Schneider
Intrerupator automat monopolar tip C60N-1P-1A-B(24045)/Schneider
contactor tip LP4-K0610BW3+LA4-DCIU/Schneider
Intrerupator automat monopolar tip C60N-1P-10A-C(24401)/Schneider
cleme tip WDU35./Weidmuller sau echiv. Schneider
termostat tip 7999 Schneider
rezistenta incalzire tip RCV250/Scneider sau echivalent
lampa fluorescenta tip LFA14 Electrolux sau echiv.
priza tip PC DIN 2P+T, 10/16A -250(15310)/Schneider sau echivalent

Instalatia de ungere
Prin acest ecran se monitorizeaza functionarea instalatiei de ungere, cutia C.I.U.
Se cunosc:
-starea de pornit/oprit a cutiei
-starea de functionare a PLC
-daca exista sau nu conditii de pornire
-daca functionarea este normala sau a aparut un deranjament tehnologic
-se indica situatia de nivel scazut sau crescut de ulei in rezervorul superior/inferior
-starea temperaturii in cele doua rezervoare
-starea nivelului si debitului in fiecare lagar
Uleiul furnizat, sub presiune, de doua electropompe 31m12, 31m13 este aspirat din rezervorul inferior si refulat in rezervorul superior Rs. Pentru comanda celor 2 electropompe si pentru controlul nivelului de ulei in rezervorul inferior Ri este prevazut un traductor de nivel capacitiv 31u10 cu semnal de iesire 4-20mA. Daca pompa aleasa de baza nu reuseste sa evacueze surplusul de ulei din rezervorul inferior se comanda intrarea in functiune a pompei de rezerva, oprira celor doua pompe se face cand nivelul de ulei atinge nivelul normal, la scaderea nivelului de ulei sub minim se semnalizeaza situatia iar la nivel minim admis se comanda oprirea agregatului, daca nivelul de ulei creste la nivel maxim admis se comanda de asemenea opriea agregatului.
|
Politica de confidentialitate | Termeni si conditii de utilizare |
Vizualizari: 5199
Importanta: ![]()
Termeni si conditii de utilizare | Contact
© SCRIGROUP 2025 . All rights reserved