| CATEGORII DOCUMENTE |
Module de proiectare asistata in CATIA V5 cu aplicatii in constructia de masini
CUPRINSUL CARTII
Capitolul 1. INTRODUCERE
Obiectivele si posibilitatile proiectarii asistate
Proiectarea asistata de calculator in fazele de conceptie si dezvoltare ale unui produs
Conceptele si avantajele prototipului virtual
Aspecte generale privind proiectarea asistata in CATIA V5
Concluzii
Capitolul 2. MODULUL CATIA SKETCHER
Introducere
Interfata modulului CATIA Sketcher
Barele de instrumente pentru schitare si constrangere
Bara de instrumente Sketch tools
Instrumentul Snap to Points
Instrumentul Construction/Standard Element
Instrumentul Geometrical Constraints
Instrumentul Dimensional Constraints
Bara de instrumente Profile
Instrumentul Profile
Instrumentul Predefined Profile
Instrumentele Circle
Instrumentele Conic
Instrumentele Spline
Instrumentele Line
Instrumentul Axis
Instrumentele Point
Bara de instrumente Operation
Instrumentul Corner
Instrumentul Chamfer
Instrumentele Relimitations
Instrumentele Transformation
Instrumentele 3D Geometry
Bara de instrumente Constraint
Analiza constrangerilor schitei
Aplicatii
Crearea unui profil pentru o piesa de tip placa
Crearea unui profil pentru un corp de revolutie
Crearea unui profil pentru o piesa de tip capac
Capitolul 3. MODULUL CATIA PART DESIGN
Introducere
Interfata modulului CATIA Part Design
Bare de instrumente pentru modelare
3.3.1. Bara de instrumente Sketch-Based Features
Instrumentul de modelare Pad
Instrumentul de modelare Pocket
Instrumentul de modelare Shaft
Instrumentul de modelare Groove
Instrumentul de modelare Ho le
Instrumentul de modelare Rib
Instrumentul de modelare Slot
Instrumentul de modelare Stiffener
Instrumentul de modelare Loft
Instrumentul de modelare Removed Loft
Bara de instrumente Dress-Up Features
Instrumentul de modelare Fillet
Instrumentul de modelare Chamfer
Instrumentul de modelare Draft
Instrumentul de modelare Shell
Instrumentul de modelare Thickness
Instrumentul de modelare Thread/Tap
Bara de instrumente Surface-Based Features
Instrumentul de modelare Split
Instrumentul de modelare Thick Surface
Instrumentul de modelare Close Surface
Instrumentul de modelare Sew Surface
Bara de instrumente Transformation Features
Instrumentul de modelare Translation
Instrumentul de modelare Rotation
Instrumentul de modelare Symmetry
Instrumentul de modelare Mirror
Instrumentul de modelare Rectangular Pattern
Instrumentul de modelare Circular Pattern
Instrumentul de modelare User Pattern
Instrumentul de modelare Scaling
Bara de instrumente Boolean Operations
Instrumentul de modelare Assemble
Instrumentul de modelare Operations
Elemente de control si masura ale corpurilor
Aplicatii
Crearea unei flanse cilindrice
Crearea unei piulite
Crearea unei biele
Crearea unui corp de robinet
Crearea unui suport
Crearea unei bucse
Capitolul 4. MODULUL CATIA ASSEMBLY DESIGN
Introducere
Interfata modulului CATIA Assembly Design
Crearea ansamblului din elementele sale componente
Aplicarea constrangerilor de asamblare
Stabilirea constrangerilor de asamblare
Crearea constrangerilor de coincidenta
Crearea constrangerilor de contact
Crearea constrangerilor de distanta liniara
Crearea constrangerilor de distanta unghiulara
Fixarea componentelor
Utilizarea constrangerilor rapide de asamblare
Schimbarea constrangerilor de asamblare
Analiza ansamblului
Aplicatie
Explodarea unui ansamblu constrans
Afisarea listei de componente ale ansamblului
Capitolul 5. MODULUL CATIA DRAFTING
Introducere
Interfata modulului CATIA Drafting
Submodulul Interactive Drafting
Submodulul Generative Drafting
Capitolul 6. MODULUL CATIA KNOWLEDGE ADVISOR
Introducere
Elementele principale ale modulului CATIA Knowledge Advisor
Parametrii
Relatiile
Reactiile, regulile si verificarile
Utilizarea elementelor modulului CATIA Knowledge Advisor
Utilizarea parametrilor
Utilizarea formulelor
Utilizarea regulilor, verificarilor si reactiilor
Utilizarea tabelelor de parametrizare
Aplicatii
Utilizarea tabelului de parametrizare in crearea unei familii de piese
Parametrizarea unui ansamblu format din doua piese
Concluzii
Capitolul 7. APLICATII PROPUSE
Piesa, rol functional si forma
Necesitatea parcurgerii aplicatiilor propuse
Desene de executie ale pieselor propuse spre modelare 3D
Bibliografie
Capitolul 2. MODULUL CATIA SKETCHER
2.3.2.2. Instrumentul Predefined Profile
Acest instrument de schitare contine numeroase profile predefinite, precum: dreptunghiul, dreptunghiul orientat, paralelogramul, gaura alungita, gaura alungita curbata, profilul 'gaura de cheie' si hexagonul.
Dreptunghiul (Rectangle) se deseneaza prin stabilirea, cu ajutorul mouse-ului, a doua colturi diagonal opuse sau prin introducerea coordonatelor acestora in campurile de valori, pe orizontala si verticala, asa cum rezulta din figura 2.13.
|
Isketch tools |
|
|
|
|
|
|
xj |
||
|
|
|
|
|
First Point: |
H: |
|
|
|
|
|
1 J : |
i |
|
487mm |
V: f |
16,821mm |
||||
|
|
|
|
|
|
|
||||
| ProHIe
![]()
Fig. 2.13. Trasarea unui dreptunghi
Dreptunghiul orientat (Oriented Rectangle) se deseneaza similar, dar, cu ajutorul mouse-ului, se stabilesc trei puncte: punctul de inceput, punctul care da orientarea dreptunghiului si punctul final, diagonal opus punctului de inceput.
in figura 2.14 este reprezentat un dreptunghi orientat, se observa semnul unghiului drept in coltul din dreapta sus, dar si coordonatele punctului final si lungimea laturii mici, in campurile de valori. Aceste valori sunt, implicit, cu trei zecimale, pentru o precizie cat mai ridicata a schitei. Numarul de zecimale se poate modifica din meniul [Tools] -> [Options] -> [General] -> [Parameters and Measures] -> [Units].
![]()
![]()
![]()
Third Corner: H: )-177.533mrn
V: |5.942mrn
'Height: |-33.588nnnn

Fig. 2.14. Trasarea unui dreptunghi orientat
Paralelogramul (Parallelogram) se traseaza prin indicarea a trei puncte care definesc doua dintre laturile sale. in campurile de valori se pot introduce coordonatele acestor puncte si unghiul dintre cele doua laturi definite.
Pentru exemplificare, in figura 2.15 sunt indicate colturile paralelogramului si unghiul pe care latura in curs de trasare a acestuia il face cu axa orizontala a sistemului de coordonate, in sens trigonometric.
![]()
Fig. 2.15. Trasarea unui paralelogram
Gaura alungita {Elongated Hole), reprezentata in figura 2.16, se deseneaza prin indicare a doua puncte care definesc distanta, pe o dreapta, dintre centrele semicercurilor de la capetele profilului si un al treilea punct pentru a stabili latimea gaurii alungite.
|
|
|
|
|
Jij 1 |
|
|
H: |
|
|
|
|
Radius: 115.553nnrn Point on Ebngabsd |
-i6e,?73rmfin |
|
|
|
|
|
|
|
|
|
|
Pfofile |
|
|
||
|
|
|
|
fO |
O / | ; |
|
y -169,9 |
|
|
|
|
|
-X |
|
|
|
|
Fig. 2.16. Trasarea unei gauri alungite
Gaura alungita curbata (Cylindrical Elongated Hole) se creeaza similar cu gaura alungita, dar centrele semicercurilor de la capete sunt dispuse pe un arc de cerc. Astfel, utilizatorul va defini, pe rand, centrul arcului de cerc, punctele de extremitate ale acestuia si raza gaurii alungite curbate (figura 2.17).
|
|
|
|
Radus: 110.587rmm p tt on Cyindrical Elongated Hole' H: j -162.09 lrmnr. V: 146,64mrn |
|
|
|
|
|
4G.64 |Profile &l |
|
|
j^mm! & e^.g/1 -.■ |
|
|
|
|
Fig. 2.17. Trasarea unei gauri alungite curbate
|
Fig. 2.18. Trasarea unui profil 'gaura de cheie' |
Profilul 'gaura de cheie' (Keyhole
Profile) se traseaza prin precizarea punctului care defineste centrul cercului de raza mare, a punctului care reprezinta
centrul razei mici, a unui punct care
stabileste raza mica (Small Radius) si a unui punct care stabileste raza
mare (Second Radius), asa cum
rezulta din figura 2.18.
Hexagonul (Hexagon) se traseaza simplu prin definirea centrului cercului sau circumscris, a unui punct de pe o latura si a orientarii (figura 2.19).
![]()
![]()
Point on Hexagon: H: |-208.731mm
V:|46.257mm
Dimension: |39.736mm

Fig. 2.19. Trasarea unui hexagon
Capitolul 3. MODULUL CATIA PART DESIGN
3.3.1.5. Instrumentul de modelare Hole
Instrumentul de modelare Hole se utilizeaza la indepartarea dintr-un corp a unui volum de material de forma cilindrica.
Crearea unei gauri (Hole) consta in extrudarea unui profil circular in interiorul unui corp si inlaturarea materialului rezultat. Desi instrumentul de modelare Hole este foarte asemanator cu Pocket, ambele avand capacitatea de a inlatura material din corp, diferenta este data de faptul ca, in cazul Hole, gaura va avea intotdeauna un profil circular caruia i se pot defini cu precizie toate caracteristicile (diametru, adancime, forma, pozitie etc).
CATIA pune la dispozitia utilizatorului mai multe tipuri de gauri, si anume: Simple, Tapered, Counterbored, Countersunk si Counterdrilled, prezentate in figura 3.35.

Fig. 3.35. Tipurile de gauri create cu instrumentul Hole
in cazul gaurilor de tip Counterbored, diametrul gaurii largite trebuie sa fie mai mare ca diametrul gaurii simple, dar adancimea acesteia va fi mai mare ca adancimea gaurii largite.
in cazul Countersunk, diametrul tesiturii trebuie sa fie mai mare ca diametrul gaurii initiale, iar unghiul la varful conului sa se afle in intervalul (0, 180).
in cazul Counterdrilled, diametrul portiunii largite trebuie sa fie mai mare ca diametrul gaurii simple, adancimea acesteia va fi mai mare ca adancimea gaurii alezate, iar unghiul la varf al portiunii conice sa fie cuprins in intervalul (0, 180).
Indiferent de alegerea tipului gaurii, utilizatorul trebuie sa specifice limitele pe care le doreste la gaurire. in acest sens, CATIA prezinta cinci tipuri de limite, si anume: Blind, Up to next, Up to last, Up to plane si Up to surface, conform reprezentarilor din figura 3.36.

Fig. 3.36. Tipurile de limite pentru fiecare tip de gaura
in cazul tipului de limita Blind, se va crea o gaura simpla, definita numai de diametrul si de adancimea sa. in cazul Up to next, gaura va perfora corpul pana cand ajunge in exteriorul acestuia (prima suprafata libera). in cazul Up to last, gaura va trece prin tot corpul, indiferent cate suprafete libere intalneste, iar in cazurile Up to plane si Up to surface, utilizatorul va indica un plan (o suprafata) apartinand corpului, ca fiind limita pana la care se executa gaurirea.
in unele cazuri, este necesar ca gaurile sa fie filetate, CATIA punand la dispozitia utilizatorului doua tipuri standard de filete {Metric Thin Pitch si Metric Thick Pitch), dar si unul nestandard. in acest ultim caz, toti parametrii filetului (diametrul si pasul filetului, diametrul gaurii filetate, adancimea de filetare si adancimea gaurii filetate) putand fi modificati in functie de necesitati.
|
ExbensiDn Type |
hr?ac Dehritcn |
|
|
|
j Threacfed |
|
||
|
-ThreadDefint n - |
|
fijU|B|j| |
|
|
|
|||
|
Type: |
metric Thin Pitch |
JUlnll |
|
|
ThreadDiameter: HdeDlameta: Ttxsad Depth: |
NS |
|
|
|
|
|||
|
b,317mm |
|||
|
|
|||
|
LQmm | ^] |
Add ] |
||
|
Hole Depth: |
£0mm ^ |
Rsftwe |
|
|
Pitch i * Right-ihreaefed |
|Lmrn ^ 0 LeFt-Thr&ided |
|
|
Pentru ca o gaura sa fie filetata, in fereastra de dialog 'Hole Definition' (figura 3.37) se bifeaza optiunea 'Threaded', se alege tipul de filet si diametrul metric al acestuia. Pentru 'Metric Thin Pitch', diametrul ia valori intre M8 si M39, iar pentru 'Metric Thick Pitch', diametrul ia valori intre Ml si M90.
Aceste standarde incluse in CATIA pot fi modificate, oferind utilizatorului posibilitatea de a-si adauga propriile valori (pasul si diametrul de fund al filetului).
|
I > Cangitl J Preyiew |
|
.CK.. |
|
Fig. 3.37. Alegerea tipului de filet din fereastra de dialog Hole Definition |
Implicit, este calculat diametrul gaurii in concordanta cu diametrul de filetare si tipul standard de filet. De asemenea, pasul filetului este calculat automat in functie de diametrul de filetare si tipul standard de filet.
Din sectiunea 'Standards', apasand butonul [Add], se pot adauga in lista si alte standarde de filete definite de utilizator.
Crearea unei gauri presupune mai multe etape si conditii, prima dintre acestea fiind existenta unui corp, de forma oarecare, pe care se va pozitiona gaura respectiva. in arborele de specificatii se selecteaza o fata a corpului (Pad.l), apoi se apasa pe pictograma 'Hole', afisandu-se fereastra de dialog 'Hole Definition'. in figura 3.38 se observa ca aceasta fereastra de dialog ofera posibilitatea definirii tipului de limita pentru executarea gaurii, a diametrului si directiei sale (implicit, normala la suprafata), dar si a pozitiei centrului cercului ce defineste gaura.
|
|
|
Extension I Type | Thread DeflTHtion |
Fig. 3.38. Stabilirea pozitiei, diametrului si limitei unei gauri
in fereastra de dialog 'Hole Definition', prin apasarea butonului [Positioning Sketch] se modifica pozitia gaurii, pe fata selectata a corpului, cu ajutorul instrumentului Constraint (constrangere) a modulului CATIA Sketcher. in cazul prezentat in figura 3.38, constrangerea se realizeaza prin stabilirea distantelor intre centrul gaurii si doua din laturile paralelipipedului.
Odata pozitionarea incheiata, se indica diametrul gaurii si limita de adancime pe care aceasta se executa (vezi figura 3.36). Cu exceptia tipului de limita 'Blind', toate celelalte limite sunt calculate automat de program, valorile lor sunt afisate in campul 'Depth', dar nu pot fi modificate de utilizator.
De asemenea, asa cum s-a aratat anterior, tot din fereastra de dialog 'Hole Definition', se mai definesc tipul gaurii si parametrii de filetare ai acesteia.
Piesele mecanice necesita deseori gauri care nu sunt perpendiculare pe o anumita suprafata, ci au o directie oarecare, stabilita de proiectant, pe baza rolului functional.
|
|
|
Fig. 3.39. Crearea unui gauri cu axa inclinata dupa o anumita directie |
Pentru exemplificare, in modulul CATIA Sketcher se creeaza un profil de forma unui trapez (Sketch. 1), care se extrudeaza pana formeaza corpul Pad.l din figura 3.39. Se selecteaza fata superioara a corpului si se apasa pictograma 'Hole' pentru a pozitiona gaura. in fereastra de dialog 'Hole Definition', prin apasarea butonului [Positioning Sketch] se modifica pozitia gaurii, iar in zona 'Direction' se debifeaza optiunea 'Normal to surface'. in mod predefinit, CATIA creeaza gaura perpendicular pe suprafata. in acest caz, insa, este necesar ca axa gaurii sa fie paralela cu muchia inclinata a trapezului (Edge.l), care devine, din acest moment, noua directie de orientare a axei (figura 3.39).
Astfel, pentru a obtine gauri care nu sunt perpendiculare pe suprafetele care le sustin, se folosesc diferite constructii ajutatoare (linii, axe) sau se selecteaza ca directie unul dintre elementele de tip linie sau axa, aflate in desenul curent. in cazul prezentat anterior, s-a ales muchia respectiva pentru ca gaura sa fie paralela cu fata inclinata a corpului.
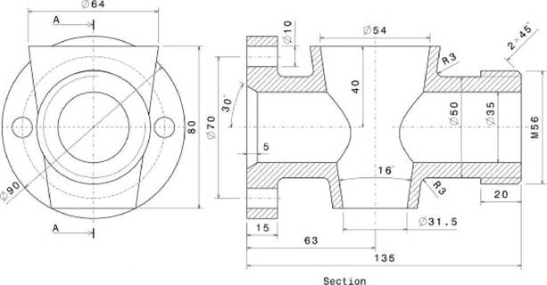
3.5.4. Crearea unui corp de robinet
in aceasta aplicatie se prezinta modul de obtinere a unui corp de robinet (figura 3.157) cu cep. Semifabricatul din care se prelucreaza piesa respectiva se obtine prin turnare.
|
Front view Scale: 1:1 |
vie1.1;
A-A Scale: 1:1
Fig. 3.157. Desenul de executie al unui corp de robinet
in modulul CATIA Sketcher, pe planul XY (figura 3.158), se traseaza un cerc, avand centrul in originea sistemului de coordonate si, prin constrangere, diametrul de 90 mm.
|
|
Utilizand instrumentul de modelare Pad din modulul CATIA Part Design se extrudeaza cercul, cu o valoare de 15 mm, obtinandu-se un cilindrul Pad.l, reprezentand corpul flansei de prindere.

Fig. 3.158. Obtinerea primului cilindru (corpul flansei)
Fig. 3.159. Obtinerea celui de-al doilea cilindru din corpul robinetului
Se selecteaza suprafata plana superioara a cilindrului respectiv, apoi, in modulul CATIA Sketcher se traseaza un cerc (Sketch.2), concentric cu primul (Sketch.l), de diametru 50 mm. Cu
ajutorul instrumentului de modelare Pad se extrudeaza si acest cerc cu o valoare de 100 mm, in acelasi sens cu prima extrudare. Rezulta, astfel, un al doilea cilindru {Pad.2), pozitionat ca in figura 3.159. La capatul superior al celui de-al doilea cilindru {Pad.2) se creeaza un alt cilindru {Pad.3), cu diametrul de 56 mm si inaltimea de 20 mm, pe care se executa un filet metric de prindere (M56), cu ajutorul instrumentului de modelare Thread/Tap (figura 3.160).
|
|
|
Georinetrical Derinition Lateral Face: |
|
|
Urnit Face: |
|Face.2 |
|
Reverse Direction J |
|
|
|
|
|
-Numerical Definitior |
|
|
|
|
|
Type: |
Metric Thick Pitch |
|
Thread Dianneter: |
M56 |
|
5upport Dianneter: Thread Depth: Support heighh: Pitch: |
56rnrn |
|
|
|
|
20rnrn |
|
|
|
|
|
20rnrn |
|
|
|
|
|
l.Brnnn |
|
Right-Threaded O Left-Threaded
Fig. 3.160. Executarea
filetului de prindere pe capatul corpului robinetului
Din meniul [Insert] -> [Body] se adauga in arborele de specificatii un corp {Body.2) care va fi utilizat intr-o operatie booleana cu primul corp {PartBody). Astfel, in planul ZX, perpendicular pe planul XY, utilizand modulul CATIA Sketcher, se deseneaza si se constrange un paralelogram {Sketch.4). De asemenea, in acelasi plan se traseaza si o axa de simetrie, orizontala, aflata la distanta de 63 mm fata de capatul cu flansa al corpului de robinet. intre axa, paralelogram si corpul PartBody se adauga constrangeri de pozitie si de paralelism, asa cum rezulta din figura 3.161.

Fig. 3.161. Crearea si constrangerea paralelogramului
Paralelogramul creat anterior se foloseste pentru a obtine un trunchi de con, prevazut cu alezaj conic (figura 3.162), prin rotirea sa completa (360) in jurul axei trasate in planul ZX. in acest scop se utilizeaza instrumentul de modelare Shaft din modulul CATIA Part Design.

Fig. 3.162. Generarea trunchiului de con prin rotirea Shaft a paralelogramului
in continuare, trunchiul de con creat se intersecteaza cu cilindrul Pad.2, punand in comun un anumit volum de material. Acesta trebuie inlaturat pentru a indeplini rolul functional al corpului de robinet. Astfel, se utilizeaza instrumentul de modelare Union Trim din bara de instrumente Boolean Operations.
in fereastra de dialog 'Trim Definition', in campul 'Trim:' se selecteaza trunchiul de con (Body.2), iar campul 'With:' contine corpul cu care se realizeaza intersectia (PartBody). in campul 'Faces to remove:' se selecteaza suprafata superioara a corpului ce reprezinta volumul de material ce se doreste a fi inlaturat, iar campul 'Faces to keep:' contine suprafata exterioara a trunchiului de con (figura 3.163).
|
|
|
Facesto keep:
|l Face |
Fig. 3.163. Extragerea volumului de material pus in comun de cele doua corpuri
in urma acestei operatii rezulta alezajul conic, pozitionat perpendicular pe axa corpului de robinet.
in continuare, se creeaza inca un alezaj, cilindric, orizontal, de diametru 35 mm, obtinut cu ajutorul instrumentului de modelare Hole, in interiorul celor trei cilindri (Pad.l, Pad.2 si Pad.3), asa cum rezulta din figura 3.164. De asemenea, la capatul dinspre flansa de prindere, alezajul respectiv se teseste 5 x 30.

Fig. 3.164. Realizarea gaurii orizontale in corpul robinetului
Pe cilindrul Pad.l, reprezentand flansa de prindere, se executa patru gauri de diametru 10 mm (figura 3.165), dispuse echidistant pe un cerc purtator cu diametrul de 70 mm. Gaurile se creeaza cu ajutorul instrumentului de modelare Hole, iar copierea si dispunerea, cu instrumentul de modelare Circular Pattem (4 gauri dispuse radial la 90).

Fig. 3.165. Executarea gaurilor de prindere ale flansei
|
|
|
Fig. 3.166. Modelul final al corpului de robinet |
Pentru a finaliza corpul de robinet, se teseste (instrumentul de modelare Chamfer) muchia care contine inceputul filetului si se racordeaza (instrumentul de modelare Edge Fillei) toate muchiile de intersectie intre trunchiul de con, cilindrul Pad.2 si flansa Pad.l, rezultand modelul final al corpului de robinet (figura 3.166).
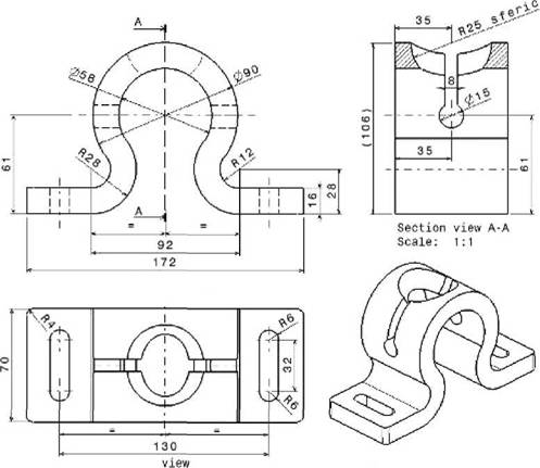
Capitolul 7. APLICATII PROPUSE
Aplicatia 20
|
■>. |
Front view Scale: 1:1
|
|
|
|
|
|
|
|
|
|
|
|
|
|
= |
|
|
|||||||
|
|
|
|
A |
|
||||||
|
|
|
|
|
|
|
|||||
|
|
i |
|
|
|
|
|
|
|||
|
|
|
st*- |
|
i |
|
|
|
|||
|
uf) O |
c |
|
|
i |
|
|||||
|
CM |
|
|
|
|
|
|
|
|||
|
|
|
|
|
|
|
|
|
|||
|
|
|
|
|
|
|
|
||||
|
|
|
|
|
|
|
|||||
|
|
|
|
|
|
|
|||||
|
|
|
|
|
|
||||||
|
SI |
Isonetric Scale: 3 |
view :4 |
|||
|
ftll |
|
|
|
|
|
|
|
|
|
|
||
|
|
|
D |
|
||
|
|
|
T |
|
|
|
|
M3 |
|
|
|
||
|
|
|
||||
|
Section view Scale: 1:1 |
A-A |
||||
ApUcatia 21
|
Front view Scale: i:t |
Top
Scale: 1:1
Isomctric wisiv Scale: 3:4
|
Politica de confidentialitate | Termeni si conditii de utilizare |
Vizualizari: 5643
Importanta: ![]()
Termeni si conditii de utilizare | Contact
© SCRIGROUP 2025 . All rights reserved