| CATEGORII DOCUMENTE |
| Agricultura | Asigurari | Comert | Confectii | Contabilitate | Contracte | Economie |
| Transporturi | Turism | Zootehnie |
| Navigatie |
Frane independente de contactul roata sina.
In conditii nefavorabile de curatenie a sinelor sau a rotilor, coeficientul de aderenta se poate micsora, astfel ca exista pericolul ca trenurile sa depaseasca distanta de franare.
Pentru astfel de conditii sunt necesare frane independente de contactul roata sina.
1. Frana electromagnetica pe sina.
Frana electromagnetica pe sina este utilizata la vagoanele de calatori care circula cu viteze mai mari de 140 km/h si pe alte vehicule ( automotoare), care circula cu viteze mai mici. Frana electromagnetica pe sina se compune din urmatoarele subansamble:
cadrul de franare cu doua patine electromagnetice de franare;
patru cilindrii ridicatori-coboratori ai cadrului de franare;
electroventil actionat de catre distribuitorul de aer care permite comanda cilindrilor ridicatori si contactul de alimentare cu curent electric a patinelor electromagnetice.
In principiu, asa cum rezulta din figura 29 patina electromagnetica, formata dintr-o bobina asezata longitudinal intre un numar de piese polare in forma de potcoava. Curentul continuu din bobina produce un camp magnetic care realizeaza in piesa polara un flux magnetic ce se inchide in ciuperca sinei.
Figura 29

Marimea fortei de franare depinde de:
reluctanta magnetica;
forta magnetomotoare, ca forta de atractie intre patina si sina;
coeficientul de frecare intre patina electromagnetica si sina;
starea sinelor (neplaneitatea sinei conduce la marimea intrefierului, prin aceasta se reduce forta de franare).
Bobinele sunt astfel dimensionate incat acestea nu se supraincalzesc la puteri de excitatie de 1..1,5kw. Piesele polare care alcatuiesc patina se fabrica din otel, fonta cu grafit nodular sau o combinatie din acestea (zona de contact a piselor polare cu sina este fabricata din fonta cu grafit nodular iar suportul din otel special). Piesele polare din otel, comparativ cu cele din fonta au o inductie magnetica mai mare oferind deci posibilitatea realizarii unor forte de franare sporite.
Dezavantajul folosirii otelului este legat de formarea unor straturi aderente de material pe piesa polara in zona de cintact cu sina care pot creste intrefierul cu 0,5-0,3mm.
De aceea piesele polare fabricate din otel se verifica la interval de timp regulat, eventual si cu demontarea acestora pentru indepartarea straturilor de material. Aceste probleme nu apar la piesele polare fabricate din fonta pe suport de otel.
In functie de realizarea constructiva a pieselor polar deosebim doua variante ale acestora:
piesa polara rigida .
Miezul piesei polare constadin doua parti rigide din otel care se asambleaza strans cu suruburi pe carcasa bobinei. Acest tip de piesa polara se foloseste in traficul suburban de calatori.
piesa polara mobila.
In acest caz cele doua parti ale miezului piesei polare se asambleaza cu organe de legatura mobile pe carcasa bobinei.
Pentru starea slabita a frane, patinele electromagnetice sunt suspendate de cadrul boghiului cu ajutorul cilindrilor ridicatori, asigurandu-se fata de ciuperca sinei distante de minim 100 mm in cazul suspendarii inalte si maxim 10 mm in cazul suspendarii joase.
In timpul franarii la actionarea cilindrilor ridicatori cadrul de franare coboara pana la o anumita distanta de sina pentru siguranta atractiei magnetice.
In aceasta situatie patina este alimentata cu curent si contactul cu sina este urmarea actiunii fortei de atractie electromagnetica.
In figura 30 este prezentata dependenta fortei de atractie specifica FH/l (kn/m), in functie de curentul care strabate bobina I(kA) pentru cazurile pieselor polare construite din otel sau din fonta cu grafit nodular.

Figura 30
Variatia coeficientului de frecare μ dintre patina si sina in functie de viteza de circulatie este redata in figura 31
Figura 31

Coeficientul de frecare creste mult sub viteza de 50km/h, de aceea patina magnetica se decupleaza la aceasta viteza pentru a se evita deceleratiile mari si socul la oprire. Actionarea patinei magnetice sub viteza de 50km/h nu este posibila.
1.1.Aparatele de completare ale franei electromagnetice. Caracteristicile constructive ale franei electromagnetice.
Vagoanele de calatori moderne AVA 200 fabricate la ASTRA Arad, incepand cu anul 1996 au fost echipate cu frana KE-PR-Mg-D si sistem electropneumatic de intrerupere al franei de alarma. Acest peragraf nu prezinta detaliat din punct de vedere constructiv si functional fiecare element al franei electromagnetice deoarece firma ASTRA Arad are deja eleborata aceasta descriere in cadrul documentatiei tehnice a vagonului transmisa la SNCFR.
Vor fi elaborate din punct de vedere principal apartatele de completare ale franei electromagnetice pentru ca sa se inteleaga mai bine importanta acestei frane suplimentare. In principiu instalatia franei electromagnetice se compune din:
magnetii de frana;
cilindrii de actionare;
partea pneumatica si partea electrica
Figura 32


Figura 33
In timpul franarii magnetii de frana aluneca pe sina in stare magnetizata realizandu-se astfel o anumita forta de franare. Fiecare magnet reprezinta o patina cu lungimea de 1500 mm si inaltimea de 72 mm, formata din mai multi magneti sectionati in care caz se obtine un efect de franare cu 20-30% mai mare in comparatie cu magnetii plini.
Elementele constructive ale un unui magnet sectionat sunt prezentate in figura 34

Figura 34
Tensiunea de alimentare a magnetului poate fi si de 24V, la o intensitate de 44 A, dezvoltand o forta de atractie asupra sinei de 4.12 tone La forta de atractie de 8,5t consumul de energie este de 1KW.

Figura 35
Forta de atractie a magnetului functie de curent
Greutatea patinei magnetice este de 160 kg pana la 300 kg iar materialul utilizat este fonta sferoidala.
Coeficientul de frecare dintre patina (magneti) si sina variaza in functie de viteza, de presiunea specifica, de umiditate etc, avand valoarea cuprinsa intre 0,05 si 0,7.

Figura 36
Coeficientul de frecare dintre magnet si sina
a) la sina uda si nisipata
b) la sina uda si nenisipata
c) la sina uscata si nisipata
d) la sina uscata si nenisipata
Pe fiecare vagon se monteaza 4 patine de franare cu o forta de strangere de 75-80% din greutatea vehiculului. Fiecare patina la randul ei este sustinuta si actionata de cate doi cilindri verticali.
Capatul de jos al tijei pistonului este articulat de magnetul de franare iar corpul cilindrului este articulat prin doua bolturi de cadrul boghiului.
Astfel se asigura posibilitatea de oscilare pe cadrul boghiului atat transversal cat si in directia de mers.
Cand presiunea de lucru din cilindrii de actionare este stabilita la o valoare de 2,5 bari se conecteaza curentul la magnetii patinei. Cand viteza vehiculului scade sub 50 km/h, decuplarea curentului magnetilor se face la o presiune de max. 4 bari.
Ridicarea magnetului de frana de pe sina se face cu ajutorul arcurilor elicoidale din cilindrii de actionare in momentul evacuarii aerului comprimat.
Aparatura pneumatica a franei unui vehicul inzestrat cu frana de tip KES este completata cu un ventil suplimentar de comanda, un rezervor suplimentar de aer R3 si alte organe auxiliare. Intrarea in actiune a franei electromagnetice are loc atunci cand maneta schimbatorului de regim este in pozitia R+Mg.
Principiul de functionare al franei electromagnetice montata pe vagoanele AVA 200.

Figura 37
Frana electromagnetica aste conceputa ca o frana suplimentara si este pusa in functiune numai la franari rapide, concomitent cu frana de aderenta (frana disc). Ea poate lucra in regim automat fiind comandata pe cale pneumatica si intra in actiune cand presiunea in conducta generala scade sub 3 kg/cm2 sau cand viteza scade sub 50km/h.
Franarea rapida la V>50 km/h.

Figura 38
La o franare rapida presiunea din conducta generala de aer se reduce prin intermediul robinetulul mecanicului. Prin scaderea brusca a presiunii, alaturi de tripla valva devine activ si acceleratorul de frana care face legatura intre conducta generala de aer si rezervorul UB. Sub influienta presiunii L in scadere, ventilul de supraveghere inchide la 3,4 bari iesirea X a dispozitivului de comanda suplimentara KZ-M .
Deoarece la frana magnetica cuplata, dispozitivul de reglare este in pozitia Mg, aerul comprimat din L evacuat spre rezervorul Ub ajunge printr-un ventil de retinere in camera US a dispozitivului de comanda suplimentar KZ-M. Insa la viteze mai mari de 50 km/h, conducta F prin antiblocatorul MGS 1 se aeriseste. Astfel releul de presiune lucreaza pe trapta sus in timpul franarii. Sub influenta presiunii Us pistonul de comanda se deplaseaza in jos. Rezervorul de aer R1 este racordat prin duza w la camera US.
Intregul volum de aer de rezerva al franei se compune din rezervoarele R1 si R2. Astfel impulsul provenit de le acceleratorul de frana rapida este amplificat si devine constant deoarece UB se aeriseste din nou incat se produce o miscare de comutatie si se face legatura intre rezervorul de aer si cilindrii de ridicare.
Sub influienta cresterii de presiune in BZ(cilindrii de ridicare) se deblocheaza pistoanele de actionare care dupa invingerea fortei arcurilor, aplica magnetii de frana pe sina.
Cind presiunea din cilindrii de frana atinge valoarea de aproximativ 2,5 bari prin intermediul dispozitivului de conectare SS1 se conecteaza curentul la baterie pentru magnetii de frana (la o presiune in cilindrii de actionare de 4,0 bari dispozitivul SS1 decupleaza din nou curentul la baterie).
Daca viteza scade sub 50 km/h se aeriseste conducta F, releul de presiune lucreaza in franare pe treapta de jos, iar camera Fv se umple prin duza V pana la o presiune de cel putin 4 bar.
Deoarece forta aplicata pe suprafata pistonului Fv este mai mare decat cea aplicata pe suprafata pistonului Us pistonul de comanda se deplaseaza in sus si inchide astfel duza w. In acelasi timp cu aceasta miscare se intrerupe si legatura dintre R3v iar cilindrii de actionare, prin duza de evacuare se golesc. Dispozitivul de comutare SS1 ca urmare a scaderii presiunii in cilindrii de actionare -intrerupe contactul de curent cu magnetii de frana.
Prin forta arcurilor proprii magnetii de frana se ridica de pe sine si se blocheaza din nou. Odata cu cresterea presiunii L camera Us se aeriseste prin duza X dupa fiecare franare, astfel incat in Us nu se poate forma nici o presiune reziduala.
Umplerea intarziata a lui Fv prin duza v are ca scop o decuplare lenta a franei de sina magnetica si implicit o trecere mai lina a schimbarii franarii. Insa durata acestei amanari a fost in asa fel stabilita incat frana de sina magnetica sa fie decuplata in orice caz inainte de oprirea trenului (decupleaza cu 3-4 secunde inainte de oprirea trenului).
Franarea rapida la V<50 km/h.
La inceperea unei franari rapide apare o crestere rapida a presiunii in Us. Insa deoarece la o viteza mai mica de 50 km/h camera Fv este aerisita dinspre antiblocatorul MGS1 pistonul de comanda nu se deplaseaza in jos (ramane sus), astfel incat nu are loc o comutare a franei de sina magnetica.
2. Frana lineara cu curenti turbionari (Foucault).
Se stie ca frana lineara in curenti turbionari este independenta de valoarea contactului roata-sina. Spre deosebire de frana electromagnetica in acest caz patinele nu ating sina ci se afla deasupra acesteia la cca 7 mm. Acest fapt prezinta avantajul unui proces de franare fara uzura.
Frana lineara in curenti turbionari, destul de scumpa este apta pentru a fi extinsa in exploatare comparativ cu frana electromagnetica. In 1985 caile ferate germane au efectuat pentru prima data incercari cu aceasta frana in locul franei electromagnetice de cale.

Figura 39
Frana lineara se monteaza pe boghiu la fel ca frana electromagnetica, schema de principiu a franei lineare in curenti turbionari fiind ilustrata in figura 40.
Figura 40 Figura 41

Modul de variatie al fortei de franare si al fortei de tractiune pe 1 m linear de cale in functie de viteza si puterea de excitatie este dat in figura 41.
3. Variatia fortei de franare la frana electromagnetica pe sina si la frana lineara cu curenti turbionari.
In figura 42 este prezentata variatia fortei de franare electromagnetica pe sina si la frana lineara cu curenti turbionari, in functie de viteza.

Figura 42
Din analiza de variatie a franei electromagnetice pe sina rezulta micsorarea puternica a fortei de franare odata cu cresterea vitezei de circulatie. Desi frana lineara cu curenti turbionari depinde mai putin de viteza, avand si alte avantaje comparativ cu frana electromagnetica, incalzirea sinelor reprezinta principalul dezavantaj al acestui tip de frana.
Caracteristicile principale ale acestor doua frane, rezulta din tabelul 6:
Tabel 6

Frana electropneumatica.
Frana electropneumatica este o frana pneumatica cu comanda electrica, respectiv forta de franare se realizeaza cu ajutorul aerului comprimat, iar admisiunea respectiv evacuarea aerului comprimat se realizeaza cu ajutorul unor ventile electromagnetice.
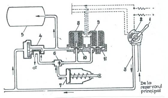
Principiul de functionare al franei electropneumatice se poate urmari pe schema simplificata reprezentata in figura 43

Figura 43
La frana cu aer comprimat in pozitia de alimentare si de slabire a robinetului 2, cand mecanicul mareste presiunea din conducta generala 3, distribuitorul de aer 4 pune in legatura rezervorul auxiliar 5 cu conducta generala 3, realizandu-se faza de alimentare a franei. In acelasi timp are loc si faza de slabire a franei, respectiv distribuitorul de aer 4 pune in legatura cilindrul de frana 7 cu atmosfera.
CONCLUZII
BIBLIOGRAFIE
1. Linii de cale ferata pentru viteze mari prezent si viitor.
Editura Mirton Timisoara 2003;
2. Tehnica marilor viteze. Sisteme de franare pentru vehiculele feroviare de mare viteza.
Editura Mirton Timisoara 1999;
Viorel Simut, Managementul transportului feroviar, Editura ASAB Bucuresti 2001.
***UIC, La grande vitesse ferroviare, Paris-Franta 2000;
***Politica transporturilor Europene pentru 2010; momentul deciziei,
Bruxelles, Belgia 2001.
***Revista Jurnal Feroviar - diverse editii,
***Galeria foto T.G.V.
***Diverse situri T.G.V.
|
Politica de confidentialitate | Termeni si conditii de utilizare |
Vizualizari: 3627
Importanta: ![]()
Termeni si conditii de utilizare | Contact
© SCRIGROUP 2025 . All rights reserved